EasyManua.ls Logo

Alpha 6000S series - Page 25

Alpha 6000S series
221 pages
Print Icon
To Next Page IconTo Next Page
To Next Page IconTo Next Page
To Previous Page IconTo Previous Page
To Previous Page IconTo Previous Page
Loading...
Chapter 2 Installation and Wiring
24
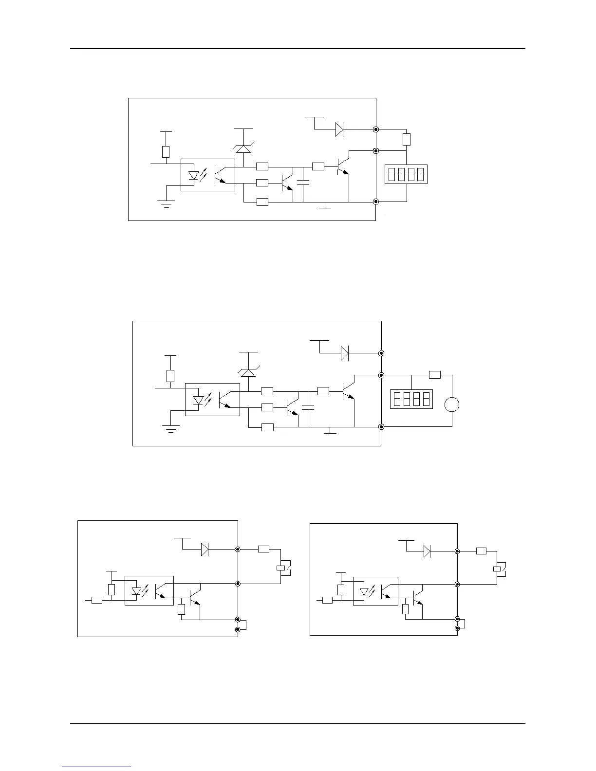
3) Multi-function output terminals / Pulse output terminal DO as pulse output can use the internal 24V power supply
and the wiring is shown in Figure 2-31.
5V
+24V
24V
DO
COM
+24V
R
Fig. 2-31 Digital pulse output connection mode 1 of multi-function output terminals
4) Multi-function output terminals / Pulse output terminal DO as Pulse output can also use the external, 9~30V,
power supply and the wiring is shown in Figure 2-32
5V
+24V
24V
DO
COM
+24V
R
DC
9~30V
+
-
Fig. 2-32 Digital pulse output connection mode 2 of multi-function output terminals
5) Multi-function output terminals Y1, Y2, Y3 can use 24V internal power of the inverter with the connection modes
shown in Fig. 2-33 (control board) and Fig. 2-34 (extension board).
COM
CME
Y1
24V
+24V
+5V
COM1
CME1
Y2 Y3
24V1
+24V
+5V
Fig. 2-33 Wiring diagram of multi-function output
terminals (control board)
Fig. 2-34 Wiring diagram of multi-function output
terminals ( extension board)
Digital frequency
statistics
Digital frequency
statistics
Relay
Relay

Table of Contents

Related product manuals