EasyManua.ls Logo

Ammann ARR 1575 Yanmar - Page 137

Ammann ARR 1575 Yanmar
146 pages
Print Icon
To Next Page IconTo Next Page
To Next Page IconTo Next Page
To Previous Page IconTo Previous Page
To Previous Page IconTo Previous Page
Loading...
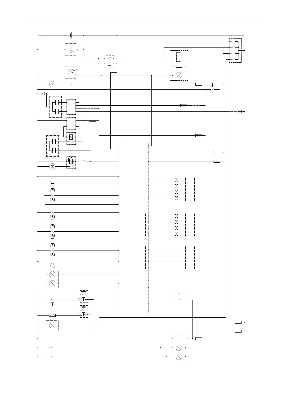
131ARR1575
M1
N2
P3
R2
H1
F22
K1
S1
F25
F14
F11
F12
N1
+12V
31
30
50
140
162
+14,5V
31
30
15
D+
P
142
163
Fuel pump
165
107
141
138
30
87
139
86
85
133
164
137
118
88888.8
68Ω
7
10A
136
87
30
135
87a
85
86
134
58
50
15
19
30 180
Battery
Starter
Ignition
Pre-heating
X3 3
X3 2
202
40A
206
203
X3 4
205
204
sw
pull
ws 207
rt
hold
(TIER 4)
208
0.5A
X3 1
201
144 143
40A
swgb
rt/ws
rt
86
30
87
85
148
146
145
147
166
sw
pull
ws
rt
hold
0.5A
185
176
Hydraulic oil cooler
157
159
86
30
87
87a
85
156 108
Oil temperature switch
Engine signal
158
105
25A
10A
10A
179
178
101
102
Voltage Supply Logic
Voltage Supply Outputs
7
(E1)
8
(E2)
5
(H1)
1
19
(V1)
2
Ignition
Starter
Engine coil
23
(SB+)
24
(SB-)
25
(IRVcc)
26
(IRGnd)
Bus Control D-
Voltage Supply +
Voltage Supply -
Bus Control D+ 122
123
124
125
X1 4 X1 3 X1 2 X1 1
5
6
4
3
X4
Level A
Level B
Voltage Supply +
Voltage Supply -
gn
br
ws
shield
X5 4 X5 3 X5 2 X5 1
frontrear
5
6
4
3
X6
Level A
Level B
Voltage Supply +
Voltage Supply -
28
(W1)
27
(Y1)
29
(Z1)
Engine Oil Pressure
Water Temperature
Safety Bar
127
126
128
161
2
1
sw
br
3 4
bl
gr
160
182
181
40A
40A
177
10A
129
8 1
- +
6
5
131
132
175
154
150
Engine oil pressure switch
Water temperature switch
130
155
153
151
149
3
30A
25A/1A
174
0.2A
86
30
87
87a
85
0.2A
86
30
87
87a
85
152
106
109
Preheating
Working speed
9
(F1)
6
(G1)
21
(L1)
22
(L2)
Error
121
120
Safety bar pushed
210 Horn
117 Brake Valve
116
Small Amplitude
18
4
2
211
172
173
171
170
169
115
114
113
112
111
Big Amplitude
Steering right
Steering left
Return
Backwards
Forwards
Ground
Ground
167
110
104
103
3
10
(B1)
11
(B2)
12
(U1)
13
(C1)
14
(C2)
15
(D1)
17
(K1)
16
(D2)
4
10784742
G2
M1
G1
M2
K2
Y11
K11
F21
K3
Solenoid
Driver
Timer 1s
K4
Y1
M3
K7
S25
N3
P1
Hand Control
P2
IR SensorIR Sensor
Y3
Y4
Y5
Y6
Y7
Y8
Y9
B1
N2
H5
H6
Y2
R1
H2
N2
K5
K6
S22
S21
S24
F23
F24
N2
H4
H3
F13
MAINTENANCE MANUAL

Table of Contents