EasyManua.ls Logo

Anritsu ML2400A Series - Page 191

Anritsu ML2400A Series
275 pages
Print Icon
To Next Page IconTo Next Page
To Next Page IconTo Next Page
To Previous Page IconTo Previous Page
To Previous Page IconTo Previous Page
Loading...
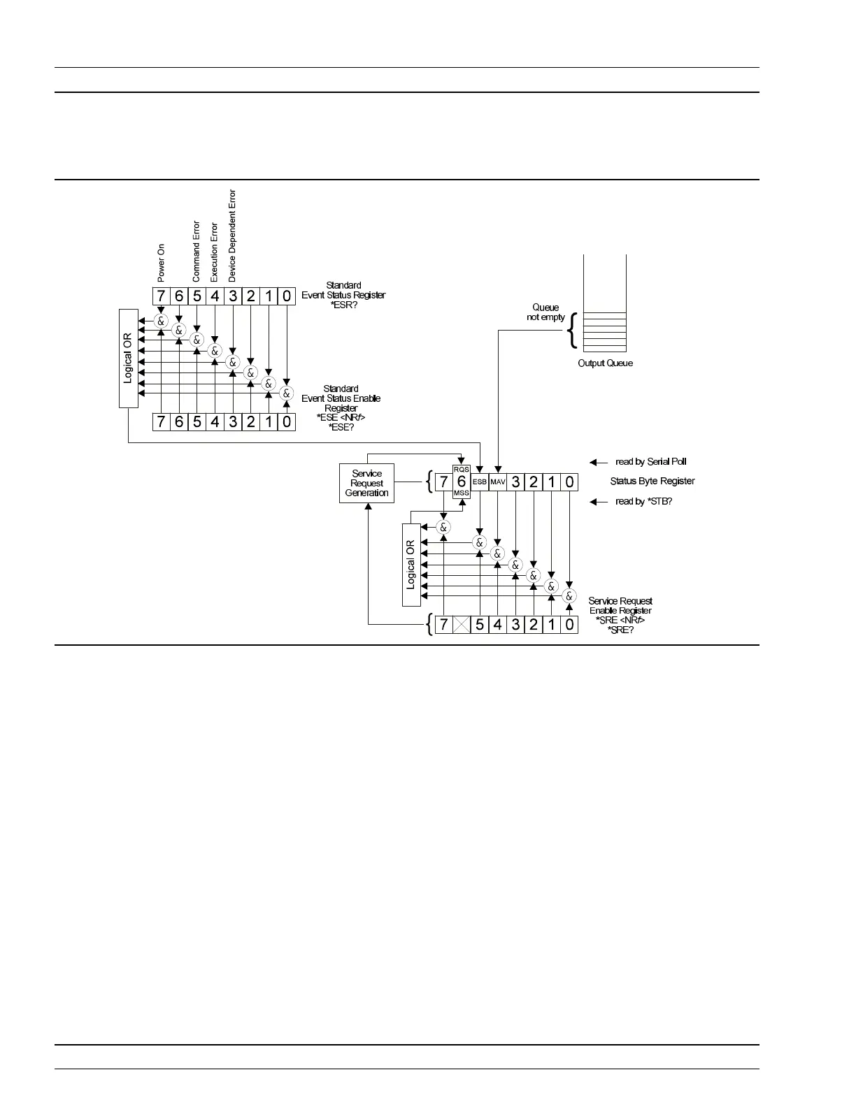
*ESE?
Re turn Event status reg is ter en able mask
Syn tax: *ESE?
Re marks: Re turned for mat: <un signed char ac ter>
When con verted to an 8- bit bi nary number, this byte yields the bit set -
tings of the reg is ter.
*ESR? Event status reg is ter re quest
Syn tax: *ESR?
Re marks: Re turn the value of the stan dard event status reg is ter. Af ter wards the
event status reg is ter are cleared. The re turned for mat is: <un signed
char ac ter>. When con verted to a 8- bit bi nary number, this byte yields
the bit set tings of the reg is ter.
6-104 ML2400A OM
HP 437B EMULATION COMMANDS GPIB OPERATION
Figure 6-8. IEEE 488.2 Stan dard Status Structures

Table of Contents

Related product manuals