EasyManua.ls Logo

Astrid UPS HALLEY/E Series - Inverter Functionality; Operation with Non-linear Loads

Astrid UPS HALLEY/E Series
56 pages
Print Icon
To Next Page IconTo Next Page
To Next Page IconTo Next Page
To Previous Page IconTo Previous Page
To Previous Page IconTo Previous Page
Loading...
OM226142 rev C
10
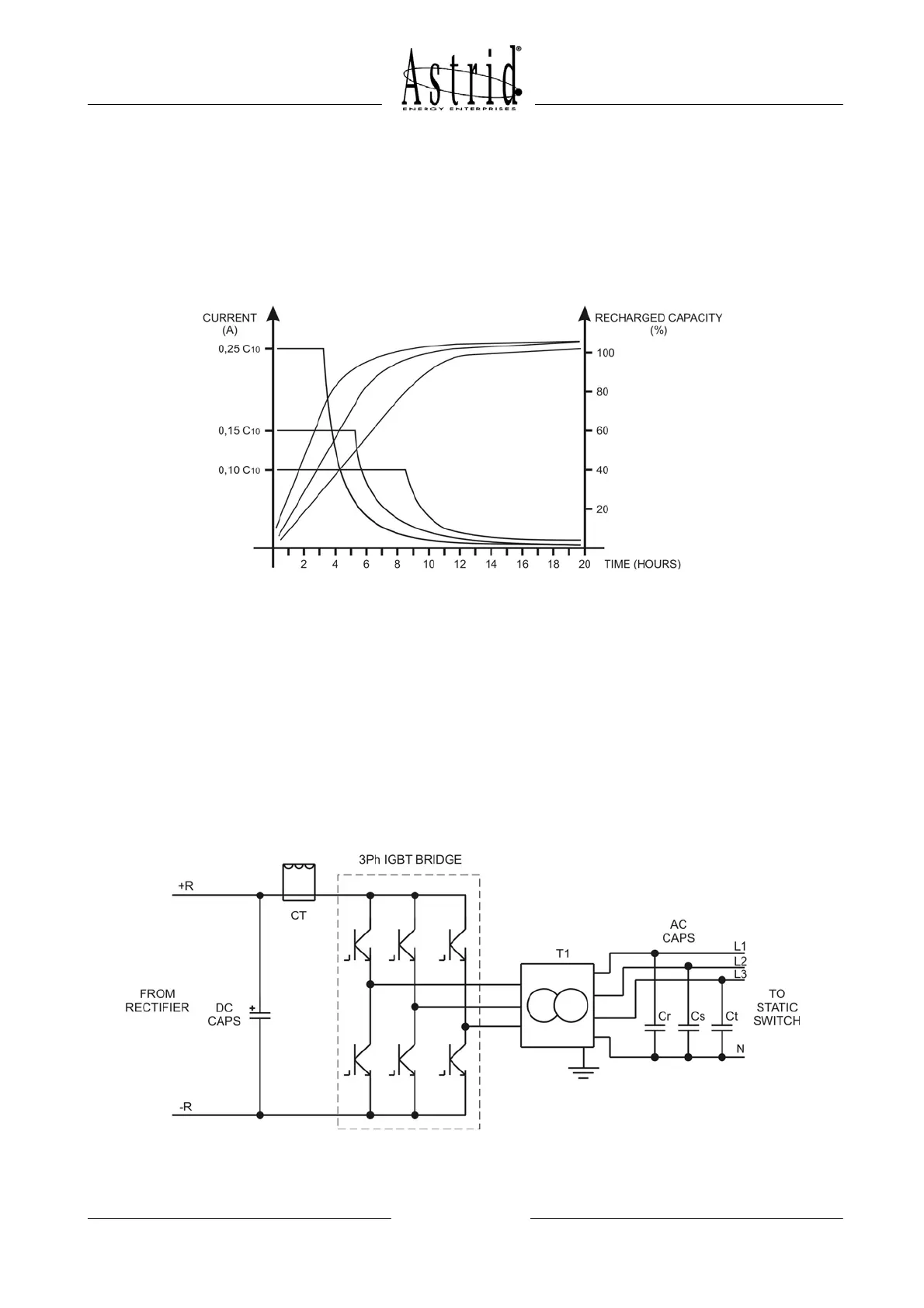
2.1.1 Operation with ONE charging level
This type of charge is generally used with sealed lead acid batteries that, owing to the
manufacturing technology, have a very narrow voltage range. In fact, the nominal charging
voltage ranges between 2,25÷2,27 V/cell, with a maximum value of 2,3 V/cell.
The picture below shows the charging curves at different charging currents; the higher is
the current, the higher is the restored capacity versus time, the lower is the recharging
time.
Picture 3 – Operation with ONE charging level
2.2 INVERTER
The inverter converts the DC input voltage to AC voltage, stabilized in frequency and RMS
value.
The DC voltage is converted by the IGBT bridge, that uses six switches, controlled using
PWM (Pulse Width Modulation) technology at high commutation frequency. The PWM
generation as well as the control of the operating variables is completely managed by the
microprocessor.
The DC current transducer CT provides for the monitoring of the inverter input current. Its
feedback signal is managed by the microprocessor to activate the output short circuit
current limitation (see 2.2.3) and the IGBT protection (see 2.2.4).
Picture 4 – Inverter

Table of Contents

Related product manuals