EasyManua.ls Logo

Atlantic 024306 - Page 79

Atlantic 024306
88 pages
Print Icon
To Next Page IconTo Next Page
To Next Page IconTo Next Page
To Previous Page IconTo Previous Page
To Previous Page IconTo Previous Page
Loading...
- 79 -
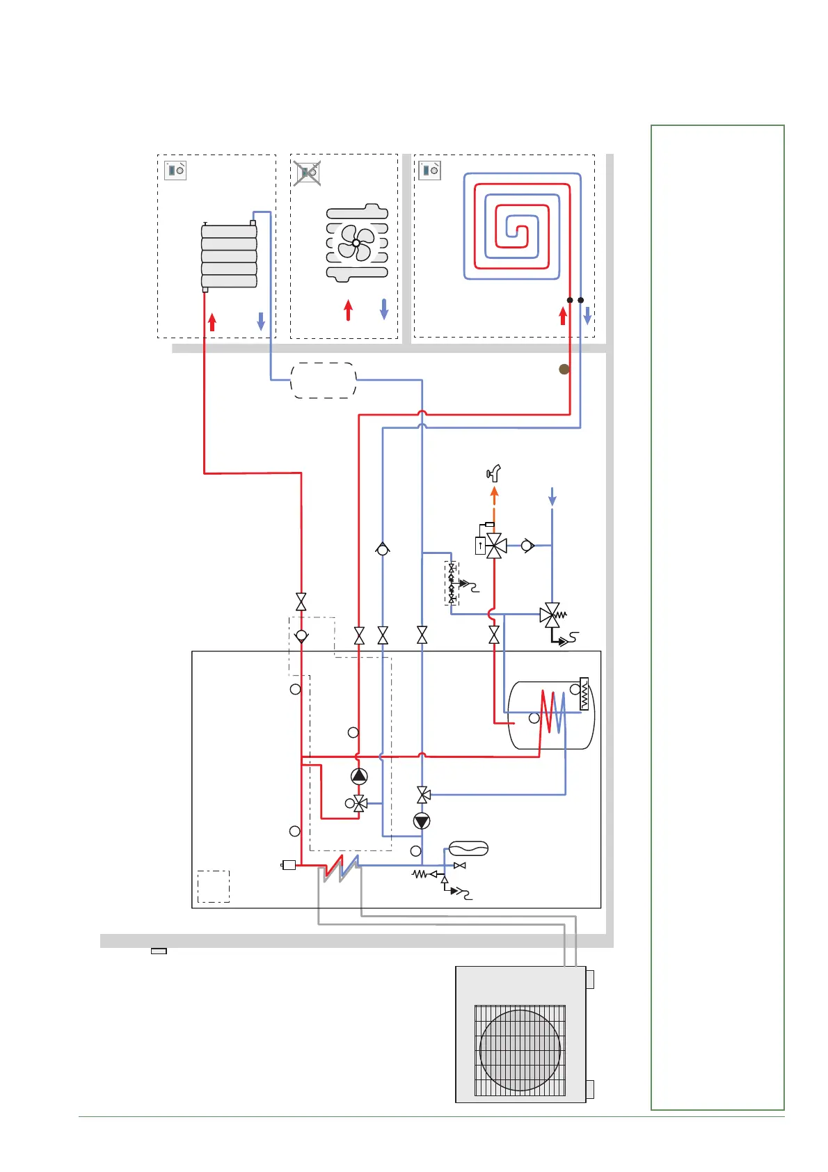
2 heating circuits
Key:
AE - Electrical backup
AVS - Extension board, 2 circuits
BT* - Bu er tank (depending on water volume:
see
page 33)
CAR - Non-return valve
C - HP circulation pump
CCM - Mixed circuit circulation pump
D - Shut-o
GS - Safety valve (mandatory)
K2c - 2 circuit kit
MT - Thermostatic mixing valve
PC - Under oor heating system
Pg - Bleeder valve
R - Radiators
SA - Room sensor (optional)
Sae - DHW electrical backup safety thermostat
SaeC - Safety thermostat (heating backup
option)
SDp - HP ow sensor
SDpM - Mixed circuit ow sensor
SE - Outside sensor
SP - Heated oor safety fuse
SR - Return sensor
Ssa - DHW sensor
SSe - Safety valve
VD - Distribution valve
VE - Expansion vessel
VM - Circuit mixer valve
SE
Ssa
Sae
AE
SR
VE
C
VD
GS
MT
CAR
CAR
SDp
Pg
SaeC
SSe
D
R
OU
PC
SA
SA
Rdyn*
OU
SA*
BT *
M
SP
CCM
VM
SDpM
K2c
CAR
AVS
SA
SA
SA*
Circuit 1
Circuit 2
CAR
Alfea Extensa A.I. R32 / INSTALLATION / 2114 - EN

Related product manuals