EasyManua.ls Logo

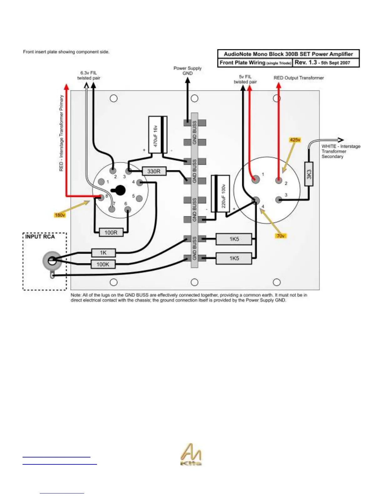
Audio Note Mono Block 300b/2A3 - Front Plate Wiring Diagram

Audio Note Mono Block 300b/2A3
70 pages
Print Icon
To Next Page IconTo Next Page
To Next Page IconTo Next Page
To Previous Page IconTo Previous Page
To Previous Page IconTo Previous Page
Loading...
Copyright © 2007, 2008 AudioNote Kits
www.AudioNoteKits.com
audionotekits@rogers.com
Page 67
Front Plate Wiring Diagram

Table of Contents

Related product manuals