EasyManua.ls Logo

Audio Note Mono Block 300b/2A3 - Wiring the Front Plate Components

Audio Note Mono Block 300b/2A3
70 pages
Print Icon
To Next Page IconTo Next Page
To Next Page IconTo Next Page
To Previous Page IconTo Previous Page
To Previous Page IconTo Previous Page
Loading...
Copyright © 2007, 2008 AudioNote Kits
www.AudioNoteKits.com
audionotekits@rogers.com
Page 41
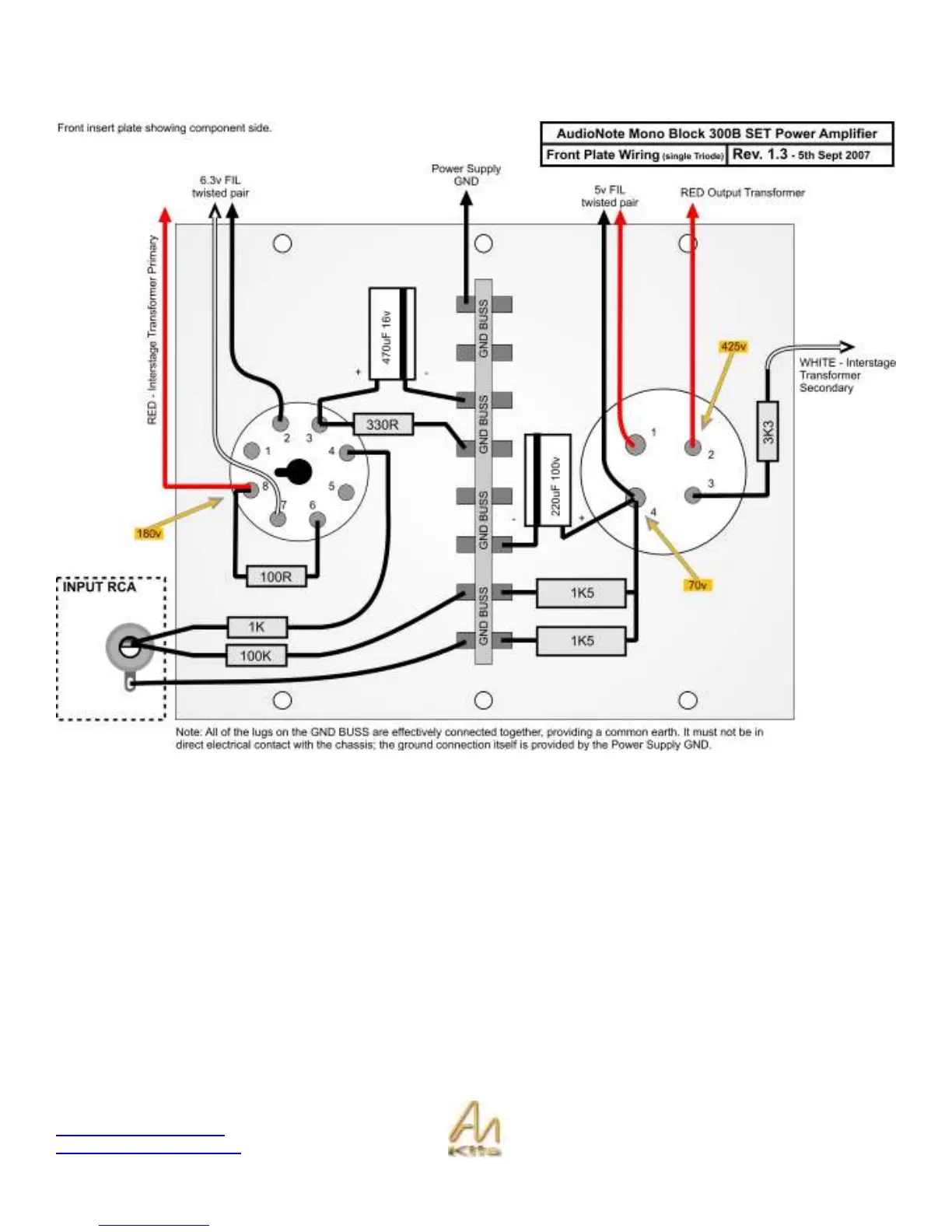
Wiring the Front Plate
Please refer to the following wiring diagram.
In addition to referring to the above diagram, also refer to your schematic to double check your connections with the
pictures and instructions at each stage of the wiring.

Table of Contents

Related product manuals