EasyManua.ls Logo

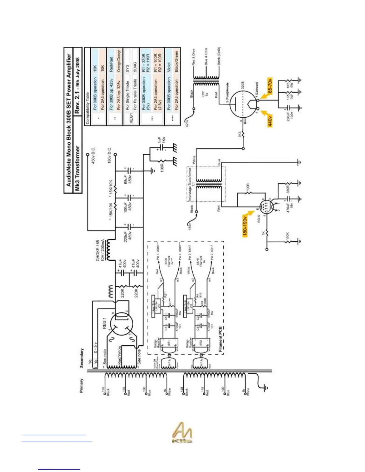
Audio Note Mono Block 300b/2A3 - Power Supply Schematic (Mk3 Mains Transformer)

Audio Note Mono Block 300b/2A3
70 pages
Print Icon
To Next Page IconTo Next Page
To Next Page IconTo Next Page
To Previous Page IconTo Previous Page
To Previous Page IconTo Previous Page
Loading...
Copyright © 2007, 2008 AudioNote Kits
www.AudioNoteKits.com
audionotekits@rogers.com
Page 68
Power Supply Schematic (Mk3 Mains Transformer)

Table of Contents

Related product manuals