EasyManua.ls Logo

Avalue Technology EMX-SKLUP - Page 89

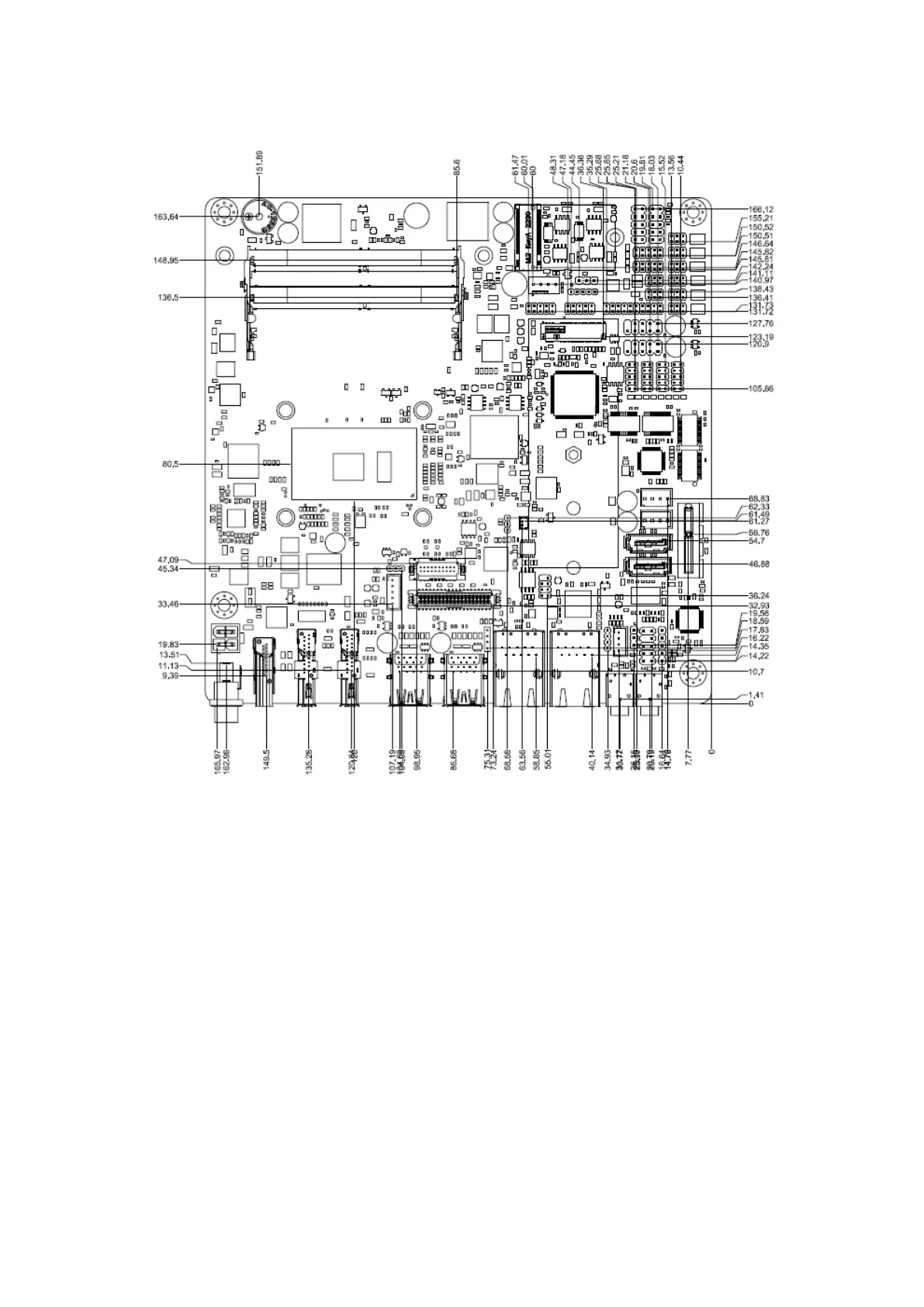
Avalue Technology EMX-SKLUP
92 pages
Print Icon
To Next Page IconTo Next Page
To Next Page IconTo Next Page
To Previous Page IconTo Previous Page
To Previous Page IconTo Previous Page
Loading...
User’s Manual
EMX-SKLUP User’s Manual
89
Unit: mm

Table of Contents

Related product manuals