EasyManua.ls Logo

Bailey INFI 90 IMCOM03 - Digital I;O and Digital Inputs

Bailey INFI 90 IMCOM03
77 pages
Print Icon
To Next Page IconTo Next Page
To Next Page IconTo Next Page
To Previous Page IconTo Previous Page
To Previous Page IconTo Previous Page
Loading...
DESCRIPTION AND OPERATION
I/O SECTION
2 - 6 I-E96-207A
®
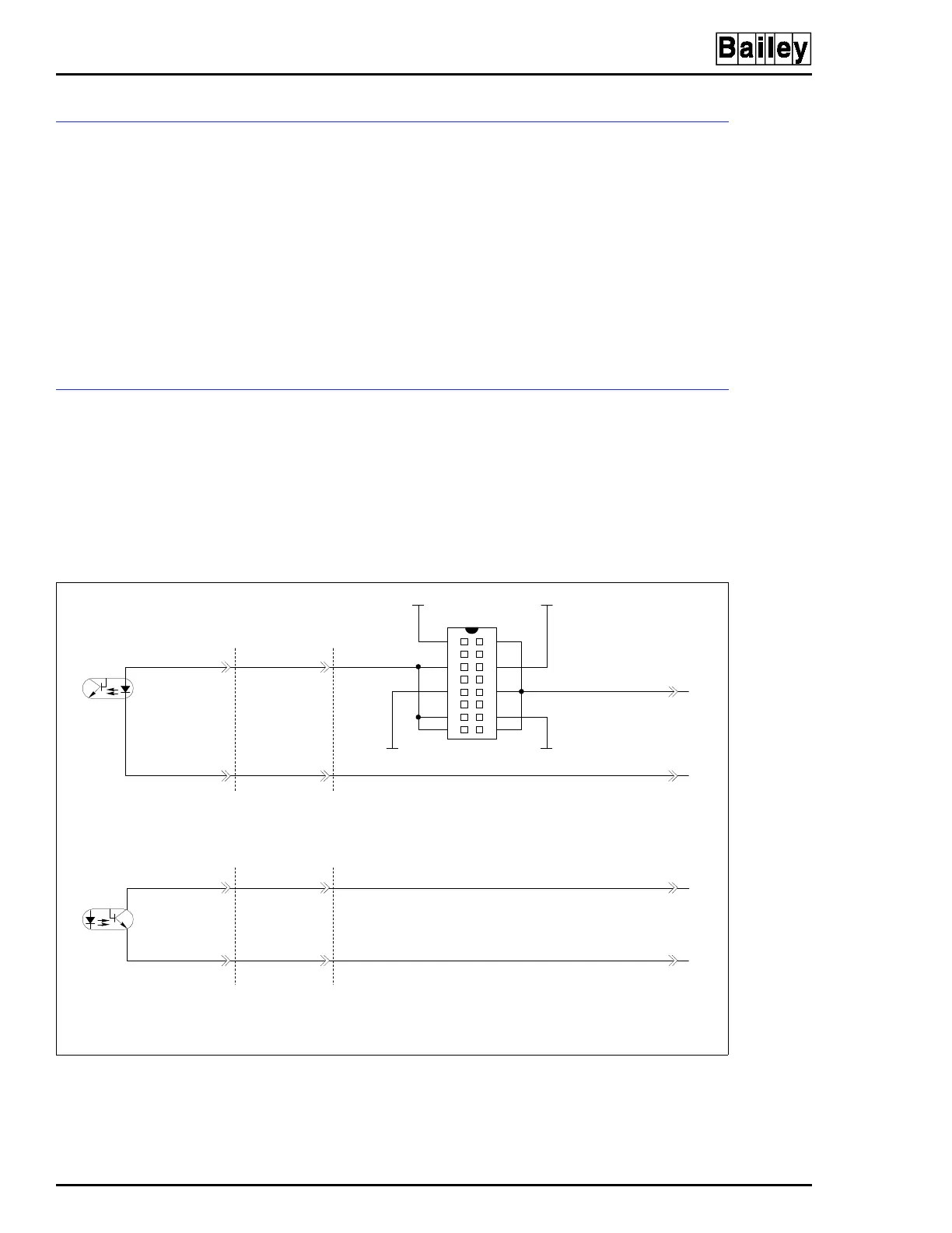
Digital I/O
The COM can input three separate digital signals and output
four separate digital signals. Digital inputs are voltages of 24
VDC or 125 VDC. These voltages indicate an energized (ON)
field device; a 0 Volt input indicates a de-energized (OFF) field
device. The COM digital outputs are 24 VDC at 150 mA. A 24
VDC output energizes (turns on) the field device; a 0 Volt out-
put de-energizes (turns off) the field device. Figure 2-3 shows a
typical digital input and output circuit.
Jumpers on the COM select the voltage level for each input.
The installation section explains the jumper connections.
Digital Inputs
Current limiters and optocouplers in the isolation block isolate
the three field inputs from the module circuitry. The threshold
detection block circuits test the input voltage to determine if it
is at the proper voltage level to indicate an energized (closed) or
de-energized (open) state for the field device. These values are
sent to the digital I/O buffer block. Jumpers on the COM select
the threshold detection voltage level.
Figure 2-3. IMCOM03/04 Digital Input and Output Circuits
COM
E4
E2 E1
E3
24/125 VDC
COM 24 V
IMCOM03/04
DIGITAL INPUT 1
TERMINATION
UNIT CABLE
TERMINATION UNIT
+
XU5
161
152
143
134
125
116
107
98
T00111A
IMCOM03/04
DIGITAL OUPUT 1
TERMINATION
UNIT CABLE
TERMINATION UNIT
+
DIGITAL INPUT CIRCUIT
DIGITAL OUTPUT CIRCUIT

Table of Contents

Related product manuals