EasyManua.ls Logo

Bailey INFI 90 IMCOM03 - Page 66

Bailey INFI 90 IMCOM03
77 pages
Print Icon
To Next Page IconTo Next Page
To Next Page IconTo Next Page
To Previous Page IconTo Previous Page
To Previous Page IconTo Previous Page
Loading...
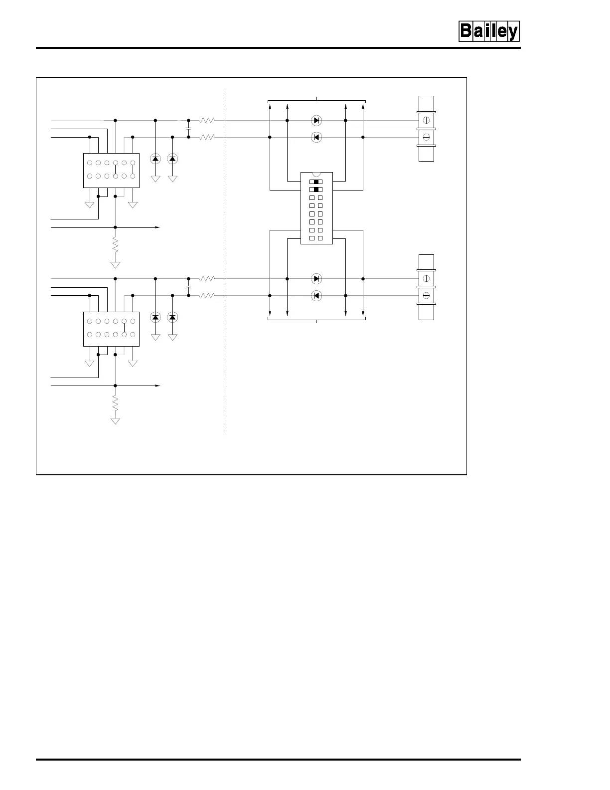
TERMINATION UNIT CONFIGURATION (NTCS02)
INTRODUCTION
A - 10 I-E96-207A
®
Figure A-4. Analog Output Dipshunt Configurations (continued)
T00127A
161
152
143
134
125
11
6
107
98
ANALOG OUTPUT 1 IN VOLTAGE MODE
ANALOG OUTPUT 2 IN CURRENT MODE
54312 6
S2
54312 6
S3
OUTPUT 1
OUTPUT 2
+
ANALOG
OUTPUT 1
+
ANALOG
OUTPUT 2
CONTROLLER OUTPUT CIRCUITRY
XU9
SAC STATION CONNECTOR
SAC STATION CONNECTOR

Table of Contents

Related product manuals