EasyManua.ls Logo

base engineering ProControl 3 - Brake Interlock Alarm

base engineering ProControl 3
28 pages
Print Icon
To Next Page IconTo Next Page
To Next Page IconTo Next Page
To Previous Page IconTo Previous Page
To Previous Page IconTo Previous Page
Loading...
9
UM-16-012
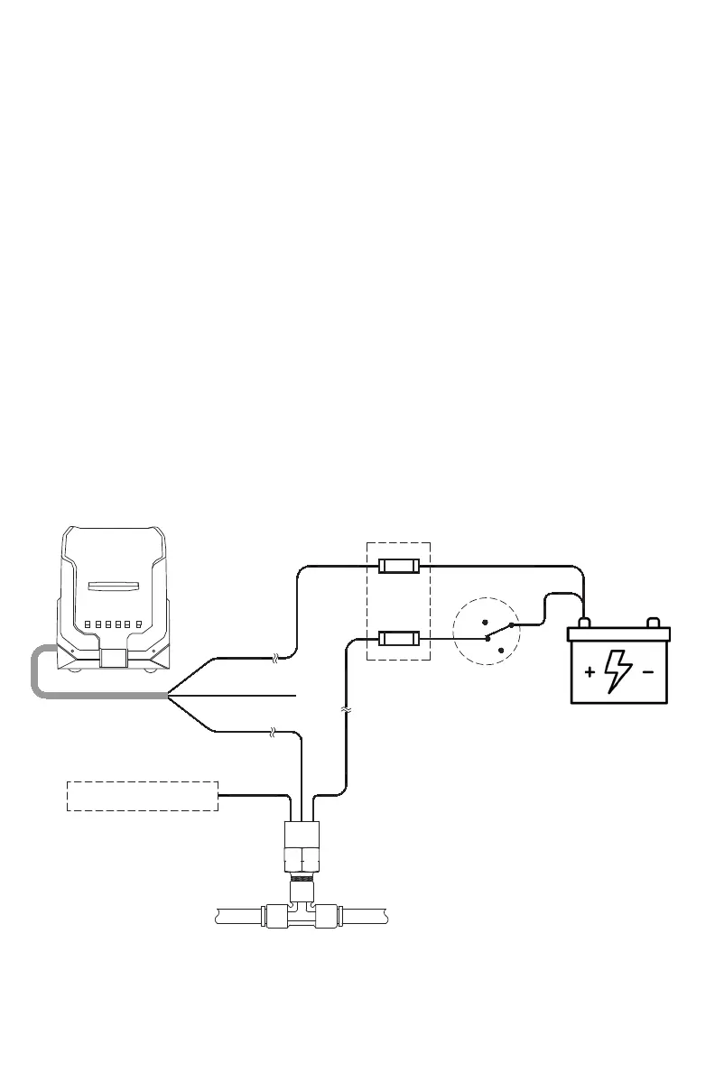
BRAKE INTERLOCK ALARM
There is an optional alarm in the charging cradle that will sound when the
user drives away with the handheld undocked. To do this, the charging cradle
must be interconnected with a brake-line pressure sensor and with the signal
from the truck’s “Ignition ON/RUN” power connection (please see the wiring
diagram in the next page).
When correctly wired in to these two signals with the supplied harness, the
cradle will issue an alarm only under the following conditions:
The handheld is undocked from the cradle AND
The Ignition is on AND
The brakes are released.
To stop the alarm sounding, either replace the handheld in the cradle, apply
the brakes, or turn off the ignition.
P/N:HAR8000
P/N:DOC3000
Black (Chassis Ground)
Red (Fused +12/24V)
White (Ign. Run/On)
Park Brake Air Line
C
NO
NC
To "Fused and Switched +12/24V"
of the Receiver Harness
P/N: SWI2500
P/N: FIT1478
Truck Battery
Fuse Box
Ignition Switch
Start
On/Run
ACC
Installation Reference for Charging Cradle: