EasyManua.ls Logo

BBK DK1410SI - Page 111

BBK DK1410SI
128 pages
Print Icon
To Next Page IconTo Next Page
To Next Page IconTo Next Page
To Previous Page IconTo Previous Page
To Previous Page IconTo Previous Page
Loading...
1
2
3
4
5
6
7
8
9
10
11
12
13
XP206
CON13
L
4
5
R
6
XC104B
AV4
L103
L
L104
L
L105
L
VIDEO_C
L
1
2
R
3
XC103A
AV2
AUX-in
L
4
5
R
6
XC103B
AV2
MIX-out
L102
L
L100 L
C102
102
C103
102
D+5V
R103
68R
1
2
3
4
5
6
7
8
XP401
CON8
D+5V
AGND
AUXR
AUXL
RO
LO
11
10
9
8
7
6
5
4
3
2
1
15
14
13
12
19
18
17
16
21
20
XC107
CS-111
SPDIF
Y1
Y2
Y3
Y4
Y5
Y6
R105
75R
C106
47P
C108
47P
L106
1.8uH
D+5V
Y1
R106
75R
C107
47P
C109
47P
L107
1.8uH
D+5V
Y2
R107
75R
C110
47P
C111
47P
L110
1.8uH
D+5V
Y3
R108
75R
C112
47P
C114
47P
L111
1.8uH
D+5V
Y4
R109
75R
C113
47P
C115
47P
L114
1.8uH
D+5V
Y5
R110
75R
C116
47P
C117
47P
L116
1.8uH
D+5V
Y6
VIDEO_Y
VIDEO_C
VIDIO COMP
VIDIO Y1
VIDIO U
VIDIO V
ROUTX
LOUTX
VY
VV
VU
VY
VV
VU
VDATA3
VSYNC
HSYNC
A+12V
+12V
V100
8050
R114
33R
R112
2.2K
VDATA3 V101
8050
R115
1K
R113
2.2K
A+12V
+12V
HSYNC
R116
75R
V102
8050
D+5V
VSYNC
VIDIO COMP
VIDIO COMP
R104
330R
A+12V
R111
4.7K
D+5V
C105
224
L119
L
L118
L
L120
L
GND
1
VCC
2
OUT
3
XC106
TORX178A
1
2
3
4
5
6
7
XC105
DASW-02
L
1
2
R
3
XC104A
AV4
COAXIAL
VD100
1N4148
VD101
1N4148
VD102
1N4148
VD103
1N4148
VD104
1N4148
VD105
1N4148
VD106
1N4148
VD107
1N4148
VD108
1N4148
VD109
1N4148
VD110
1N4148
VD111
1N4148
ROUTX
LOUTX
L122 L
L121 L
C118
102
C119
102
C183
20P
C184
20P
C185
20P
C186
20P
C120
104
C188
20P
Green
Blue
Red
C187
20P
R129
220R
R130
100R
SPDIF
C121
20P
C122
20P
C123
20P
C124
20P
C125
20P
C126
20P
C129
104
AGND
Y
Cr/Pr
Cb/Pb
-12V
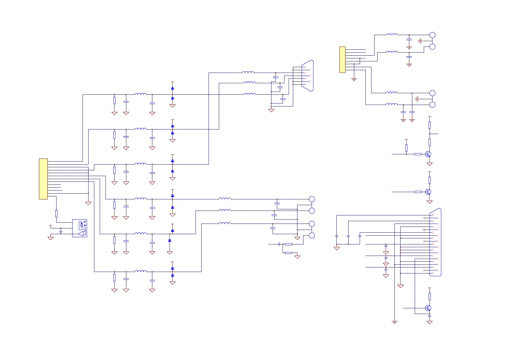
5.2.2 audio IN OUT Board
- 107 -

Table of Contents

Related product manuals