EasyManua.ls Logo

BEKA FKGGM-EP - Central Lubrication Pump FKGGM - EP 4 Liter Reservoir; Central Lubrication Pump FKGGM - EP 8 Liter Reservoir

Default Icon
66 pages
Print Icon
To Next Page IconTo Next Page
To Next Page IconTo Next Page
To Previous Page IconTo Previous Page
To Previous Page IconTo Previous Page
Loading...
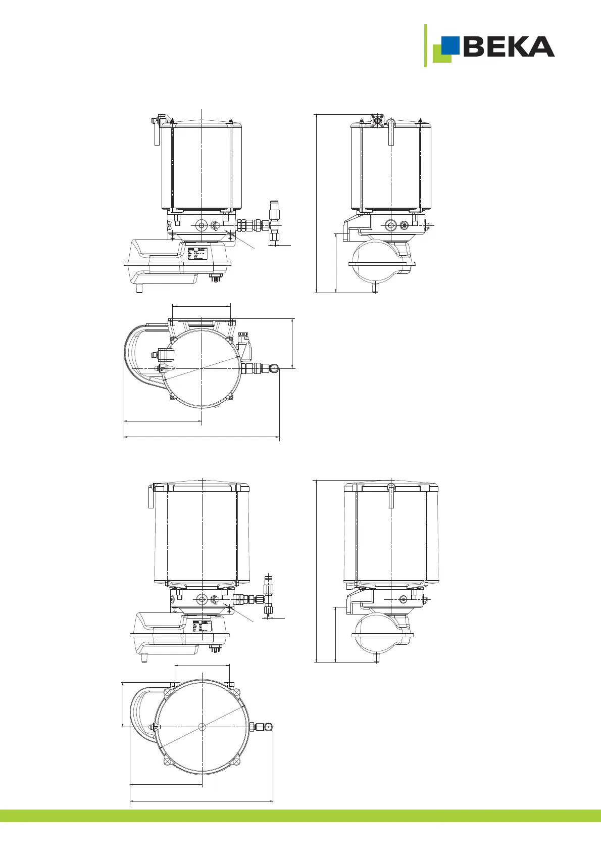
4.1.3 Central lubrication pump FKGGM - EP
4 liter reservoir
Fig. 20:
4.1.4 Central lubrication pump FKGGM - EP
8 liter reservoir
Fig. 21:
436
132
ø6
ø9,5
130
172
342
ø229
107
400
132
ø180
112
130
172
349
ø6
ø9,5
24
Subject to alterations!
...a product from
BAL2076_central lubrication pump_0119EN
© BEKA 2019 All rights reserved

Table of Contents

Other manuals for BEKA FKGGM-EP

Related product manuals