EasyManua.ls Logo

BEKA FKGGM-EP - Control Unit Type: EP-Tronic ZX

Default Icon
66 pages
Print Icon
To Next Page IconTo Next Page
To Next Page IconTo Next Page
To Previous Page IconTo Previous Page
To Previous Page IconTo Previous Page
Loading...
Subject to alterations!
...a product from
BAL2076_central lubrication pump_0119EN
© BEKA 2019 All rights reserved
See also description BEKA-EP-tronic_ZX
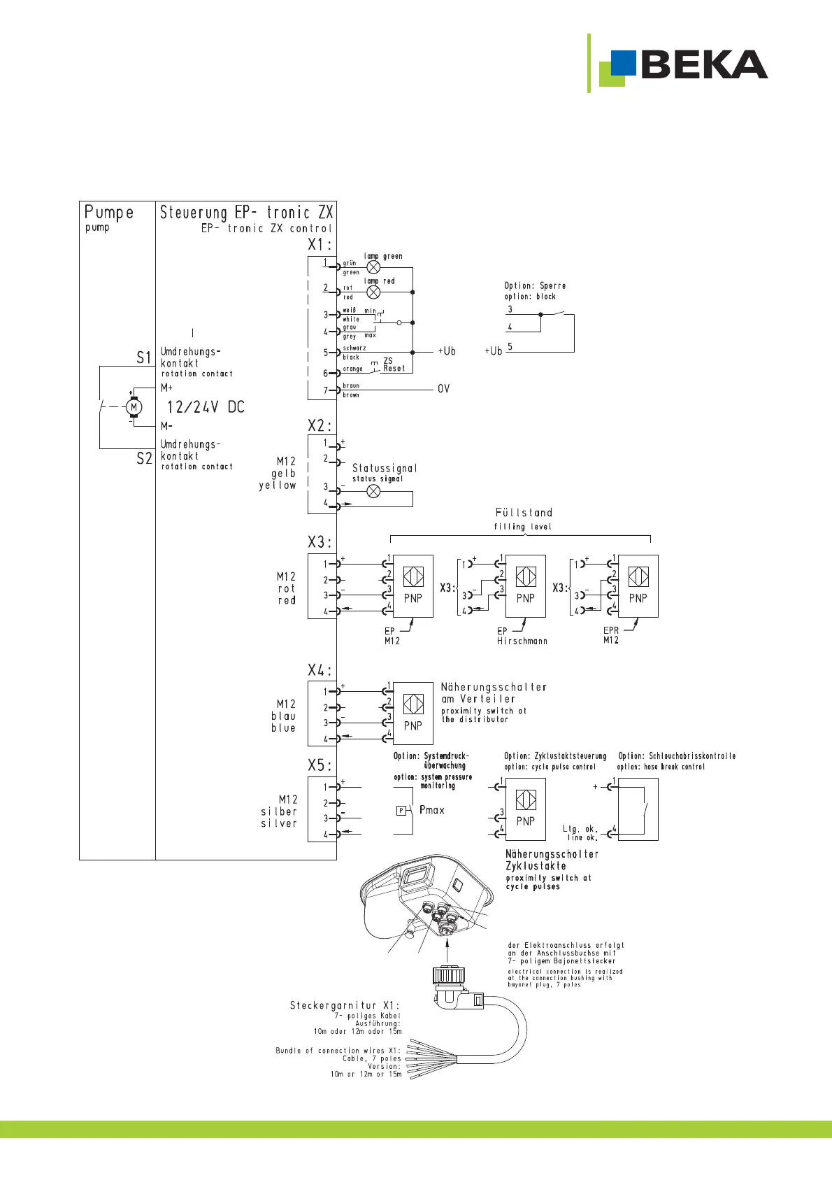
7.2.5 Control unit type: EP-tronic ZX
Voltage: Ub 10-60 V DC (nominal 12/24 V DC)
Fig. 53:
46
green
silver
yellow
blue
red

Table of Contents

Other manuals for BEKA FKGGM-EP

Related product manuals