EasyManua.ls Logo

BEKA FKGGM-EP - Connection of the Central Lubrication Pump FKGGM - EP or EPR with Control Unit; Control Unit Type: EP-Tronic

Default Icon
66 pages
Print Icon
To Next Page IconTo Next Page
To Next Page IconTo Next Page
To Previous Page IconTo Previous Page
To Previous Page IconTo Previous Page
Loading...
Subject to alterations!
...a product from
BAL2076_central lubrication pump_0119EN
© BEKA 2019 All rights reserved
See also description EP-tronic
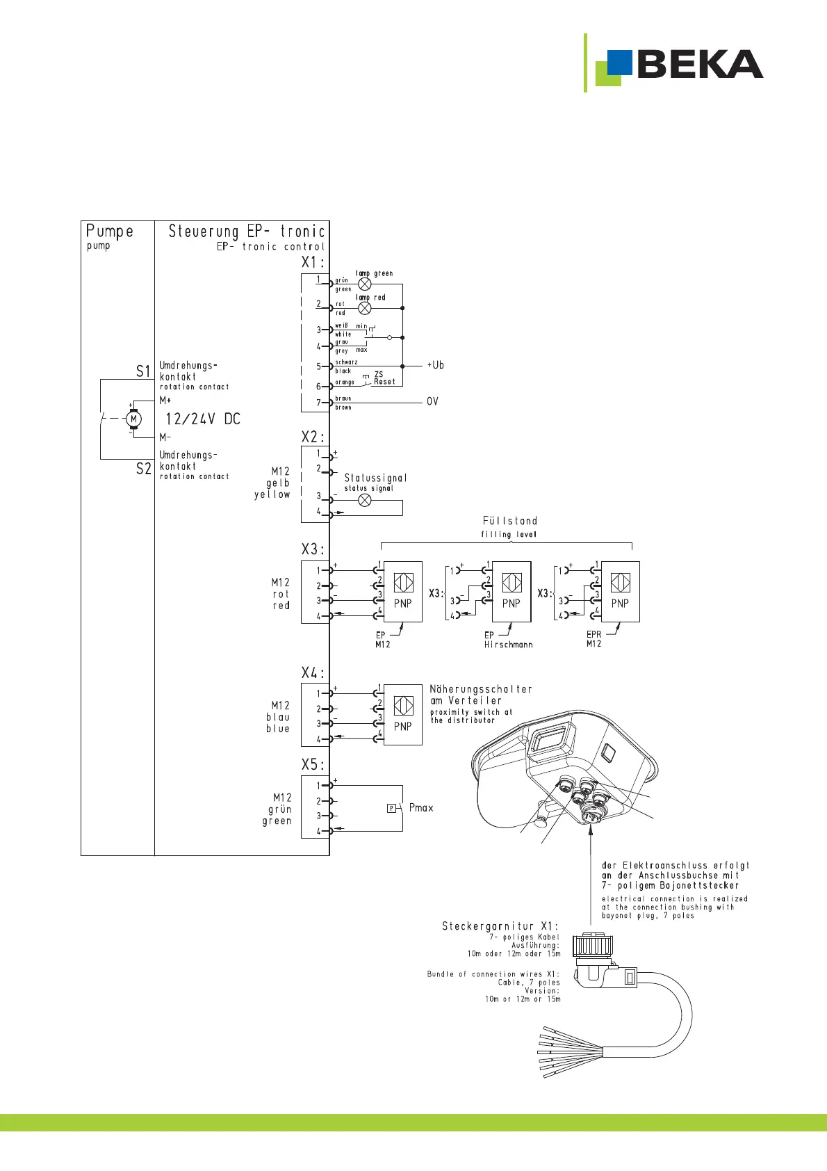
7.2 Connection central lubrication pump FKGGM - EP or EPR with control unit:
7.2.1 Control unit type: EP-tronic:
Voltage: Ub 10-60 V DC (nominal 12/24 V DC)
Fig. 49:
42
blue
red
green
yellow

Table of Contents

Other manuals for BEKA FKGGM-EP

Related product manuals