EasyManua.ls Logo

BEKA FKGGM-EP - Control Unit Type: EP-Tronic ZX-S1 - with Intermediate Housing; Control Unit Type: EP-Tronic ZX - S2 - with Intermediate Housing (12;24 V DC)

Default Icon
66 pages
Print Icon
To Next Page IconTo Next Page
To Next Page IconTo Next Page
To Previous Page IconTo Previous Page
To Previous Page IconTo Previous Page
Loading...
Subject to alterations!
...a product from
BAL2076_central lubrication pump_0119EN
© BEKA 2019 All rights reserved
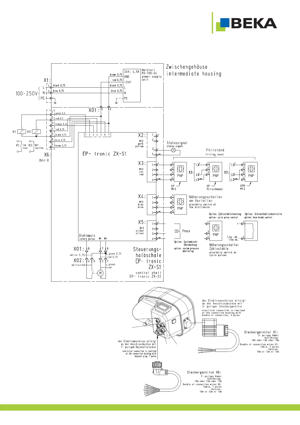
7.2.8 Control unit type: EP-tronic ZX-S1 - with intermediate housing
(100-250 V AC)
Fig. 56:
See also description BEKA-EP-tronic_ZX
49
silver
yellow
red
blue

Table of Contents

Other manuals for BEKA FKGGM-EP

Related product manuals