EasyManua.ls Logo

BendPak PL-12000DP - Installing the Power Unit

Default Icon
96 pages
Print Icon
To Next Page IconTo Next Page
To Next Page IconTo Next Page
To Previous Page IconTo Previous Page
To Previous Page IconTo Previous Page
Loading...
PL-12000DP Series Parking Lift 46 P/N 5900285Rev. A1 — February 2023
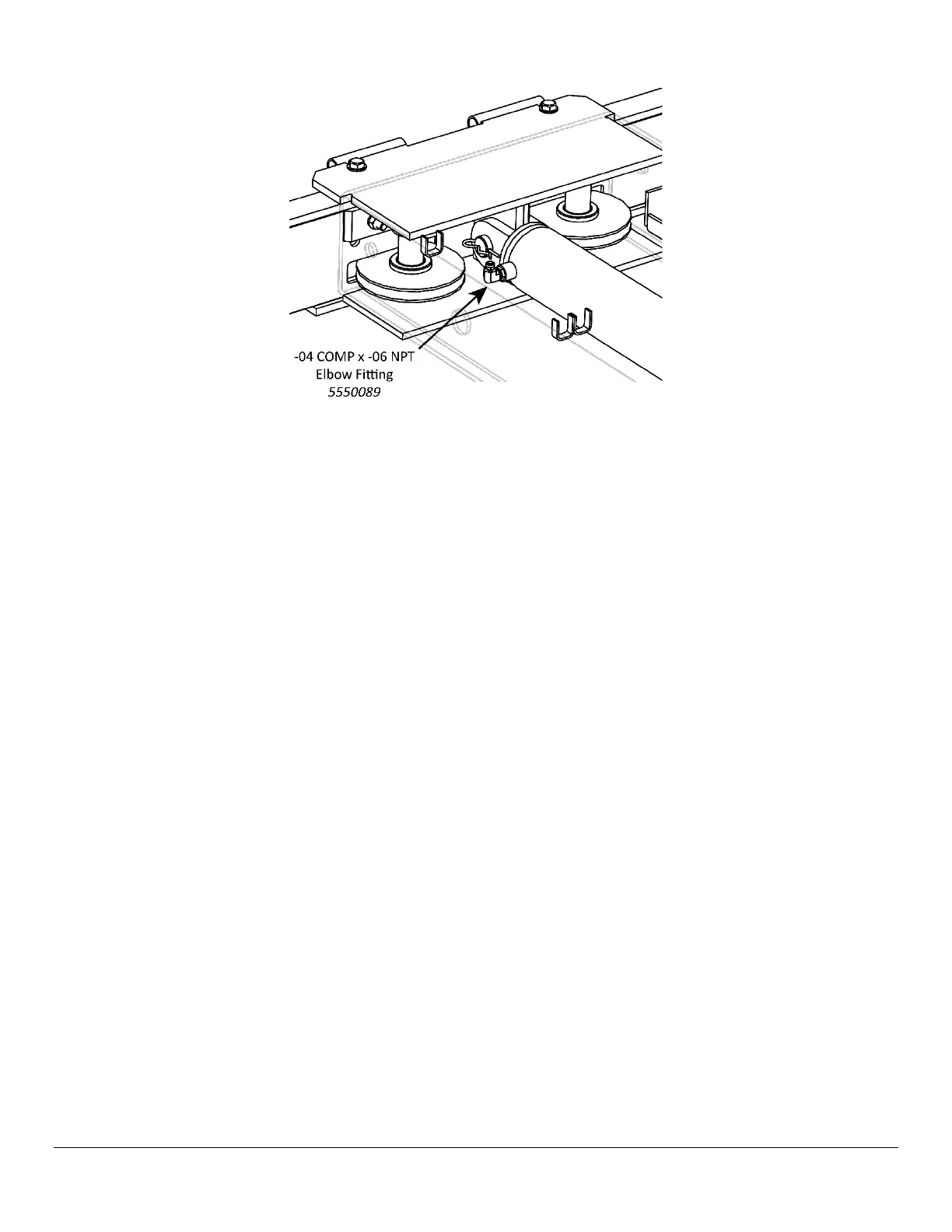
Use Thread Sealant on NPT threads only.
View is from underneath the Powerside Runway, near Cylinder bottom end. Not all components
shown.
6. Connect and tighten one end of the Return Line to the COMP end of the Fitting.
Refer to Working with Compression Fittings and Tubing for instructions.
7. Leave the Power Unit end of the Return Line hanging from the Flex Tube opening for now.
8. Repeat Steps for the other Platform.
Installing the Power Unit
This section describes how to
install
, but not make the connections to, the Power Unit for your Lift.
An Electrician is
not
needed to install the Power Unit; however, one
is
required to connect the Power
Unit to its power source.
The Power Unit
must
be installed on the Power Post; attach it to one of the two Mounting Brackets,
whichever is more convenient for the installation.
DANGER Risk of explosion: The Power Unit has internal arcing or parts that may spark and
should not be exposed to flammable vapors. Never expose the Power Unit motor
to rain or other damp environments. Damage to the motor caused by water is
not
covered by the warranty.
CAUTION The Power Unit is heavy. BendPak recommends one person holds the Power Unit,
while another person bolts it into place.
The following drawing shows how to attach the Power Unit to the Power Post.