EasyManua.ls Logo

Berkel X13 - X13 A & X13 Ae Sequence of Operation

Berkel X13
36 pages
Print Icon
To Next Page IconTo Next Page
To Next Page IconTo Next Page
To Previous Page IconTo Previous Page
To Previous Page IconTo Previous Page
Loading...
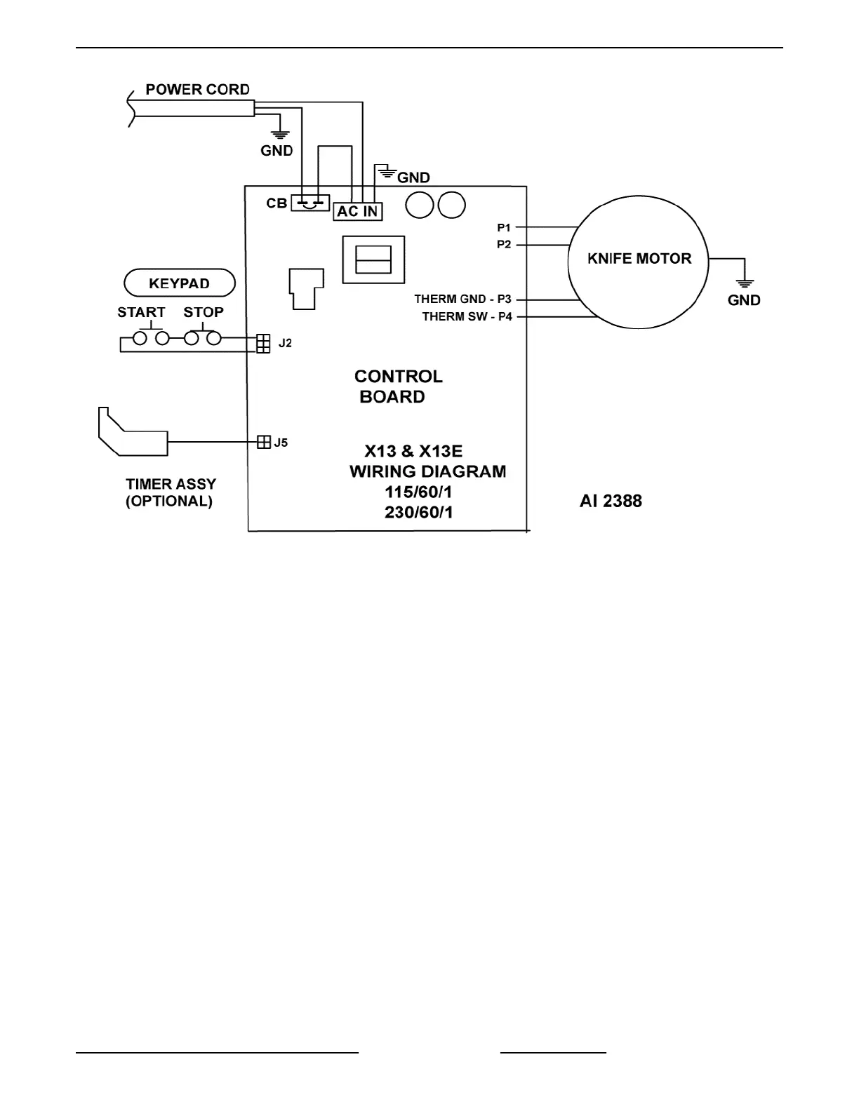
X13 & X13E Wiring Diagram
NOTE: Knife can be started with carriage in any
position.
Start Conditions:
1. Correct voltage supplied to slicer.
2. Red power LED lit.
3. Carriage tray secured.
Manual Sequence:
1. Press start button - start switch closed.
2. 15VDC is applied to control board.
3. Knife motor energized.
4. Knife motor continues to run until stop button is
pressed.
NOTE: Slicers equipped with timer assembly will shut
off after 15 seconds of no slicing.
5. Press stop button - stop switch opens.
6. 15VDC is removed from control board.
7. Knife motor de-energized.
X13A & X13AE Sequence of Operation
X13 SLICER - ELECTRICAL OPERATION
Page 33 of 36 F25332 Rev. A (0718)

Table of Contents

Other manuals for Berkel X13

Related product manuals