EasyManua.ls Logo

Bilanciai D70A - Connection of COM2 in RS485 Configuration

Bilanciai D70A
88 pages
Print Icon
To Next Page IconTo Next Page
To Next Page IconTo Next Page
To Previous Page IconTo Previous Page
To Previous Page IconTo Previous Page
Loading...
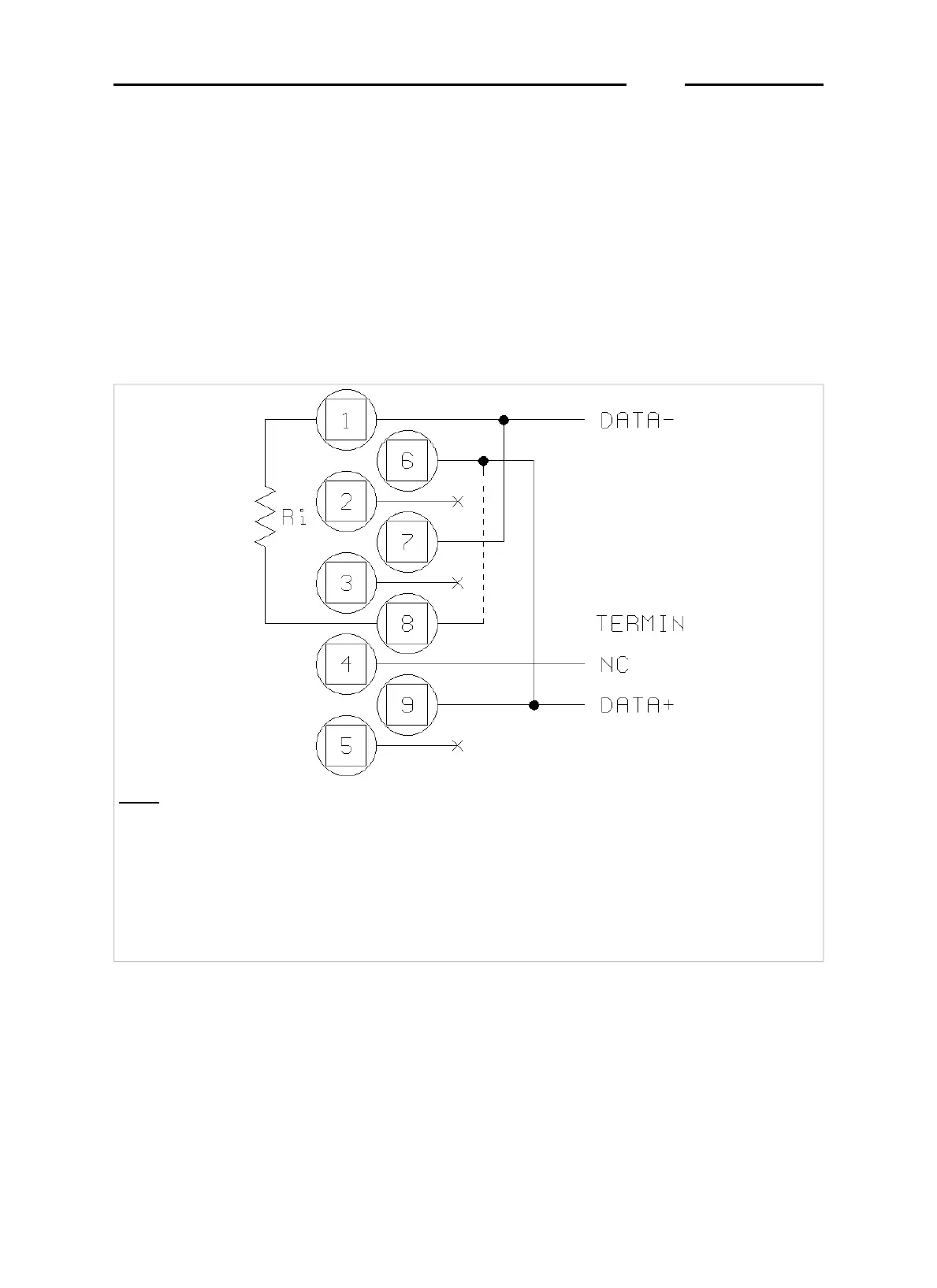
3.4.3 Connection of COM2 in RS485 configuration
If the COM2 serial port is configured for RS485 data transmission, you
will need to:
connect together pins 9 and 6 and pins 1 and 7 (Figure 3.7 on page
1-32)
place a jumper across pin 6 and pin 8 to connect the termination
resistance; this operation is to be carried out on the first and last
terminals connected in the line.
Key
NC = Reserved - do not connect
DATA +/- = Bidirectional data transmission line
TERMIN = Termination resistance to be connected to pin 6
Ri = Termination resistance inside terminal
NOTE: the free pins are reserved for RS232 connection
Figure 3.7 - Pinout for RS485 serial port connection (log0006.gif)
D70
1-32

Table of Contents

Related product manuals