EasyManua.ls Logo

Binder BD - Ed (E2); Flow Chart of the Heating System of a ED (E2) (Standard ED 115 (E2))

Binder BD
19 pages
Print Icon
To Next Page IconTo Next Page
To Next Page IconTo Next Page
To Previous Page IconTo Previous Page
To Previous Page IconTo Previous Page
Loading...
BD/ED/FD (E2) Service Manual
State: 01/2002 Created: 06/2002 / Jochen Tussinger
5
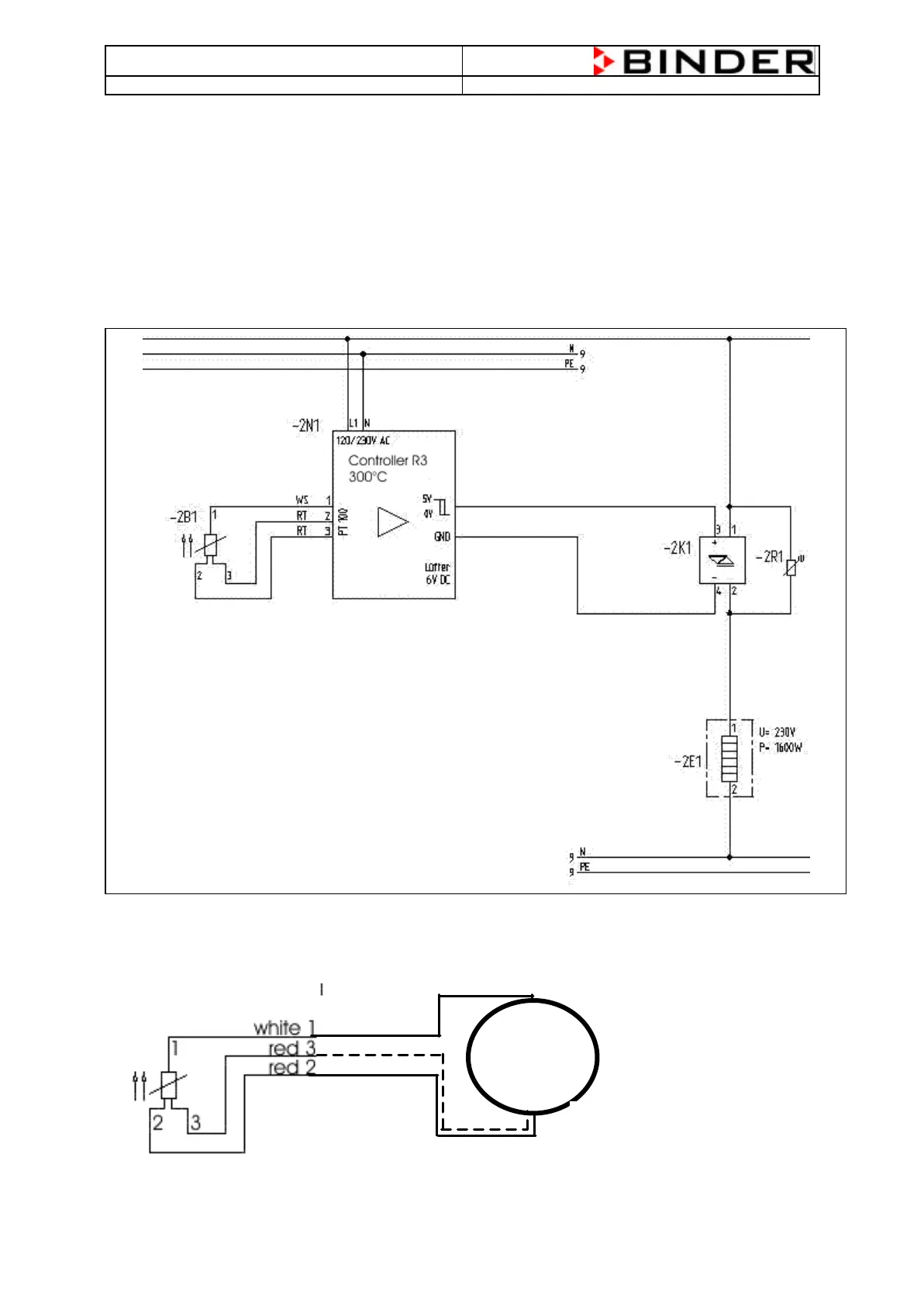
2.3 ED (E2)
The ED (E2) chamber gives the possibility to heat up the chamber to a maximum temperature of 300°C.
The measuring of the temperature will be realized by a PT100 temperature probe which is placed directly
in the inner of the chamber .
The controller R3 measures the resistance of the PT100 temperature probe and compares the incoming
signal with the actual engaged value and decides to give a Signal to activate the heating elements or not.
2.4 Flow Chart of the Heating System of a ED (E2) (Standard ED 115 (E2))
PT100 –> Controller R3 à Solid State Relay à Heating Element
The PT100 temperature probe is a resistance-measurement system. This means that the PT100 changes
his resistance at different temperatures. For example: at 37°C, the resistance of the PT100 have to be
114,380 . To measure the resistance, disconnect all three cables from the controller and measure
between the white cable and one of the red cables, don’t measure between both red cables.
Measuring of the PT100 resistance
between the white cable 1 and one of the
two red cables 2 or 3

Related product manuals