EasyManua.ls Logo

Bolin Technology KBD-1010-R - Cross-Protocol Mix Control; Cross-Protocol Mix Control Overview; Tally Light GPI I;O connection; GPI connection with RS422 VISCA control connection

Bolin Technology KBD-1010-R
51 pages
Print Icon
To Next Page IconTo Next Page
To Next Page IconTo Next Page
To Previous Page IconTo Previous Page
To Previous Page IconTo Previous Page
Loading...
27
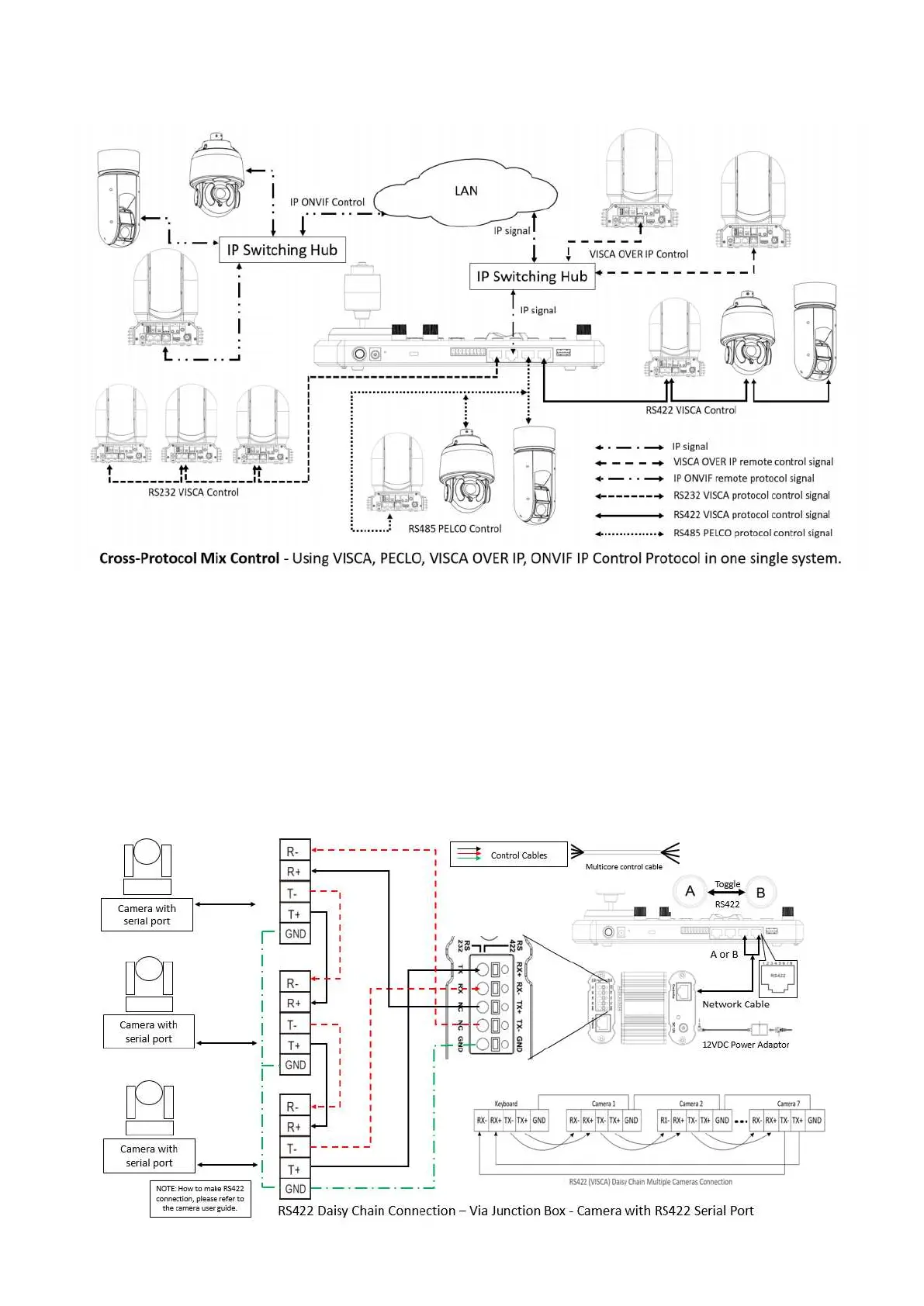
Cross-Protocol Mix Control
Tally Light GPI I/O connection
GPI connection with RS422 VISCA control connection
Cable Preparation
1. Build standard multiple cameras RS-422 daisy chain control connection between the keyboard
controller and the cameras. (For more RS422 control information details please refer to Keyboard
Controller user guide)
a. Via Junction Box

Table of Contents