EasyManua.ls Logo

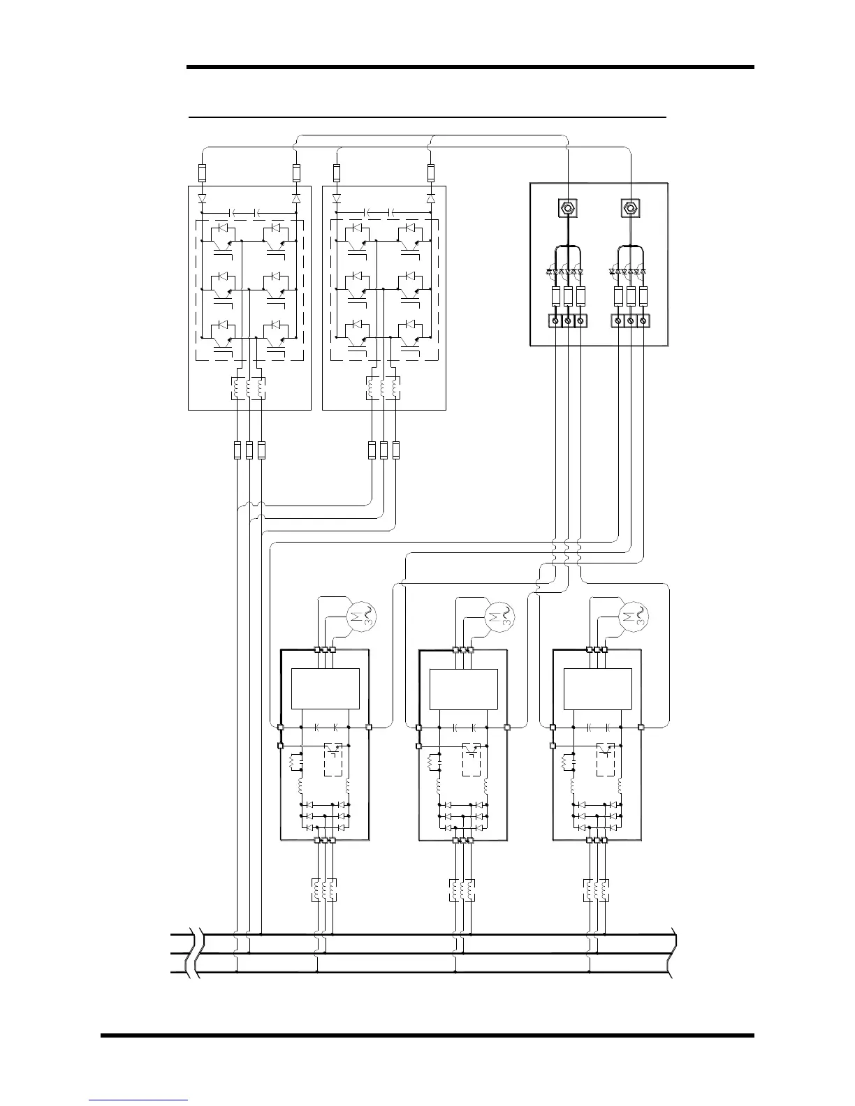
bonitron M3645 - Figure 3-11: M3645 Multiple Drives; Regens Field Wiring Diagram

bonitron M3645
56 pages
Print Icon
To Next Page IconTo Next Page
To Next Page IconTo Next Page
To Previous Page IconTo Previous Page
To Previous Page IconTo Previous Page
Loading...
M3645
28
Figure 3-11: M3645 Multiple Drives / Regens Field Wiring Diagram
DC -
DC +
M3345CBM
DRIVE 1 DC -
DRIVE 2 DC -
DRIVE 3 DC -
DRIVE 3 DC +
DRIVE 2 DC +
DRIVE 1 DC +
L3
L2L1
AC LINE
NEG.
REGEN
REGEN
POS.
DRIVE 1
CHOPPER
BRAKING
INTERNAL
INVERTER
DC+
DRIVE 2
CHOPPER
BRAKING
INTERNAL
INVERTER
DC+
DRIVE 3
CHOPPER
BRAKING
INTERNAL
INVERTER
DC+
REGEN
REGEN
DC+
DC-
DC-
DC-

Table of Contents