EasyManua.ls Logo

Bosch BMP581 - Page 49

Bosch BMP581
74 pages
Print Icon
To Next Page IconTo Next Page
To Next Page IconTo Next Page
To Previous Page IconTo Previous Page
To Previous Page IconTo Previous Page
Loading...
Bosch Sensortec"| BST-BMP581-DS004-02 49 | 74
Modifications reserved | Data subject to change
without notice Document number: BST-BMP581-DS004-02
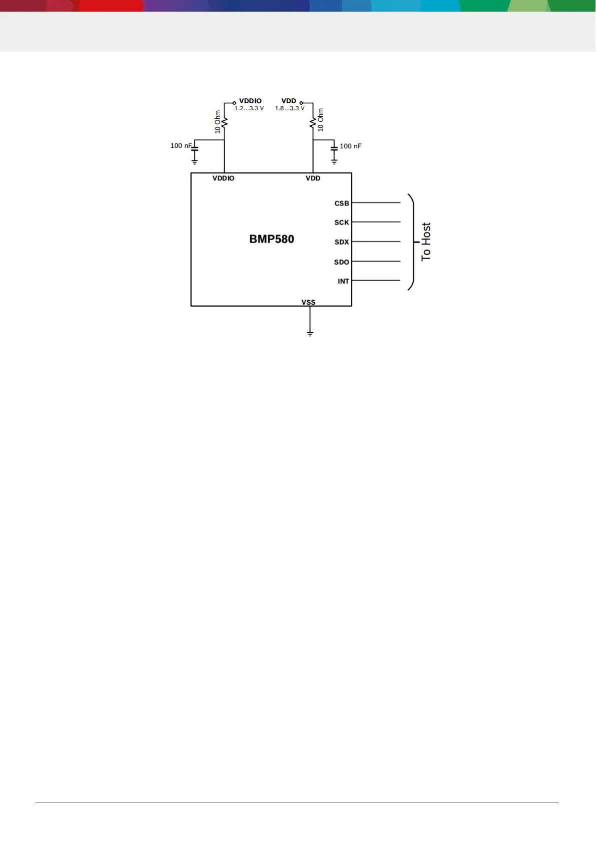
6.2.5 SPI/I²C/I3C Configuration with VDD, VDDIO ramp-up time <10 μs
Figure 23: SPI/I²C/I3C Configuration with fast VDD, VDDIO ramp-up times
If VDD or VDDIO ramp-up times are not controlled and are faster than 10us, like in a direct connection to battery, the
BMP581 inrush current should be externally limited to avoid damages from repeated power cycles using a 10 Ohm
resistance, as depicted in Figure 28.

Related product manuals