EasyManua.ls Logo

Bosch CL300 - Page 106

Bosch CL300
167 pages
Print Icon
To Next Page IconTo Next Page
To Next Page IconTo Next Page
To Previous Page IconTo Previous Page
To Previous Page IconTo Previous Page
Loading...
SystemModules
FlexibleAutomation
4−54
4.4.1.5 A 24V DC 2A−e 16outputs
0
1
2
3
4
5
6
7
0
1
2
3
4
5
6
7
24V
24V
24V
0V
0V
A24/2−e
Output
0
1
2
3
4
5
6
7
0
1
2
3
4
5
6
7
24V
24V
24V
0V
0V
.
.
.
.
.
.
.
.
0V
0V
0V
PinAssignment
OutputCircuit
24V
24V
24V
Internal0V
0
gn
0123
F1
External24V
0
1
2
3
1
2
4
5
0V
T2A
3
0
1
2
3
S ErrorMessage
rt
1
2
3
Output0
F
FrontPanel
checksum
errorLED
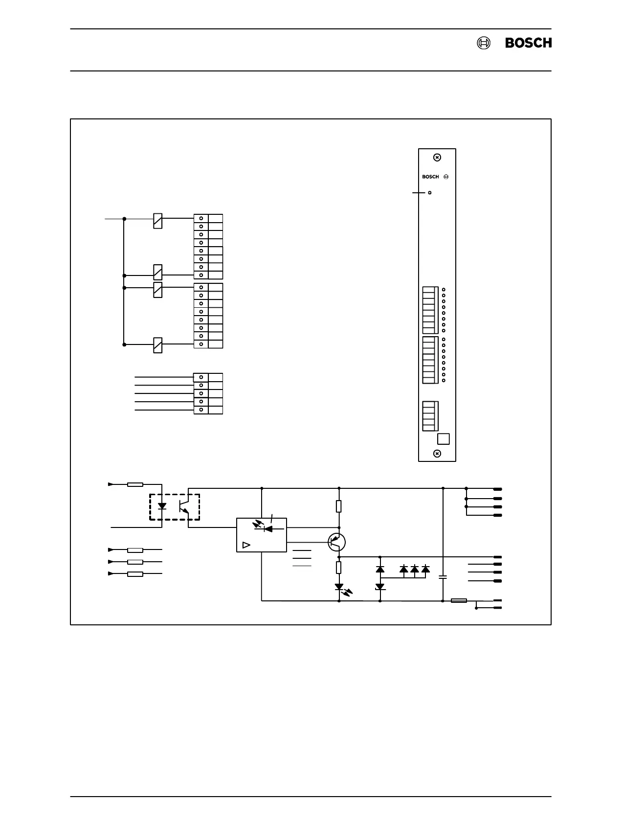
Fig.4−28A 24V DC 2 A−e 16outputs
Short−circuit protected to DIN VDE 0160 The module contains the
power connection, 16 outputs with one LED each for signal state indica
tion and a checksum error LED.
Protection A fuse (T2A) is provided for protection against polarity reversal of the sup
ply voltage. In case of a short circuit or overload the respective output is
deactivated and the checksum error LED lights. After 2 ms the output is
reactivated. If the short circuit is still present, the output is deactivated
again after 40 ms. The process is repeated after 2 ms.

Related product manuals