EasyManua.ls Logo

Bosch CL300 - Page 108

Bosch CL300
167 pages
Print Icon
To Next Page IconTo Next Page
To Next Page IconTo Next Page
To Previous Page IconTo Previous Page
To Previous Page IconTo Previous Page
Loading...
SystemModules
FlexibleAutomation
4−56
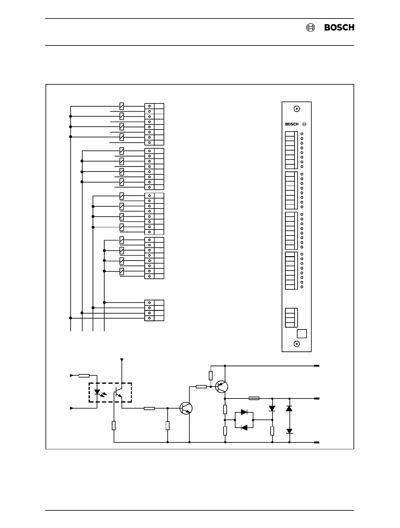
4.4.1.7 A 24V AC 2A 2−pin 16outputs
0
L
1
L
2
L
3
L
4
L
5
L
6
L
7
L
0
L
1
L
2
L
3
L
4
L
5
L
6
L
7
L
0V
0V
0V
0V
A24/2−
Output
0
L
1
L
2
L
3
L
4
L
5
L
6
L
7
L
0
L
1
L
2
L
3
L
4
L
5
L
6
L
7
L
0V
0V
0V
0V
PinAssignment
OutputCircuit

FF2.5A
External0V
Internal0V
0V 0V 0V 0V
0V
0V
0V
0V
24V
24V
24V
24V
24V
24V
24V
24V
24V
24V
24V
24V
24V
24V
24V
24V
U1
red
green
L
FrontPanel
Fig.4−30A 24V AC 2A 2−pin 16outputs
A common ground (0 V) is provided for 4 outputs each. The output state
is indicated by the green LED and a blown fuse is indicated by the red
LED. The red LED can only indicate a blown fuse when an output is
driven.

Related product manuals