EasyManua.ls Logo

Bosch CL300 - Page 48

Bosch CL300
167 pages
Print Icon
To Next Page IconTo Next Page
To Next Page IconTo Next Page
To Previous Page IconTo Previous Page
To Previous Page IconTo Previous Page
Loading...
Operation
FlexibleAutomation
3−4
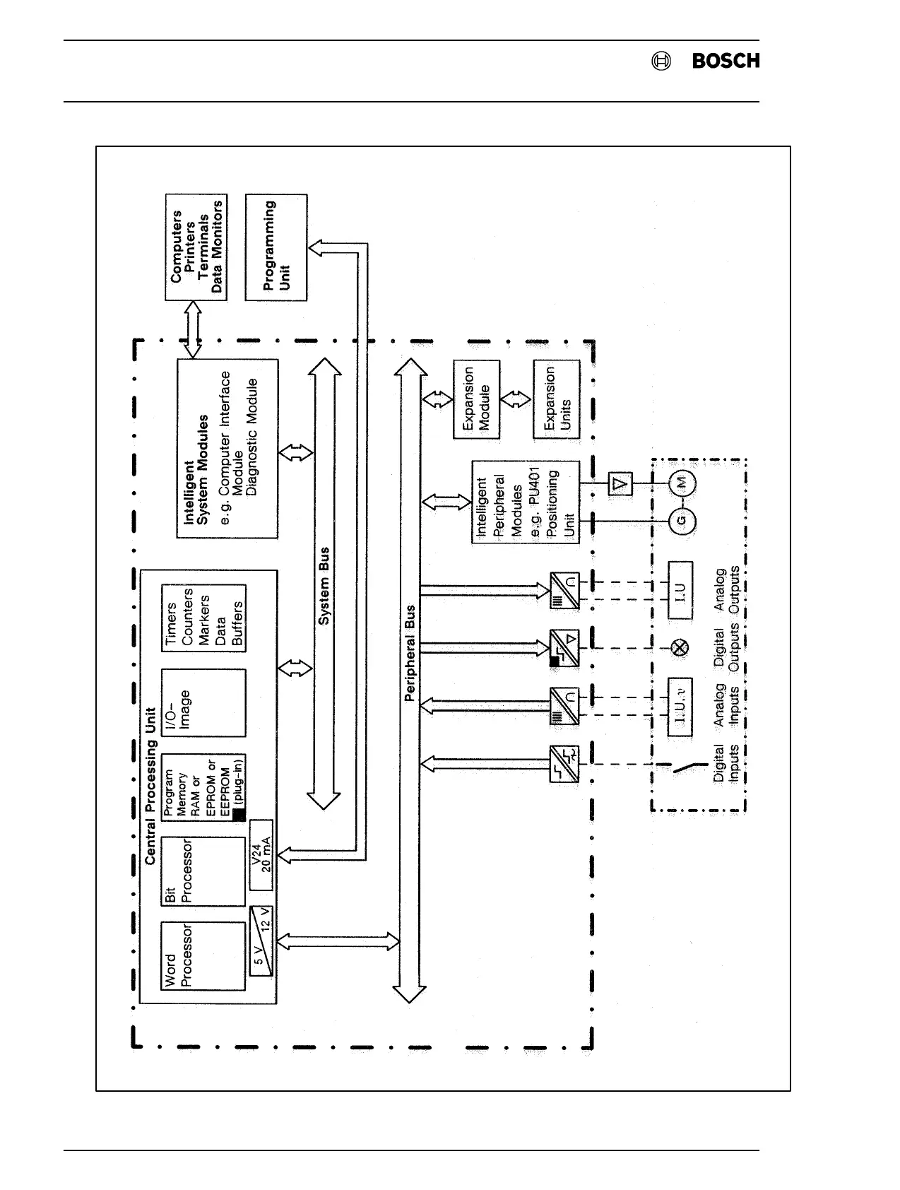
Fig.3−1Organizational Structure

Related product manuals