EasyManua.ls Logo

Bosch CRS 845 - System Overview; Hydraulics; CP1 Hydraulic System

Bosch CRS 845
Print Icon
To Next Page IconTo Next Page
To Next Page IconTo Next Page
To Previous Page IconTo Previous Page
To Previous Page IconTo Previous Page
Loading...
34
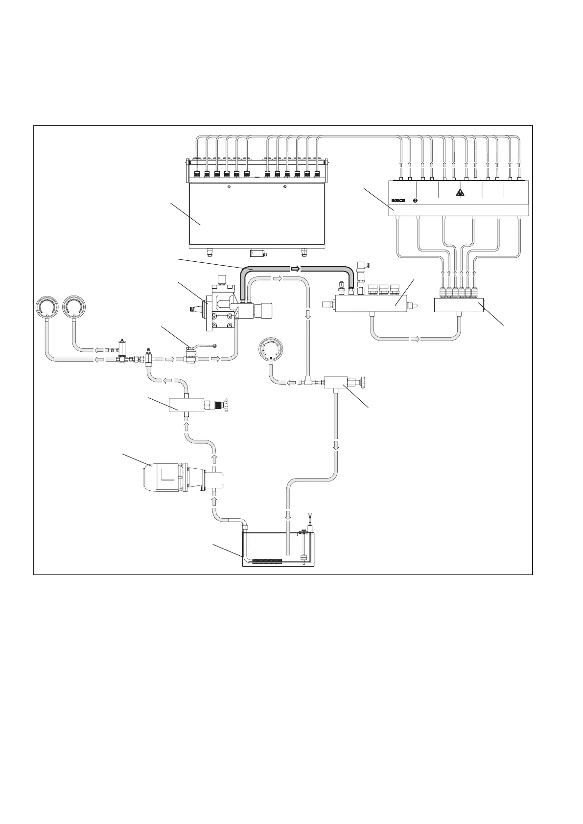
3. System overview
3.1 Hydraulics
3.1.1 CP1
1 KMA measuring unit
2 Heat exchanger
3 High-pressure rail with pressure sensors and pressure control valves
4 Distributor
5 Control valve for pump overflow pressure
6 EPS test oil tank
7 EPS test oil feed pump
8 Control valve for pump feed pressure
9 Feed tap
10 Common-rail high-pressure pump
11 High-pressure hose
kPa
0
100
200
300
400
500
600
MPa
0
1
2
3
4
5
6
kPa
-100
-50
0
50
100
150
200
250
1 2 3 4 5 6
1.1 1.2 2.1 2.2
3.1 3.2 4.1 4.2 5.1 5.2 6.1 6.2
458797-11
6
7
8
0-6 MPA 0-600 kPA
-100 - 250 kPA
9
10
11
1
2
3
5
4

Other manuals for Bosch CRS 845

Related product manuals