EasyManua.ls Logo

Bosch CRS 845 - Elektrische Verdrahtung

Bosch CRS 845
Print Icon
To Next Page IconTo Next Page
To Next Page IconTo Next Page
To Previous Page IconTo Previous Page
To Previous Page IconTo Previous Page
Loading...
12
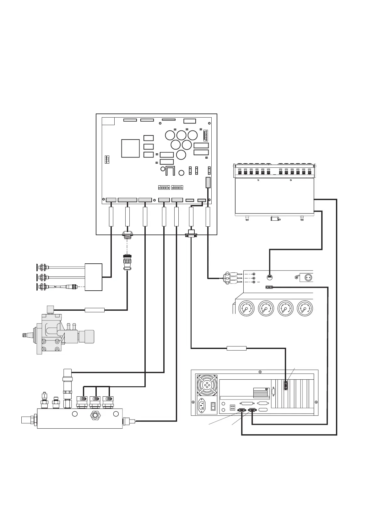
3.2 Elektrische Verdrahtung
3.2.1 Übersicht Gesamtanschluss
X14 X9 X7 X10 X12
X11 X13
X1 X3
X4
F1
V21
F2F3
X15
X16
X2
X6
X5
X8
A10
X10
1 684 465 486
V26V27
V24
V23
V22
X9
X1Keyboard
BOSCH
X2 Mouse
X7 LPT1
X3 COM1 X4 COM2
X25 USB1
X26 USB2
V
i
d
e
o
0
24V
12V
X7
X2
X2
X1
EPS
RD
RD
BK
12V
0V
24V
B13
B12
B11
X9
COM3
X10
Y6 Y7 Y8
COM1
COM2
KMA
KMA800
458797-10
1 684 465 485
1 684 462 333
1 684 465 484
1 684 465 483
1 684 465 482
1 684 448 322
1 684 462 511
1 684 465 388

Other manuals for Bosch CRS 845

Related product manuals