EasyManua.ls Logo

Bosch CRS 845 - Systemübersicht; Hydraulik

Bosch CRS 845
Print Icon
To Next Page IconTo Next Page
To Next Page IconTo Next Page
To Previous Page IconTo Previous Page
To Previous Page IconTo Previous Page
Loading...
9
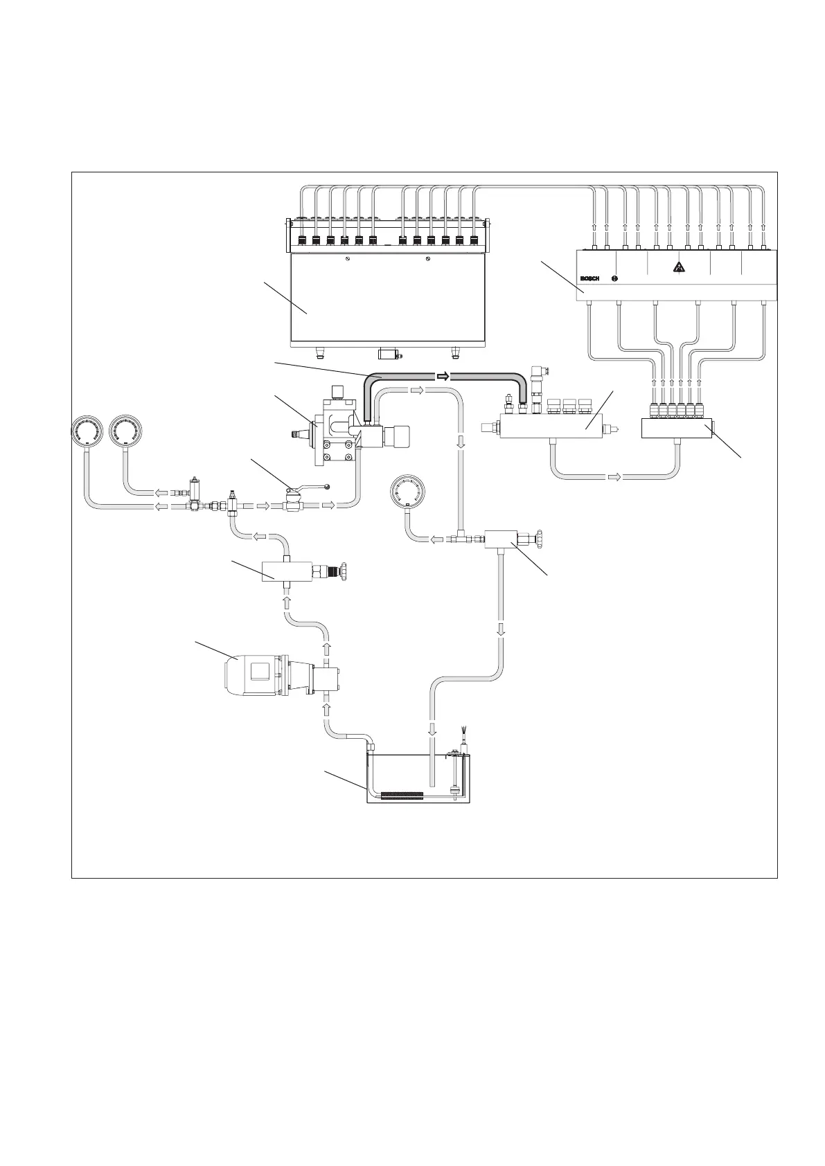
3. Systemübersicht
3.1 Hydraulik
3.1.1 CP 1
kPa
0
100
200
300
400
500
600
MPa
0
1
2
3
4
5
6
kPa
-100
-50
0
50
100
150
200
250
1 2 3 4 5 6
1.1 1.2 2.1 2.2
3.1 3.2 4.1 4.2 5.1 5.2 6.1 6.2
458797-11
6
7
8
0-6 MPA 0-600 kPA
-100 - 250 kPA
9
10
11
1
2
3
5
4
1 KMA Messeinheit
2 Wärmetauscher
3 Hochdruckrail mit Drucksensoren und Druckregelventilen
4 Mengenteiler
5 Regelventil für den Pumpenüberlaufdruck
6 EPS-Prüföltank
7 EPS-Prüfölförderpumpe
8 Regelventil für den Pumpenzulaufdruck
9 Zulaufhahn
10 CommonRail-Hochdruckpumpe
11 Hochdruckschlauch

Other manuals for Bosch CRS 845

Related product manuals