EasyManua.ls Logo

Bosch CRS 845 - Electrical Wiring Diagrams

Bosch CRS 845
Print Icon
To Next Page IconTo Next Page
To Next Page IconTo Next Page
To Previous Page IconTo Previous Page
To Previous Page IconTo Previous Page
Loading...
52
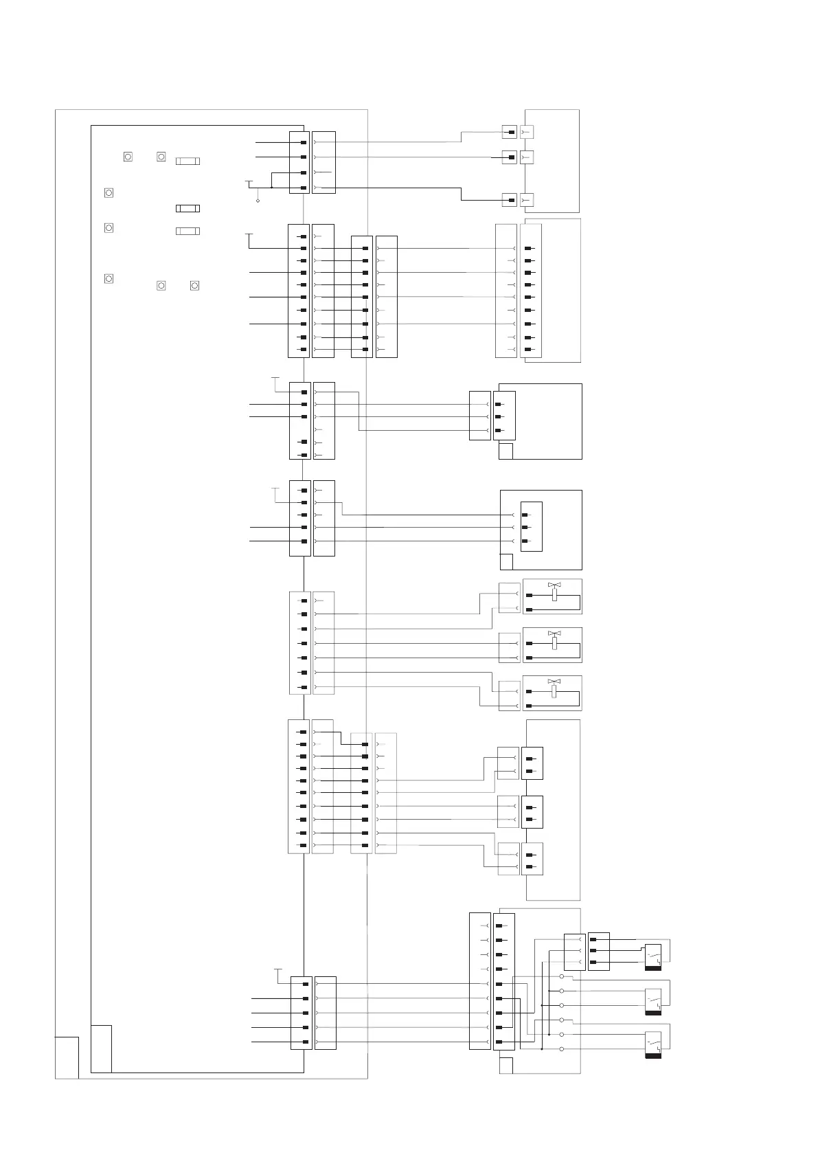
6.2 Electrical wiring diagrams
458797-13
A10.1
A10
X14
X10
B11
B12
1
1
1
1
1
2
2
2
2
2
3
3
3
3
3
4
4
4
4
5
1
2
3 4
5
5
5
6
6
8
8
7
7
65
WH (ws)
WH (ws)
BN (bn)
GN (gn)
YE (ge)
GY (gr)
PK (rs)
BN (bn)
BN (bn)
BN (bn)
BN (bn)
BU (bl)
BU (bl)
BU (bl)
BK (sw)
BK (sw)
BK (sw)
GN (gn)
YE (ge)
GY (gr)
12V
IN_U_B13
IN_U_B12
IN_U_B11
9
9
+ -
B13
+ -+ -
X10.2
X10.1
X10 B9
2
2
1
3
3
2
4
4
3
5
5
6
6
WH (ws)
BN (bn)
GN (gn)
X12
X3
F1
V24
B10
2
2
1
1
3
2
4
4
3
1
2
3
5
5
6
6
WH (ws)
12V
5V
IN_U_P2
IN_I_P1
BN (bn)
GN (gn)
1
KMA800
EPS
1 2
3 4 5 6 7 8 9 10
1 6
2 7 3 8 4 9 5
BOOT
TX_PC
RX_PC
1 2 3 4 5 6 7 8 9 10
1 6 2 7 3 8 4 9 5
1 6 2 7 3 8 4 9 5
1 6
2 7 3 8 4 9 5
X7
X9
1
1
2
2
3 4
5
1
2
3 4
5
6
6
7
7
WH (ws)
BN (bn)
GN (gn)
YE (ge)
GY (gr)
PK (rs)
1
2
Y6
1
2
Y7 Y8
1 2
3 4 5 6 7 8 9 10
1 2
3 4 5 6 7 8 9
1 2 3 4 5 6 7 8 9 10
1 2 3 4 5 6 7 8 9
1 2
1 2 1 2
DRV
DMV1
ZME
EAV
DMV2 Speedsensor
CP1
CP2
CP3
F2F3
V27 V26
V19
V21V23
V22
1 3
X4
1 2 3 4
24V_E
12V_E
P1
4
WH (ws)
BN (bn)
GN (gn)
X4
X5
X6
BK
RD
RD
0V
12V
24V

Other manuals for Bosch CRS 845

Related product manuals