EasyManua.ls Logo

BRANNSTROM BilgMon488 - Installation Procedures; Mechanical Installation

BRANNSTROM BilgMon488
38 pages
Print Icon
To Next Page IconTo Next Page
To Next Page IconTo Next Page
To Previous Page IconTo Previous Page
To Previous Page IconTo Previous Page
Loading...
BilgMon488 Instruction Manual vAD 8(38)
BRANNSTROM SWEDEN AB
www.brannstrom.se
8 INSTALLATION
NOTE: If drain valve is fitted. It should always be closed while separator is running.
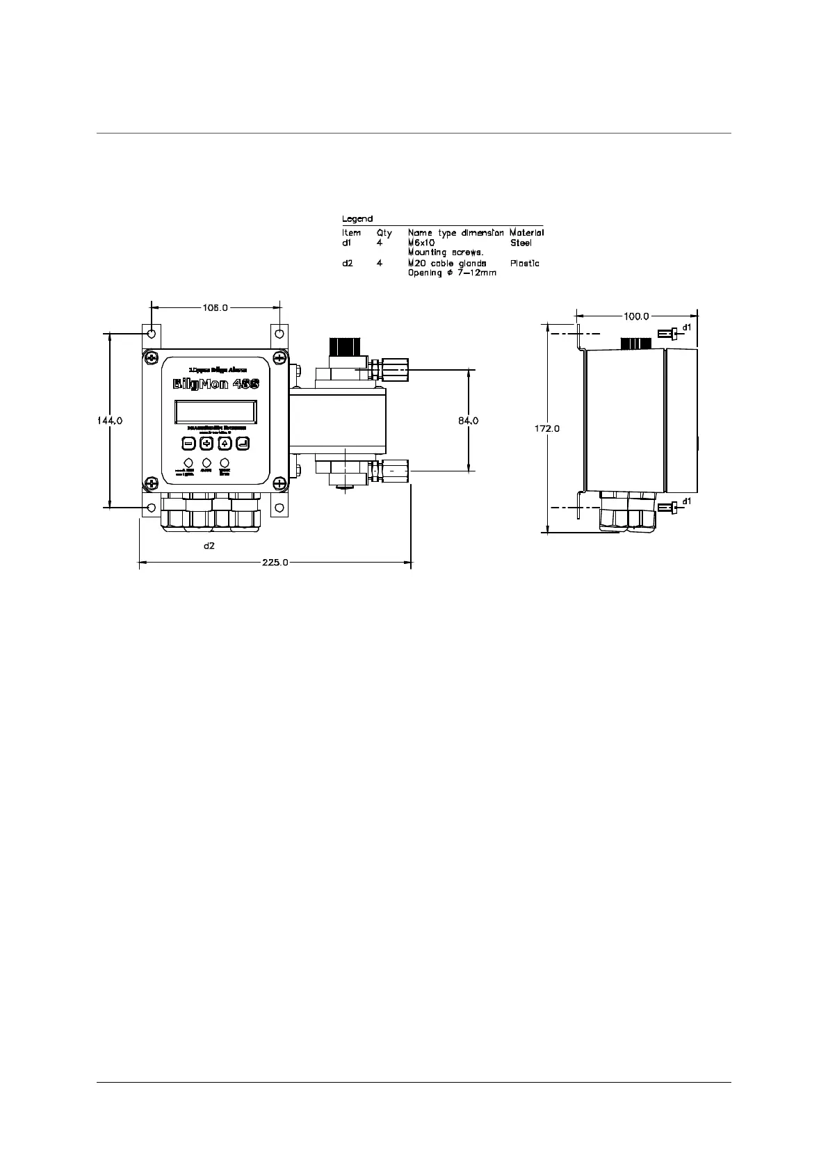
8.1 MECHANICAL
Illustration 1: Mechanical installation

Table of Contents