EasyManua.ls Logo

BRANNSTROM BilgMon488 - Tube Arrangement Alternatives

BRANNSTROM BilgMon488
38 pages
Print Icon
To Next Page IconTo Next Page
To Next Page IconTo Next Page
To Previous Page IconTo Previous Page
To Previous Page IconTo Previous Page
Loading...
BilgMon488 Instruction Manual vAD 9(38)
BRANNSTROM SWEDEN AB
www.brannstrom.se
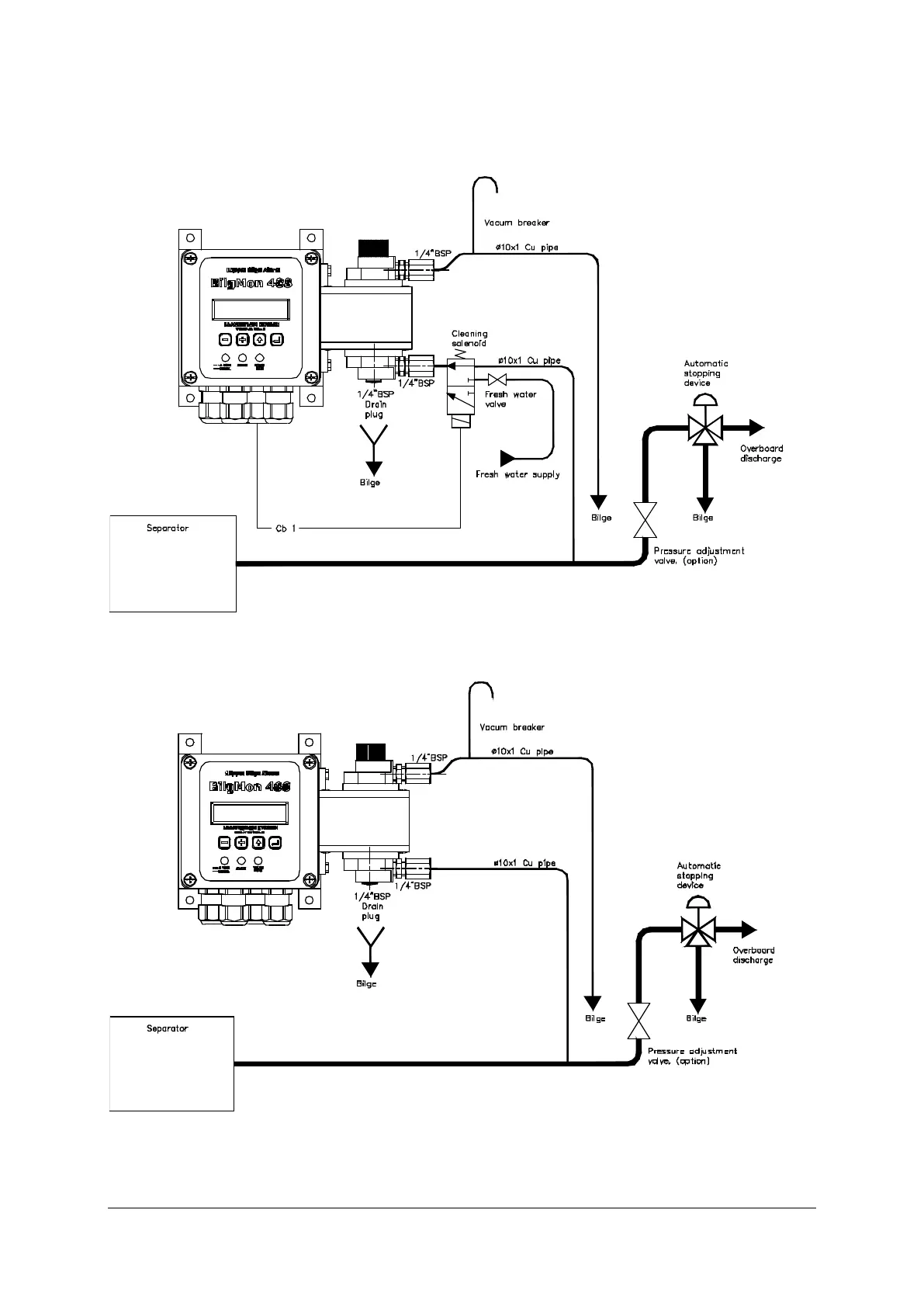
8.2 TUBE ARRANGEMENT
8.2.1 Alternative 1
Illustration 2: Tube arrangement alt. 1
8.2.2 Alternative 2
Illustration 3: Tube arrangement alt. 2.

Table of Contents