EasyManua.ls Logo

Buell 2005 FIREBOLT - Page 287

Buell 2005 FIREBOLT
621 pages
Print Icon
To Next Page IconTo Next Page
To Next Page IconTo Next Page
To Previous Page IconTo Previous Page
To Previous Page IconTo Previous Page
Loading...
4-18 2005 Buell Firebolt: Fuel System
HOME
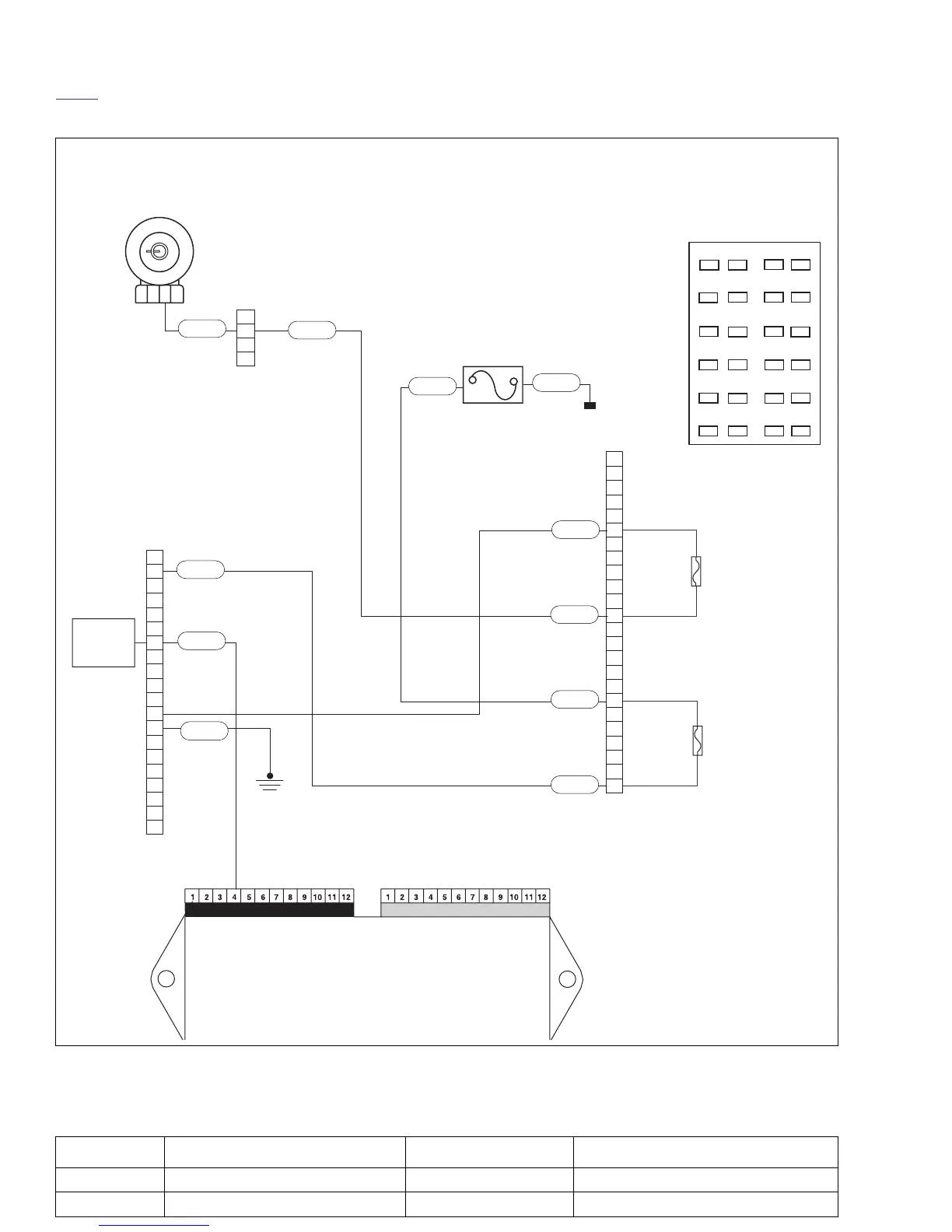
Figure 4-15. Check Engine Lamp Circuit
1
2
3
4
1
3
4
5
6
7
8
9
10
11
12
13
14
15
16
17
18
19
20
21
22
23
24
2
1
2
3
4
5
6
7
8
9
10
11
12
13
14
15
16
17
18
19
20
19
20
21
22
23
24
13
14
15
16
17
18
1
2
3
4
5
6
7
8
9
10
11
12
11
Spare
Diode
Bk/Hn/Mflr
Fan
IGN
Acces.
Key Sw
Lights
ECM
Spare
Empty
Empty
O/W
BK
Ignition
Switch
[33]
To battery
Electronic Control Module
(ECM)
Connector [10]
Connector [11]
Instrument
Module [39]
R
BK/W
R/Y
R/GY
O/W
R
R
R
Main Fuse
Fuse Block
Check
Engine
Lamp
Accessory
Fuse
Key Switch
Fuse
b1081b4x
Top View
R/GY
R/GY
Table 4-9. Wire Harness Connectors in Figure 4-15.
NO. DESCRIPTION TYPE LOCATION
[10] ECM (black) 12-place Deutsch in fairing
[39] instrument module 20-place Multilock in fairing

Table of Contents

Related product manuals