EasyManua.ls Logo

BVM Bandit arf - Air Diagram

BVM Bandit arf
63 pages
Print Icon
To Next Page IconTo Next Page
To Next Page IconTo Next Page
To Previous Page IconTo Previous Page
To Previous Page IconTo Previous Page
Loading...
Assembly & Operation Manual
BVM © 2009 K5300-Current_manual-090808.doc Page 44 12/2/2009
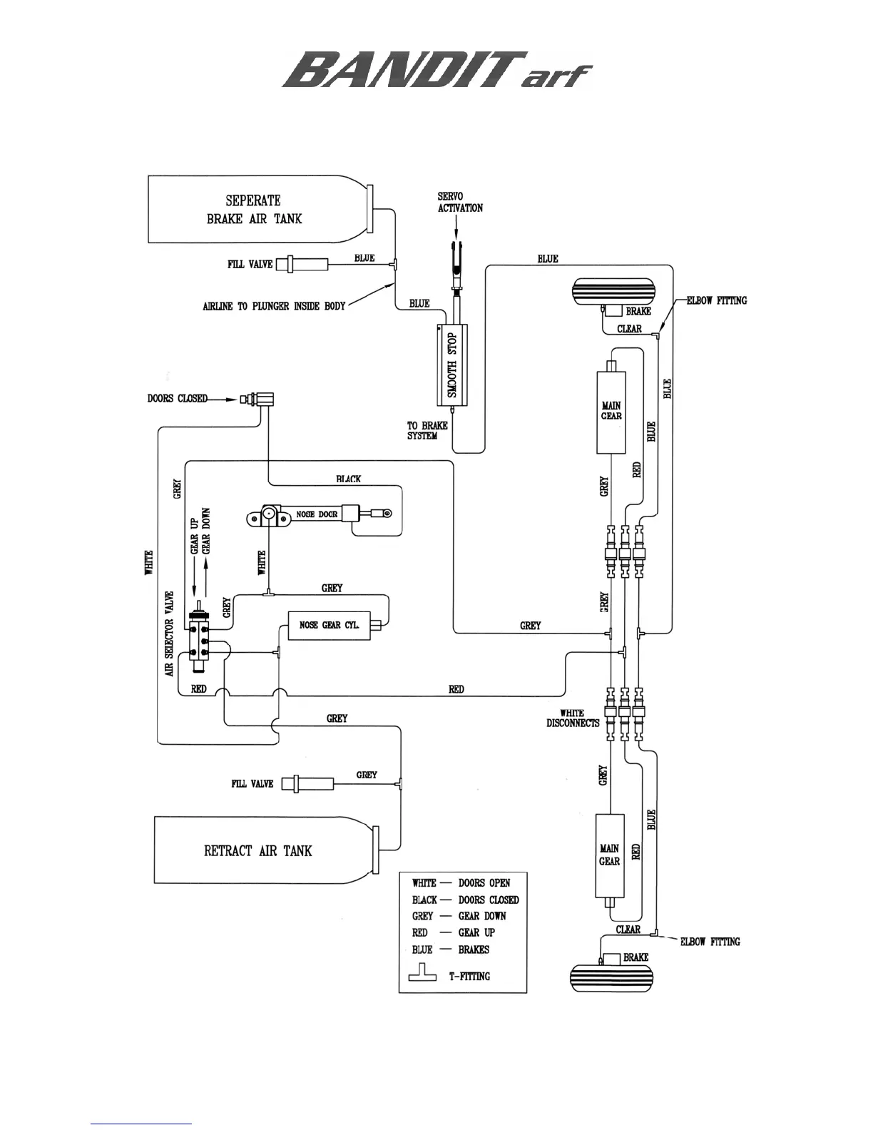
AIR DIAGRAM

Table of Contents

Related product manuals