EasyManua.ls Logo

Calrec M3 - BLOCK DIAGRAM

Calrec M3
110 pages
Print Icon
To Next Page IconTo Next Page
To Next Page IconTo Next Page
To Previous Page IconTo Previous Page
To Previous Page IconTo Previous Page
Loading...
M3
...............................................................................................................................................................................
43
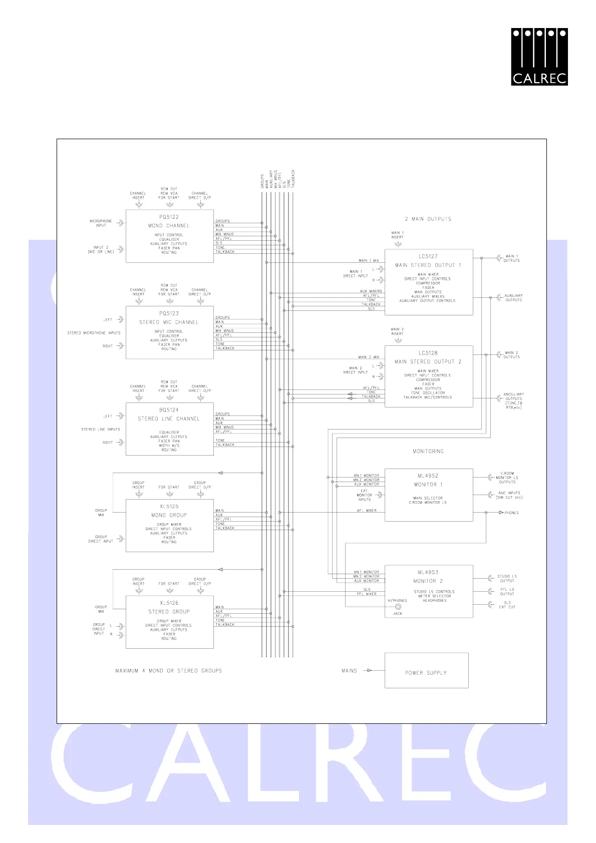
BLOCK DIAGRAM
(0579-27)
SMALL CHASSIS UP TO 10 CHANNELS
MEDIUM CHASSIS UP TO 24 CHANNELS
LARGE CHASSIS UP TO 38 CHANNELS
MAXIMUM 4 MONO OR STEREO GROUPS CAN BE FITTED

Table of Contents

Related product manuals