EasyManua.ls Logo

Canon Canovision8 E50E - Page 5

Canon Canovision8 E50E
179 pages
Print Icon
To Next Page IconTo Next Page
To Next Page IconTo Next Page
To Previous Page IconTo Previous Page
To Previous Page IconTo Previous Page
Loading...
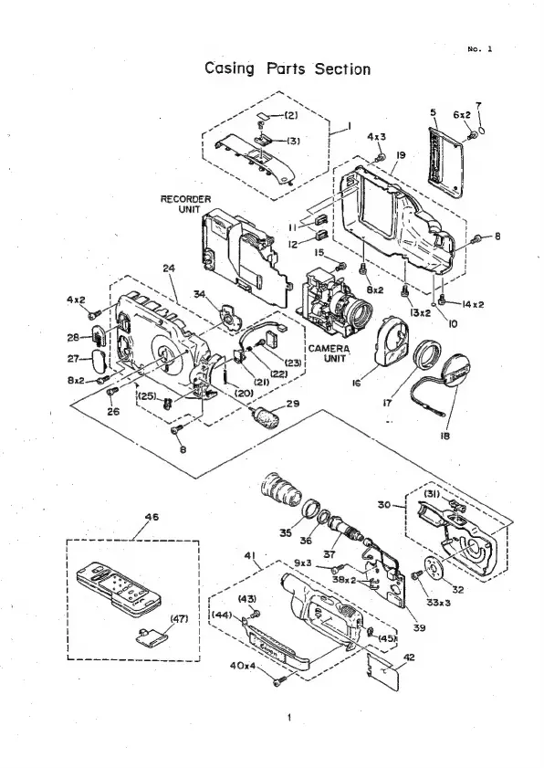
Casing
Parts
Section
oO

Table of Contents

Related product manuals