EasyManua.ls Logo

Canon Canovision8 E50E - Page 93

Canon Canovision8 E50E
179 pages
Print Icon
To Next Page IconTo Next Page
To Next Page IconTo Next Page
To Previous Page IconTo Previous Page
To Previous Page IconTo Previous Page
Loading...
-
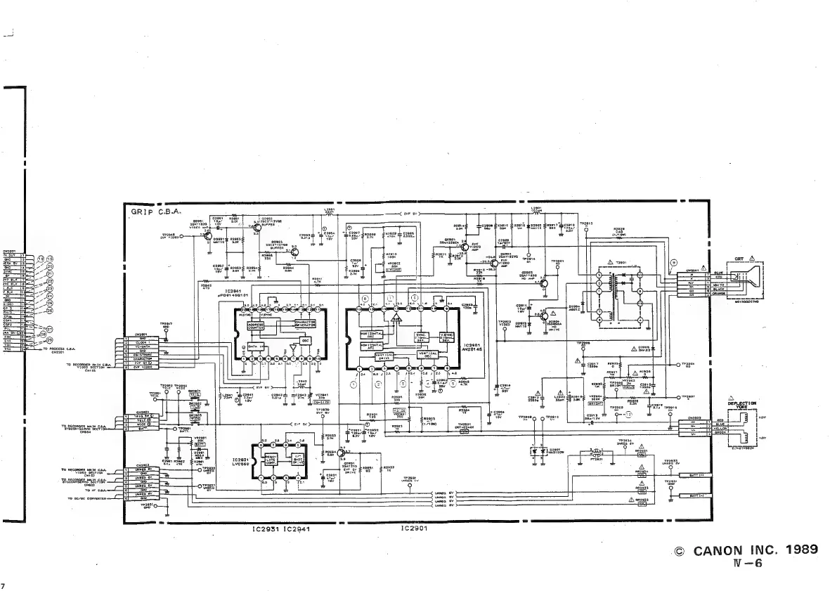
GRIP
C.B.A.
ease;
aon
52081
oan
a5art620
bs
Vives
ane
yer
6
eve
Vise!
Teggos
Ue?
de
nzes2d
azose:
SB
BASSE
SEK!
3007
Fa
ee
oO
PROLESs
can.
on
ERE
een
Oe
r
rt
aT
i
P<
To
Reconogn,
main
‘eR
Seer
0,9,0,
Onc,
er
[3008
rary
egee2
7E2898
=n er
ay
OQ
3280
Types
as)
an
7s
ees
esc
Te
ea
sexe
bv
To
aeconore
aww
ca.
BSEER
ERS
BES
‘eneoe
ao
7
ae
ite
Te2833,
isesee
BE
ro
ntcenagn
wan
ca
oe
a
Sat
_
es
RASS
At
See
vane
To
pevoc
converren.
1¢€2931
102941
162901
©
CANON
INC.
1989
W-6

Table of Contents

Related product manuals