EasyManua.ls Logo

Canrig PC3000-26 - Drawing ID: 183100002 (1 of 2) Rev No: D

Default Icon
428 pages
Print Icon
To Next Page IconTo Next Page
To Next Page IconTo Next Page
To Previous Page IconTo Previous Page
To Previous Page IconTo Previous Page
Loading...
183100002.dwg ()
2 of 4
JIC MMF Run Tee
8-8-8
JIC MMF Tee
8-8-8
JIC MMF Run Tee
8-8-8
8-8
Straight JIC Hose End
ORB x JIC Straight
8-8
JIC MMF Tee
8-8-8
JIC MMF Run Tee
8-8-8
8-8
Straight JIC Hose End
ORB x JIC Straight
8-8
PIPE RACK DS
FRONT
A
BB
A
PIPE RACK DS
MIDDLE
B
A
PIPE RACK DS
REAR
B
A
INDE XER D S
INNER
B
A
INDE XER D S
OUTER
B
A
PIPE RACK
ODS FRONT
B
A
PIPE RACK
ODS M IDDLE
B
A
PIPE RACK
ODS REAR
BB
A
A
INDE XER O DS
INNER
INDEXER
ODS OUTER
B
A
MAIN WINCH
DRIVE
90 JIC Hose End
8-8
90 JIC Hose End
8-8
Long 90 JIC Hose End
8-8
ORB x JIC Straight
8-8
ORB x JIC Straight
8-8
ORB x JIC 90 Elbow
8-8
8-8
Straight JIC Hose End
8-8
Straight JIC Hose End
ORB x JIC 90 Elbow
8-8
8-8
Straight JIC Hose End
8-8
Straight JIC Hose End
ORB x JIC 90 Elbow
8-8
ORB x JIC 90 Elbow
8-8
JIC Bulkhead Tee
8-8-8
JIC Bulkhead Tee
8-8-8
JIC MMF Run Tee
8-8-8
8-8
Straight JIC Hose End
8-8
Straight JIC Hose End
8-8
Straight JIC Hose End
ORB x JIC Straight
8-8
8-8
Straight JIC Hose End
ORB x JIC Straight
8-8
JIC 90 Bulkhead
8-8
8-8
Straight JIC Hose End
8-8
Straight JIC Hose End
JIC 90 Bulkhead
8-8
8-8
Straight JIC Hose End
8-8
Straight JIC Hose End
ORB x JIC 90 Elbow
8-8
ORB x JIC 90 Elbow
8-8
8-8
Straight JIC Hose End
8-8
Straight JIC Hose End
8-8
Straight JIC Hose End
8-8
Straight JIC Hose End
8-8
Straight JIC Hose End
8-8
Straight JIC Hose End
JIC 90 Bulkhead
8-8
8-8
Straight JIC Hose End
8-8
Straight JIC Hose End
JIC 90 Bulkhead
8-8
Long 90 JIC Hose End
8-8
Long 90 JIC Hose End
8-8
90 JIC Hose End
8-8
ORB x JIC Straight
10-8
ORB x JIC Straight
10-8
ORB x JIC Straight
10-8
ORB x JIC Straight
10-8
ORB x JIC Straight
10-8
ORB x JIC Straight
10-8
ORB x JIC Straight
10-8
ORB x JIC Straight
10-8
ORB x JIC Straight
10-8
ORB x JIC Straight
10-8
ORB x JIC Straight
10-8
ORB x JIC Straight
10-8
ORB x JIC Straight
10-8
ORB x JIC Straight
10-8
ORB x JIC 90 Elbow
8-8
ORB x JIC 90 Elbow
8-8
ORB x JIC 90 Elbow
8-8
ORB x JIC 90 Elbow
8-8
ORB x JIC 90 Elbow
8-8
ORB x JIC 90 Elbow
8-8
ORB x JIC 90 Elbow
8-8
ORB x JIC 90 Elbow
8-8
JIC x NPT 45 Elbow
12-12
Code 61 Flange Check
20-20
JIC MMF Run Tee
20-20-20
ORFS MMF Tee
16-16-16
ORB x ORFS Straight
16-16
16-16
Straight ORFS Hose End
16-16
Straight ORFS Hose End
8-8
Straight JIC Hose End
90 JIC Hose End
20-20
16-16
JIC Bulkhead Straig ht
JIC MMF Tee
16-16-16
16-16
Straight JIC Hose End
16-16
JIC Bulkhead Straig ht
MJIC X FJIC RE DUCER
20-16
8-8
Straight JIC Hose End
90 JIC Hose End
20-20
MJIC X FJIC REDUCER
8-16
16-16
ORFS Bulkhead Straight
8-8
Straight JIC Hose End
12-12
Straight JIC Hose End
16-16
JIC Bulkhead Straight
8-8
JIC Bulkhead Straight
12-12
JIC Bulkhead Straight
16-16
Straight JIC Hose End
16-16
Straight ORFS Hose End
Long 90 ORFS Hose End
16-16
Long 90 JIC Hose End
16-16
Long 90 JIC Hose End
16-16
Long 90 JIC Hose End
16-16
16-16
Straight JIC Hose End
16-16
Straight JIC Hose End
16-16
Straight ORFS Hose End
16-16
Straight ORFS Hose End
4-4
Straight JIC Hose End
Denision 4VP01
P
T
ORB x JIC Straight
8-8
90 JIC Hose End
8-8
90 JIC Hose End
4-4
INDEXER
DS
OUTER
INDEXER
DS
INNER
PIPE RACK DS
REAR
PIPE RACK DS
MIDDLE
PIPE RACK DS
FRONT
INDEXER
DS
INNER
INDEXER
DS
OUTER
INDEXER
DS
OUTER
INDEXER
DS
INNER
CONNECTED TO PUMP PRESSURE LINE,
SEE NOTE ON TANK DETAIL
TANK DETAIL
PUMP PRESSURE LINE
SYSTEM RETURN LINE
INSTALL ALL HOSES THROUGH
TRAY UNDER CARRIER SYSTEM
SEE PAGE 2 FOR
OFF DRILLERS
SIDE PLUMBING
CONNECT P & T LINES TO CARRIER,
THROUGH GORTRAC LOOP
TO RAMP PLUMBING SCHEMATIC
WINCH A & B
TO RAMP PLUMBING SCHEMATIC,
PRESSURE AND RETURN LINES
PRESSURE REDUCING VALVE
SEE HYDRAULIC
SCHEMATIC FOR PT#
DANFOSS PVG32 VALVE BANK
SEE HYDRAULIC SCHEMATIC
FOR PART NUBMER
CONNECTED TO SYSTEM
RETURN LINE,
SEE NOTE ON TANK DETAIL
ORB x JIC Straight
24-20
ORB x JIC Straight
16-20
ORB x JIC Straight
12-16
ORB x ORFS Straight
12-16
90 ORFS Hose End
16-16
ORB x JIC Straight
12-8
ORB x JIC Straight
8-8
ORB x JIC Straight
8-8
8-8
Straight JIC Hose End
8-8
Straight JIC Hose End
8-8
Straight JIC Hose End
8-8
Straight JIC Hose End
ORB x JIC 90 Elbow
8-8
ORB x JIC 90 Elbow
8-8
ORB x JIC Straight
8-8
ORB x JIC Straight
8-8
8-8
Straight JIC Hose End
8-8
Straight JIC Hose End
8-8
Straight JIC Hose End
8-8
Straight JIC Hose End
ORB x J IC 90 Elb ow
8-8
ORB x J IC 90 El bow
8-8
ORB x JIC Straight
8-8
ORB x JIC Straight
8-8
8-8
Straight JIC Hose End
8-8
Straight JIC Hose End
8-8
Straight JIC Hose End
8-8
Straight JIC Hose End
8-8
Straight JIC Hose End
8-8
Straight JIC Hose End
8-8
Straight JIC Hose End
8-8
Straight JIC Hose End
8-8
Straight JIC Hose End
8-8
Straight JIC Hose End
8-8
Straight JIC Hose End
8-8
Straight JIC Hose End
8-8
Straight JIC Hose End
8-8
Straight JIC Hose End
8-8
Straight JIC Hose End
8-8
Straight JIC Hose End
8-8
Straight JIC Hose End
8-8
Straight JIC Hose End
ORB x JIC Straight
10-8
ORB x JIC Straight
10-8
8-8
Straight JIC Hose End
8-8
Straight JIC Hose End
8-8
Straight JIC Hose End
90 JIC Hose End
8-8
8-8
Straight JIC Hose End
90 JIC Hose End
8-8
JIC MMF Tee
ORB x ORFS Straight
16-16
16-16
Straight JIC Hose End
8-8-8
JIC TE E MMM
8-8
Straight JIC Hose End
8-8
Straight JIC Hose End
8-8
Straight JIC Hose End
CONNECTED TO 4VP01 TANK LINE,
SEE NOTE ON TANK DETAIL
PRV TANK LINE
JIC MMF Run Tee
20-20-20
1
6
-
1
6
S
t
r
a
ig
h
t
J
IC
H
o
s
e
E
n
d
1
6
-
1
6
S
t
r
a
ig
h
t
J
IC
H
o
s
e
E
n
d
M
J
IC
X
F
J
IC
R
E
D
U
C
E
R
1
6
-
2
0
MJIC X FJIC REDUCER
16-20
16-16
ORB x FJIC Straight
ORB x JIC Straight
16-16
8
-
8
S
t
r
a
ig
h
t
J
IC
H
o
s
e
E
n
d
8
-
8
S
t
r
a
ig
h
t
J
IC
H
o
s
e
E
n
d
9
0
J
IC
H
o
s
e
E
n
d
8
-
8
L
o
n
g
9
0
J
IC
H
o
s
e
E
n
d
8
-
8
ORB x JIC Straight
10-8
ORB x JIC Straight
10-8
9
0
J
IC
H
o
s
e
E
n
d
8
-
8
L
o
n
g
9
0
J
IC
H
o
s
e
E
n
d
8
-
8
ORB x JIC Straight
10-8
ORB x JIC Straight
10-8
JIC x NPT Straight
12-12
90 JIC Hose End
12-12
TO RAMP BULKEAD
TO TANK
SEE NOTE ON TANK DETAIL
#23
#24
#22
#21
#19
#20
#16
#15
#8
#7
#40
#42
#41
#39
#38
#37
#154
#153
#148
#142
#135
#136
#152
#151
#32
#31
#33
#34
#26
#25
#28
#30
#27
#29
#49
#50
#47
#48
#45
#46
#211
#210
#49
#50
#49
#50
#142
#137
#131
#132
#145
#150
#144
#111
#147
#146
#137
#131
#147
#152
#134
#133
#130
#151
#42
#41
#30
#29
#35
#36
8
-
8
S
t
r
a
ig
h
t
J
IC
H
o
s
e
E
n
d
8
-
8
S
t
r
a
ig
h
t
J
IC
H
o
s
e
E
n
d
8
-
8
S
t
r
a
ig
h
t
J
IC
H
o
s
e
E
n
d
O
R
B
x
N
P
T
9
0
E
lb
o
w
8
-
1
2
8-8
Straight JIC Hose End
45 JIC Hose End
20-20
ORB x JIC 90 Elbow
8-4
O
R
B
x
J
IC
9
0
E
lb
o
w
8
-4
J
IC
x
N
P
T
S
t
r
a
ig
h
t
1
2
-
1
2
FJIC x NPT 90 Elbow
12-12
NOTE:
#140 & #141
Are located inside tank.
#125
#128
#129
#117
FROM RAMP
#213
ORB x JIC 90 Elbow
8-8
ORB x JIC 90 Elbow
8-8
8-8
Straight JIC Hose End
8-8
Straight JIC Hose End
8
-
8
S
t
r
a
ig
h
t
J
IC
H
o
s
e
E
n
d
8
-
8
S
t
r
a
ig
h
t
J
IC
H
o
s
e
E
n
d
8-8
Straight JIC Hose End
8-8
Straight JIC Hose End
#44
#43
ORB x JIC Str
12-8
ORB x JIC Str
12-8
ORB x JIC Straight
12-8
ORB x JIC Straight
12-8
ORB x JIC 90 Elbow
12-8
ORB x JIC 90 Elbow
12-8
Y/M/D
No.
BY
REVISIONS
NOTICE
THE DRAWING, INFORMATION AND SUBJECT MATTER HEREOF ARE THE
CONFIDENTIAL, SOLE AND EXCLUSIVE PROPERTY OF CANRIG DRILLING
TECHNOLOGIES CANADA LTD. AND ARE NOT TO BE COPIED,
WHATSOEVER WITHOUT THE WRITTEN CONSENT OR DIRECTION.
DRAWN BY:
CHECKED BY:
SCALE: SIZE:
D
DATE ISSUED:
REV.
ELECTRICAL SPECIFICATIONS
ELECTRICAL ENCLOSURES
All electrical enclosures will be rated Nema
4 or better and of Stainless Steel
construction unless otherwise stated.
ELECTRICAL COLOR CODE
Digital Input ------ Orange
Digital Output ---- Yellow
Analog Input ----- Red
Analog Output --- White
24 VDC Power ---- Red
0 Volt -------------- Black
AC Ground -------- Green
ELECTRICAL WIRING
All electrical wiring will be to CSA
starndards for non classified, zone 0 and
zone 1. Requirments
DRAWING #: SHEET #:
APPROVED BY:
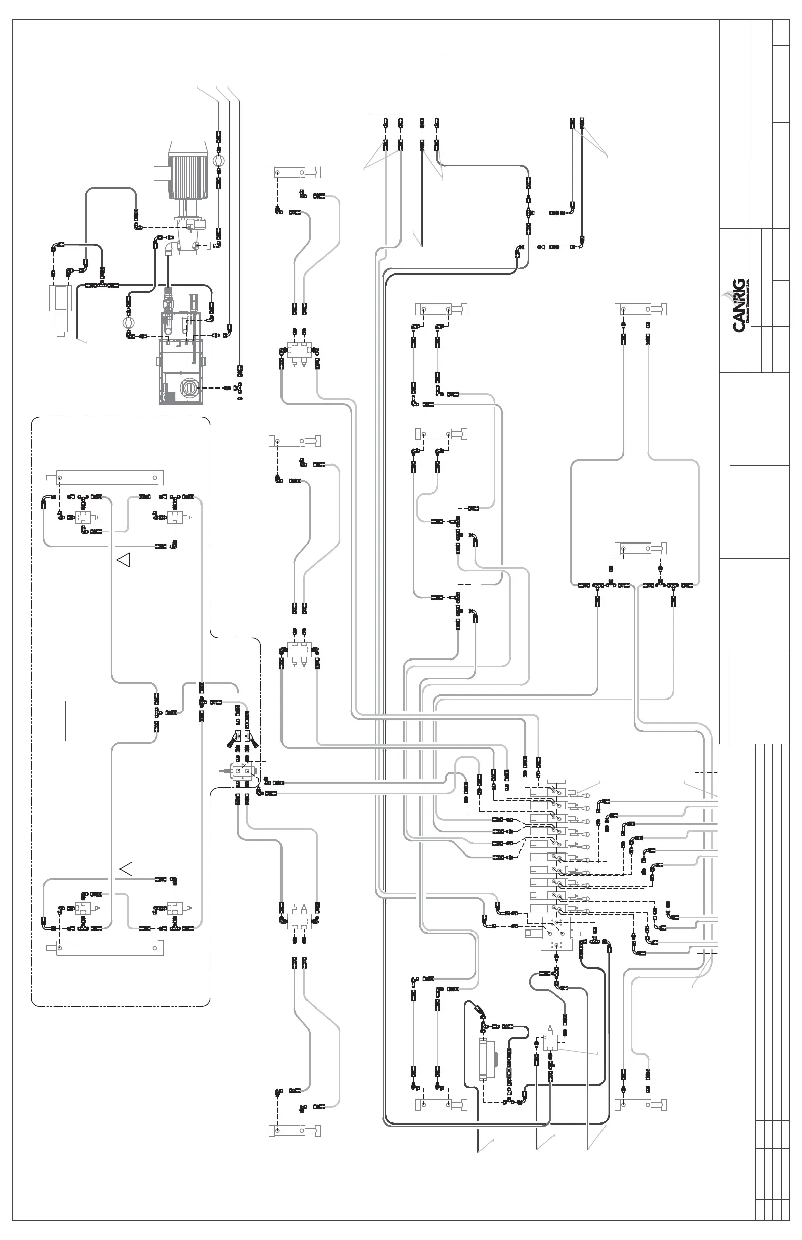
HYDRAULIC SPECIFICATIONS
HYDRAULIC COLOR CODE
Pressure ---------- Red
Return ------------ Blue
Work Port A ------ Orange
Work Port B ------ Green
Pilot Flow --------- Brown
Symbols ---------- Black
HYDRAULIC PLUMBING
All HYDRAULIC HOSE TO BE RATED FOR A
MINIMUM OF 3000 PSI, TOUGH COVER, JIC
37 ° FLARE CONNECTION UNLESS OTHERWISE
STATED. ALL ADAPTER FITTINGS TO BE ORB
OR JIC UNLESS OTHERWISE STATED
PC3000 CATWALK ASSEMBLY
HYDRAULIC PLUMBING SCHEMATIC
GWL
NTS
12/08/24
183100002
D
1 OF 2
REV.
SHEET #:
B
12/08/24 SH
ADDED HYDRAULIC RAMP PIVOT KIT CIRCUIT, CHANGED END HOSE FITTINGS TO ORFS (6000psi)
V-DOOR LIFT
DS
20-16
Straight ORFS Hose End
8-8
Straight JIC Hose End
8-8
Straight JIC Hose End
8
-
8
S
t
r
a
ig
h
t
J
IC
H
o
s
e
E
n
d
8-8
Str JIC Hose End
8
-
8
S
t
r
a
ig
h
t
J
IC
H
o
s
e
E
n
d
8-8
Str JIC Hose End
#201
#200
JIC MMM Tee
8-8-8
JIC MMM Tee
8-8-8
Optional:
Hydraulic Ramp
Pivot Kit
ORB x ORFS Straight
20-16
ORB x ORFS Straight
20-16
2
0
-
2
0
S
t
r
a
ig
h
t
J
IC
H
o
s
e
E
n
d
JIC x JIC 90 Elbow
20-20
2
0
-
2
0
9
0
°
J
IC
H
o
s
e
E
n
d
JIC x JIC Test Port
16-16
ORB x JIC Straight
16-16
20-20
Straight JIC Hose End
20-20-20
JIC TE E FMM
Code 62 x ORFS 90 Elbow
20-20
20
JIC Cup End
90 JIC Hose End
12-12
J
IC
x
N
P
T
S
t
r
a
ig
h
t
1
2
-
1
2
12-12
Straight JIC Hose End
ORB x JIC Str
8-8
ORB x JIC Str
8-8
8-8
FJICxMORB Str
8-8
FJICxMORB Str
3.5G PM
Ctrl Va lve
3.5G PM
Ctrl Va lve
#8 ORB
Manifold Inline
#8 ORB
Manifold Inline
8
-
8
F
J
IC
x
M
O
R
B
J
IC
M
M
M
T
e
e
8
-
8
-
8
8-8
FJIC-MORB
F
J
IC
X
M
J
IC
R
E
D
U
C
E
R
8
-
4
Long 90 JIC Hose End
4-4
ORB x JIC 90 Elbow
4-4
8
-
8
F
J
IC
x
M
O
R
B
J
IC
M
M
M
T
e
e
8
-
8
-
8
8-8
FJIC-MORB
F
J
IC
X
M
J
IC
R
E
D
U
C
E
R
8
-
4
4
-
4
S
t
r
a
ig
h
t
J
IC
H
o
s
e
E
n
d
ORB x JIC 90 Elbow
4-4
8
-
8
S
t
r
a
ig
h
t
J
IC
H
o
s
e
E
n
d
#215
#219
#217
8
-
8
S
t
r
a
ig
h
t
J
IC
H
o
s
e
E
n
d
4
-
4
S
t
r
a
ig
h
t
J
IC
H
o
s
e
E
n
d
ORB x JIC 90 Elbow
8-8
ORB x JIC 90 Elbow
8-8
8
-
8
F
J
IC
x
M
O
R
B
J
IC
M
M
M
T
e
e
8
-
8
-
8
8-8
FJIC-MORB
F
J
IC
X
M
J
IC
R
E
D
U
C
E
R
8
-
4
Long 90 JIC Hose End
4-4
ORB x JIC 90 Elbow
4-4
8
-
8
F
J
IC
x
M
O
R
B
J
IC
M
M
M
T
e
e
8
-
8
-
8
8-8
FJIC-MORB
F
J
IC
X
M
J
IC
R
E
D
U
C
E
R
8
-
4
4
-
4
S
t
r
a
ig
h
t
J
IC
H
o
s
e
E
n
d
ORB x J IC 90 Elb ow
4-4
8
-
8
S
t
r
a
ig
h
t
J
IC
H
o
s
e
E
n
d
#218
#216
8
-
8
S
t
r
a
ig
h
t
J
I
C
H
o
s
e
E
n
d
4
-
4
S
t
r
a
ig
h
t
J
IC
H
o
s
e
E
n
d
#214
#212
4
-
4
S
t
r
a
ig
h
t
J
IC
H
o
s
e
E
n
d
4
-
4
S
t
r
a
ig
h
t
J
IC
H
o
s
e
E
n
d
D
C
12/10/19 SH
ADDED HYDRAULIC RAMP FLOW CONTROL VALVES
D
12/12/05
SH
ELIMINATED 2 DOUBLE CB's FOR HYD. PIVOT, INTRODUCED 2 SINGLE CB's
D

Table of Contents

Related product manuals