EasyManua.ls Logo

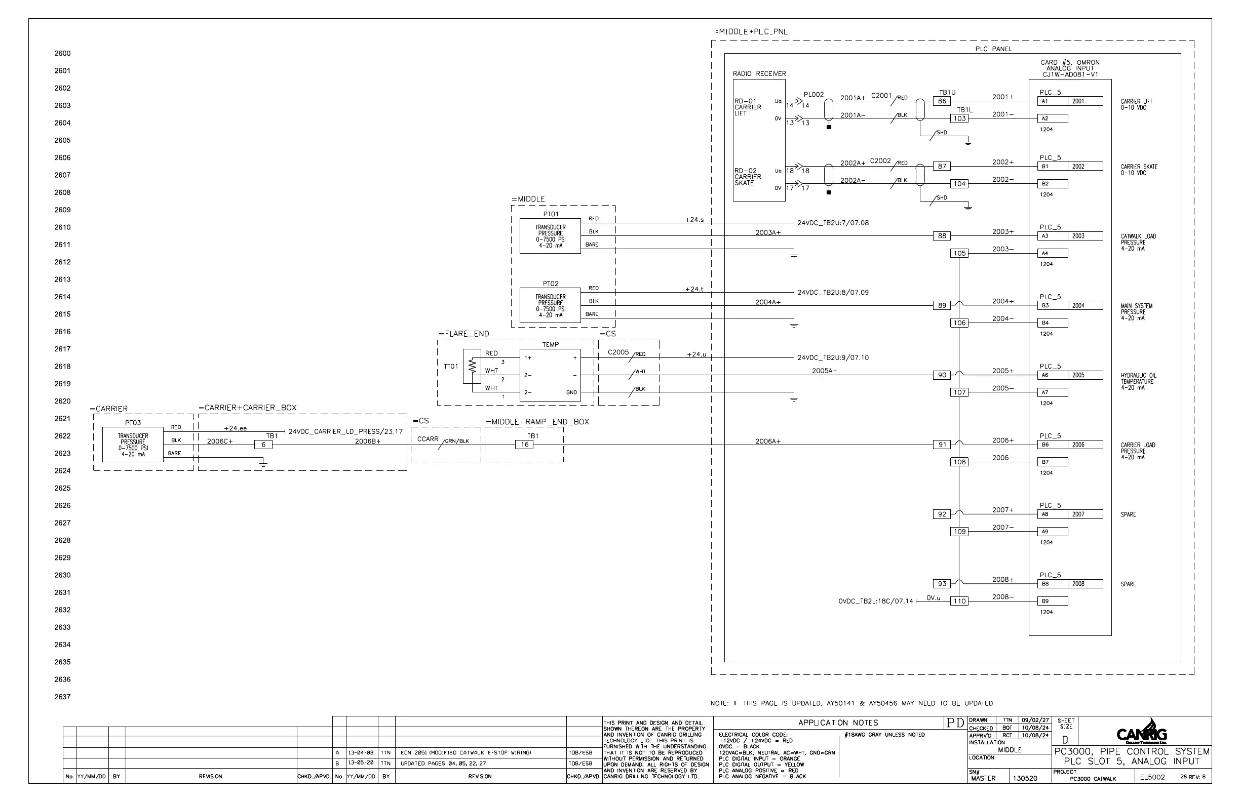
Canrig PC3000-26 - EL5002-26 PC3000, PIPE CONTROL SYSTEM PLC SLOT 5, ANALOG INPUT

Default Icon
428 pages
Print Icon
To Next Page IconTo Next Page
To Next Page IconTo Next Page
To Previous Page IconTo Previous Page
To Previous Page IconTo Previous Page
Loading...
RED
WHT
WHT
PLC PANEL
CJ1W-AD081-V1
ANALOG INPUT
CARD #5, OMRON
LIFT
CARRIER
RD-01
SKATE
CARRIER
RD-02
NOTE: IF THIS PAGE IS UPDATED, AY50141 & AY50456 MAY NEED TO BE UPDATED
TRANSDUCER
PRESSURE
0-7500 PSI
4-20 mA
BARE
BLK
RED
PT01
TRANSDUCER
PRESSURE
0-7500 PSI
4-20 mA
BARE
BLK
RED
PT02
TT01
1
2
3
TRANSDUCER
PRESSURE
0-7500 PSI
4-20 mA
BARE
BLK
RED
PT03
2001
CARRIER LIFT
A2
A1
PLC_5
0-10 VDC
2002
CARRIER SKATE
B2
B1
PLC_5
0-10 VDC
2003
CATWALK LOAD
A4
A3
PLC_5
PRESSURE
4-20 mA
2005
HYDRAULIC OIL
A7
A6
PLC_5
TEMPERATURE
4-20 mA
2006
CARRIER LOAD
B7
B6
PLC_5
PRESSURE
4-20 mA
2007
SPARE
A9
A8
PLC_5
2008
SPARE
B9
B8
PLC_5
2004
MAIN SYSTEM
B4
B3
PLC_5
PRESSURE
4-20 mA
TB1
16
TB1
6
TEMP
1+
2-
2-
+
-
GND
Ua
0V
Ua
0V
GRN/BLK
CCARR
RED
C2005
WHT
BLK
2007-
2007+
2006-
2005-
2005+
2004-
2004+
2002-
2002+
=MIDDLE
=CARRIER
2003A+
=MIDDLE+PLC_PNL
+24.t
+24.s
2001A+
14
14
PL002
13
13
18
17
18
17
=CARRIER+CARRIER_BOX
=CS
=MIDDLE+RAMP_END_BOX
=FLARE_END
=CS
TB1L
103
104
105
106
107
108
109
110
TB1U
86
87
88
89
90
91
92
93
2001+
2001-
2001A-
2002A+
2002A-
2003+
2003-
2004A+
2005A+
+24.u
2006+
2008+
0V.u
2008-
BLK
RED
C2001
SHD
C2002
RED
BLK
SHD
+24.ee
2006C+
2006A+
2006B+
RADIO RECEIVER
D
SIZE
SHEET
PROJECT
APPLICATION NOTES
CANRIG DRILLING TECHNOLOGY LTD..
AND INVENTION ARE RESERVED BY
UPON DEMAND. ALL RIGHTS OF DESIGN
WITHOUT PERMISSION AND RETURNED
THAT IT IS NOT TO BE REPRODUCED
FURNISHED WITH THE UNDERSTANDING
TECHNOLOGY LTD.. THIS PRINT IS
AND INVENTION OF CANRIG DRILLING
SHOWN THEREON ARE THE PROPERTY
THIS PRINT AND DESIGN AND DETAIL
BY
No.
SN#
CHECKED
APPRV'D
DRAWN
REV:
REVISION
LOCATION
INSTALLATION
CHKD.
APVD.
D
SIZE
SHEET
PROJECT
APPLICATION NOTES
CANRIG DRILLING TECHNOLOGY LTD..
AND INVENTION ARE RESERVED BY
UPON DEMAND. ALL RIGHTS OF DESIGN
WITHOUT PERMISSION AND RETURNED
THAT IT IS NOT TO BE REPRODUCED
FURNISHED WITH THE UNDERSTANDING
AND INVENTION OF CANRIG DRILLING
SHOWN THEREON ARE THE PROPERTY
THIS PRINT AND DESIGN AND DETAIL
BY
No.
SN#
CHECKED
APPRV'D
DRAWN
REV:
REVISION
LOCATION
INSTALLATION
APVD.
PD
YY/MM/DD
CHKD./
BY
No.
REVISION
CHKD.
APVD.
BY
No.
REVISION
APVD.
YY/MM/DD
CHKD./
EL5002
MIDDLE
#18AWG GRAY UNLESS NOTED
PLC ANALOG NEGATIVE = BLACK
PLC ANALOG POSITIVE = RED
PLC DIGITAL OUTPUT = YELLOW
PLC DIGITAL INPUT = ORANGE
120VAC=BLK, NEUTRAL AC=WHT, GND=GRN
0VDC = BLACK
+12VDC / +24VDC = RED
ELECTRICAL COLOR CODE:
PLC SLOT 5, ANALOG INPUT
10/08/24
10/08/24
09/02/27
RCT
BQT
TTN
PC3000 CATWALK
MASTER
130520
MIDDLE
#18AWG GRAY UNLESS NOTED
PLC ANALOG NEGATIVE = BLACK
PLC ANALOG POSITIVE = RED
PLC DIGITAL OUTPUT = YELLOW
PLC DIGITAL INPUT = ORANGE
120VAC=BLK, NEUTRAL AC=WHT, GND=GRN
0VDC = BLACK
+12VDC / +24VDC = RED
ELECTRICAL COLOR CODE:
PLC SLOT 5, ANALOG INPUT
10/08/24
10/08/24
09/02/27
RCT
BQT
TTN
PC3000 CATWALK
MASTER
130520
B
A
B
26
1204
1204
1204
1204
1204
1204
1204
1204
2600
2601
2602
2603
2604
2605
2606
2607
2608
2609
2610
2611
2612
2613
2614
2615
2616
2617
2618
2619
2620
2621
2622
2623
2624
2625
2626
2627
2628
2629
2630
2631
2632
2633
2634
2635
2636
2637
TDB/ESB
TTN
13-05-20
24VDC_TB2U:7/07.08
24VDC_TB2U:8/07.09
24VDC_TB2U:9/07.10
0VDC_TB2L:18C/07.14
PC3000, PIPE CONTROL SYSTEMPC3000, PIPE CONTROL SYSTEM
24VDC_CARRIER_LD_PRESS/23.17
TDB/ESB
UPDATED PAGES 04, 05, 22, 27
ECN 2051 (MODIFIED CATWALK E-STOP WIRING)
TTN
13-04-08

Table of Contents

Related product manuals