EasyManua.ls Logo

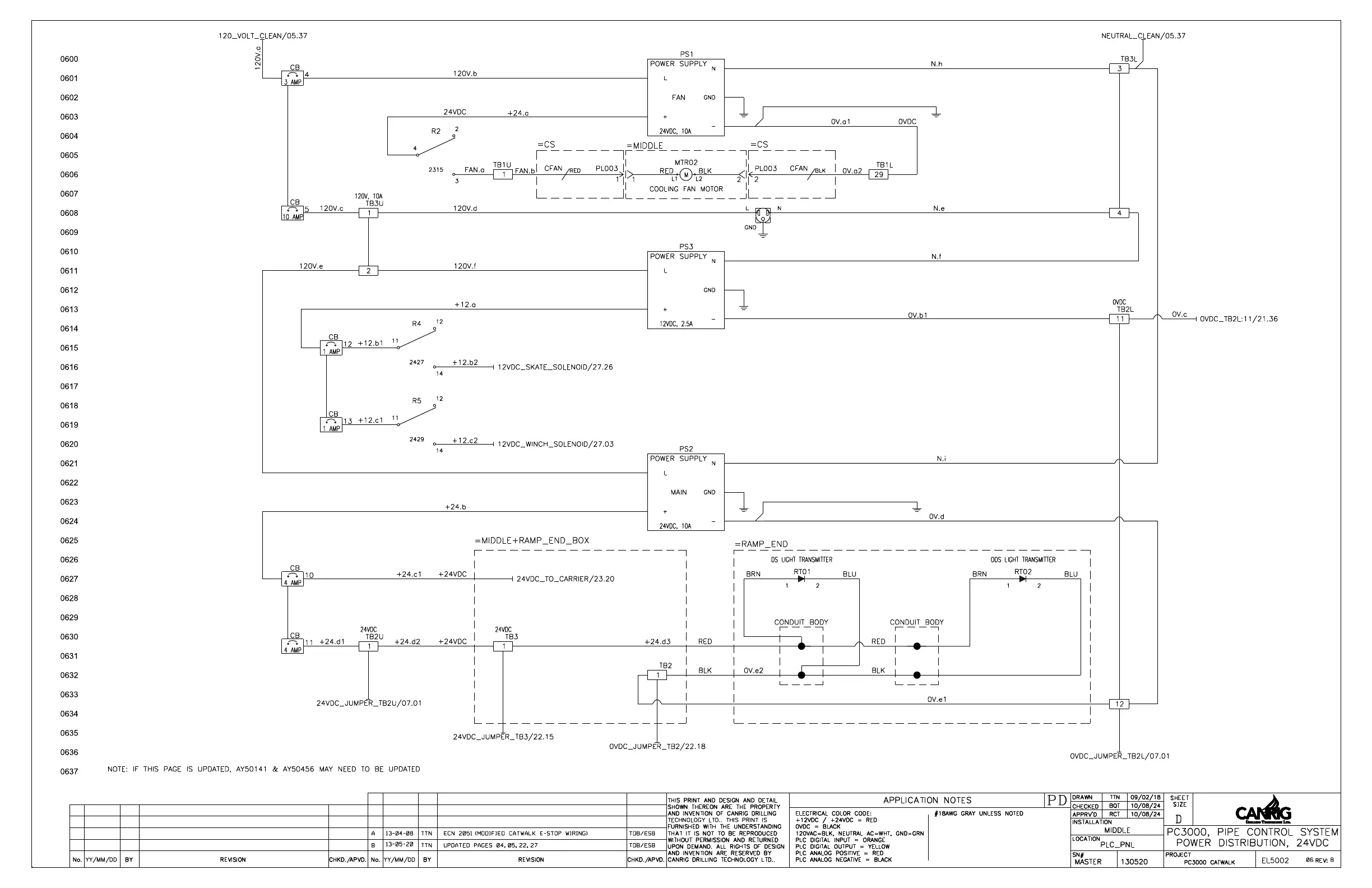
Canrig PC3000-26 - EL5002-06 PC3000, PIPE CONTROL SYSTEM POWER DISTRIBUTION, 24 VDC

Default Icon
428 pages
Print Icon
To Next Page IconTo Next Page
To Next Page IconTo Next Page
To Previous Page IconTo Previous Page
To Previous Page IconTo Previous Page
Loading...
POWER SUPPLY
FAN
POWER SUPPLY
POWER SUPPLY
BRN
BLU
RED
BLK
BLU
MAIN
RED
BLK
BRN
+24VDC
+24VDC
RED
BLK
24VDC
0VDC
CONDUIT BODY CONDUIT BODY
NOTE: IF THIS PAGE IS UPDATED, AY50141 & AY50456 MAY NEED TO BE UPDATED
21
RT02
ODS LIGHT TRANSMITTER
21
RT01
DS LIGHT TRANSMITTER
14
12
11
R4
14
12
11
R5
3 AMP
CB
4
TB3L
3
TB3U
120V, 10A
1
2
1 AMP
CB
12
1 AMP
CB
13
10 AMP
CB
5
4 AMP
CB
10
4
TB2L
0VDC
11
TB2U
24VDC
1
4 AMP
CB
11
TB3
24VDC
1
TB2
1
12
TB1U
1
L
N
GND
+
L
-
GND
N
PS1
24VDC, 10A
+
L
-
GND
N
PS3
12VDC, 2.5A
+
L
-
GND
N
PS2
24VDC, 10A
BLK
CFAN
RED
CFAN
R2
4
2
3
0V.e1
+24.d1 +24.d2
+24.c1
+12.b2
0V.c
120V.e
120V.f
N.f
120V.c
120V.d
N.e
120V.b
120
V
.
a
FAN.a
N.h
N.i
+24.a
1
PL003
1 2
PL003
2
=MIDDLE
=CS =CS
=RAMP_END
=MIDDLE+RAMP_END_BOX
FAN.b
0V.a2
0V.a1
+12.a
+12.b1
+12.c1
0V.b1
+24.b
0V.d
0V.e2
+24.d3
TB1L
29
+12.c2
M
L1 L2
MTR02
COOLING FAN MOTOR
D
SIZE
SHEET
PROJECT
APPLICATION NOTES
CANRIG DRILLING TECHNOLOGY LTD..
AND INVENTION ARE RESERVED BY
UPON DEMAND. ALL RIGHTS OF DESIGN
WITHOUT PERMISSION AND RETURNED
THAT IT IS NOT TO BE REPRODUCED
FURNISHED WITH THE UNDERSTANDING
TECHNOLOGY LTD.. THIS PRINT IS
AND INVENTION OF CANRIG DRILLING
SHOWN THEREON ARE THE PROPERTY
THIS PRINT AND DESIGN AND DETAIL
BY
No.
SN#
CHECKED
APPRV'D
DRAWN
REV:
REVISION
LOCATION
INSTALLATION
CHKD.
APVD.
D
SIZE
SHEET
PROJECT
APPLICATION NOTES
CANRIG DRILLING TECHNOLOGY LTD..
AND INVENTION ARE RESERVED BY
UPON DEMAND. ALL RIGHTS OF DESIGN
WITHOUT PERMISSION AND RETURNED
THAT IT IS NOT TO BE REPRODUCED
FURNISHED WITH THE UNDERSTANDING
AND INVENTION OF CANRIG DRILLING
SHOWN THEREON ARE THE PROPERTY
THIS PRINT AND DESIGN AND DETAIL
BY
No.
SN#
CHECKED
APPRV'D
DRAWN
REV:
REVISION
LOCATION
INSTALLATION
APVD.
PD
YY/MM/DD
CHKD./
BY
No.
REVISION
CHKD.
APVD.
BY
No.
REVISION
APVD.
YY/MM/DD
CHKD./
EL5002
PLC_PNL
MIDDLE
#18AWG GRAY UNLESS NOTED
PLC ANALOG NEGATIVE = BLACK
PLC ANALOG POSITIVE = RED
PLC DIGITAL OUTPUT = YELLOW
PLC DIGITAL INPUT = ORANGE
120VAC=BLK, NEUTRAL AC=WHT, GND=GRN
0VDC = BLACK
+12VDC / +24VDC = RED
ELECTRICAL COLOR CODE:
PC3000, PIPE CONTROL SYSTEM
POWER DISTRIBUTION, 24VDC
10/08/24
10/08/24
09/02/18
RCT
BQT
TTN
PC3000 CATWALK
MASTER
130520
PLC_PNL
MIDDLE
#18AWG GRAY UNLESS NOTED
PLC ANALOG NEGATIVE = BLACK
PLC ANALOG POSITIVE = RED
PLC DIGITAL OUTPUT = YELLOW
PLC DIGITAL INPUT = ORANGE
120VAC=BLK, NEUTRAL AC=WHT, GND=GRN
0VDC = BLACK
+12VDC / +24VDC = RED
ELECTRICAL COLOR CODE:
PC3000, PIPE CONTROL SYSTEM
POWER DISTRIBUTION, 24VDC
10/08/24
10/08/24
09/02/18
RCT
BQT
TTN
PC3000 CATWALK
MASTER
130520
B
A
B
06
2429
2427
2315
0600
0601
0602
0603
0604
0605
0606
0607
0608
0609
0610
0611
0612
0613
0614
0615
0616
0617
0618
0619
0620
0621
0622
0623
0624
0625
0626
0627
0628
0629
0630
0631
0632
0633
0634
0635
0636
0637
TTN
13-05-20
0VDC_TB2L:11/21.36
24VDC_JUMPER_TB3/22.15
12VDC_SKATE_SOLENOID/27.26
12VDC_WINCH_SOLENOID/27.03
0VDC_JUMPER_TB2L/07.01
24VDC_JUMPER_TB2U/07.01
120_VOLT_CLEAN/05.37
NEUTRAL_CLEAN/05.37
0VDC_JUMPER_TB2/22.18
24VDC_TO_CARRIER/23.20
TDB/ESB
TDB/ESB
UPDATED PAGES 04, 05, 22, 27
ECN 2051 (MODIFIED CATWALK E-STOP WIRING)
TTN
13-04-08

Table of Contents