EasyManua.ls Logo

Canrig PC3000-26 - EL5002-08 PC3000, PIPE CONTROL SYSTEM PLC LAYOUT

Default Icon
428 pages
Print Icon
To Next Page IconTo Next Page
To Next Page IconTo Next Page
To Previous Page IconTo Previous Page
To Previous Page IconTo Previous Page
Loading...
JB-02JB-01
PL-02
A1
1
2
A7
B7
A6
A5
A4
A3
A2
A1
B6
B5
B4
B3
B2
B1
OFF ON
CH1
CH2
1
2
1
MACH
x10
No.
0
x10
ADJ
ERC
ERH
RUN
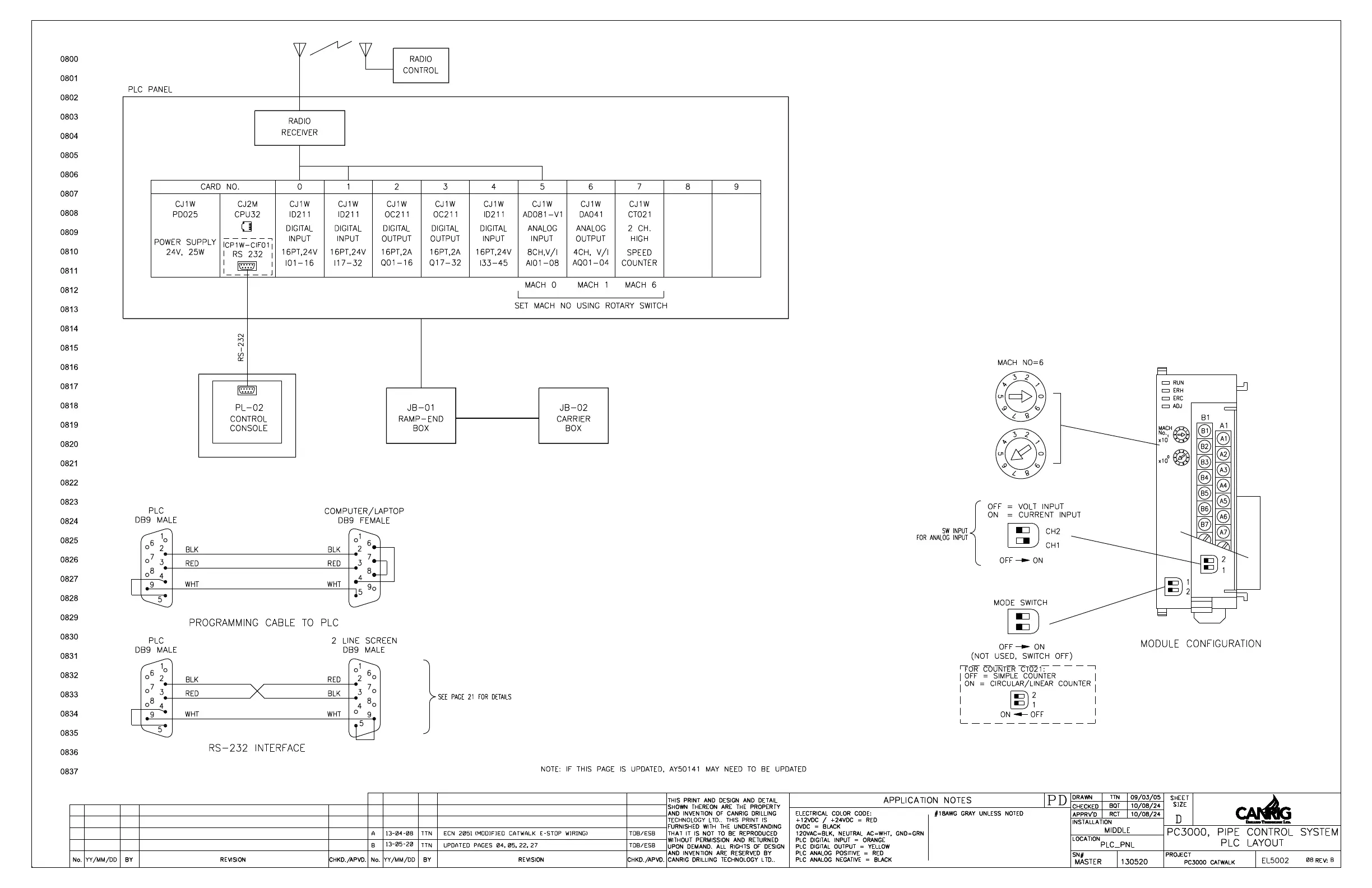
MODULE CONFIGURATION
MACH NO=6
6
7
8
9
1
2
3
4
5
0
6
7
8
9
1
2
3
4
5
0
B1
6
7
8
9
1
2
3
4
5
0
6
7
8
9
1
2
3
4
5
0
WHT
RED
BLK
5
WHT
RED
BLK
WHT
RED
BLK
9
8
7
6
5
4
3
2
1
9
8
7
6
5
4
3
2
1
PROGRAMMING CABLE TO PLC
PLC PANEL
SET MACH NO USING ROTARY SWITCH
MACH 0 MACH 1 MACH 6
CONTROL
RADIO
WHT
BLK
RED
RS-232 INTERFACE
9
8
7
6
4
3
2
1
9
8
7
6
5
4
3
2
1
HIGH
2 CH.
OUTPUT
ANALOG
INPUT
ANALOG
INPUT
DIGITAL
OUTPUT
DIGITAL
OUTPUT
DIGITAL
INPUT
DIGITAL
INPUT
DIGITAL
24V, 25W
POWER SUPPLY
9876543210
CARD NO.
COUNTER
SPEED
AQ01-04
4CH, V/I
AI01-08
8CH,V/I
I33-45
16PT,24V
Q17-32
16PT,2A
Q01-16
16PT,2A
I17-32
16PT,24V
I01-16
16PT,24V
CT021
CJ1W
DA041
CJ1W
AD081-V1
CJ1W
ID211
CJ1W
OC211
CJ1W
OC211
CJ1W
ID211
CJ1W
ID211
CJ1W
PD025
CJ1W
RECEIVER
RADIO
R
S
-
232
1
2
ON OFF
ON = CIRCULAR/LINEAR COUNTER
OFF = SIMPLE COUNTER
FOR COUNTER CT021:
(NOT USED, SWITCH OFF)
OFF ON
ON
OFF
= CURRENT INPUT
= VOLT INPUT
MODE SWITCH
DB9 FEMALE
COMPUTER/LAPTOP
DB9 MALE
PLC
DB9 MALE
2 LINE SCREEN
DB9 MALE
PLC
BOX
CARRIER
BOX
RAMP-END
CONSOLE
CONTROL
NOTE: IF THIS PAGE IS UPDATED, AY50141 MAY NEED TO BE UPDATED
SW INPUT
FOR ANALOG INPUT
SEE PAGE 21 FOR DETAILS
RS 232
CPU32
CJ2M
CP1W-CIF01
D
SIZE
SHEET
PROJECT
APPLICATION NOTES
CANRIG DRILLING TECHNOLOGY LTD..
AND INVENTION ARE RESERVED BY
UPON DEMAND. ALL RIGHTS OF DESIGN
WITHOUT PERMISSION AND RETURNED
THAT IT IS NOT TO BE REPRODUCED
FURNISHED WITH THE UNDERSTANDING
TECHNOLOGY LTD.. THIS PRINT IS
AND INVENTION OF CANRIG DRILLING
SHOWN THEREON ARE THE PROPERTY
THIS PRINT AND DESIGN AND DETAIL
BY
No.
SN#
CHECKED
APPRV'D
DRAWN
REV:
REVISION
LOCATION
INSTALLATION
CHKD.
APVD.
D
SIZE
SHEET
PROJECT
APPLICATION NOTES
CANRIG DRILLING TECHNOLOGY LTD..
AND INVENTION ARE RESERVED BY
UPON DEMAND. ALL RIGHTS OF DESIGN
WITHOUT PERMISSION AND RETURNED
THAT IT IS NOT TO BE REPRODUCED
FURNISHED WITH THE UNDERSTANDING
AND INVENTION OF CANRIG DRILLING
SHOWN THEREON ARE THE PROPERTY
THIS PRINT AND DESIGN AND DETAIL
BY
No.
SN#
CHECKED
APPRV'D
DRAWN
REV:
REVISION
LOCATION
INSTALLATION
APVD.
PD
YY/MM/DD
CHKD./
BY
No.
REVISION
CHKD.
APVD.
BY
No.
REVISION
APVD.
YY/MM/DD
CHKD./
EL5002
PLC_PNL
MIDDLE
#18AWG GRAY UNLESS NOTED
PLC ANALOG NEGATIVE = BLACK
PLC ANALOG POSITIVE = RED
PLC DIGITAL OUTPUT = YELLOW
PLC DIGITAL INPUT = ORANGE
120VAC=BLK, NEUTRAL AC=WHT, GND=GRN
0VDC = BLACK
+12VDC / +24VDC = RED
ELECTRICAL COLOR CODE:
PLC LAYOUT
10/08/24
10/08/24
09/03/05
RCT
BQT
TTN
PC3000 CATWALK
MASTER
130520
PLC_PNL
MIDDLE
#18AWG GRAY UNLESS NOTED
PLC ANALOG NEGATIVE = BLACK
PLC ANALOG POSITIVE = RED
PLC DIGITAL OUTPUT = YELLOW
PLC DIGITAL INPUT = ORANGE
120VAC=BLK, NEUTRAL AC=WHT, GND=GRN
0VDC = BLACK
+12VDC / +24VDC = RED
ELECTRICAL COLOR CODE:
PLC LAYOUT
10/08/24
10/08/24
09/03/05
RCT
BQT
TTN
PC3000 CATWALK
MASTER
130520
B
A
B
08
0800
0801
0802
0803
0804
0805
0806
0807
0808
0809
0810
0811
0812
0813
0814
0815
0816
0817
0818
0819
0820
0821
0822
0823
0824
0825
0826
0827
0828
0829
0830
0831
0832
0833
0834
0835
0836
0837
TDB/ESB
TTN
13-05-20
PC3000, PIPE CONTROL SYSTEMPC3000, PIPE CONTROL SYSTEM
TDB/ESB
UPDATED PAGES 04, 05, 22, 27
ECN 2051 (MODIFIED CATWALK E-STOP WIRING)
TTN
13-04-08

Table of Contents

Related product manuals