EasyManua.ls Logo

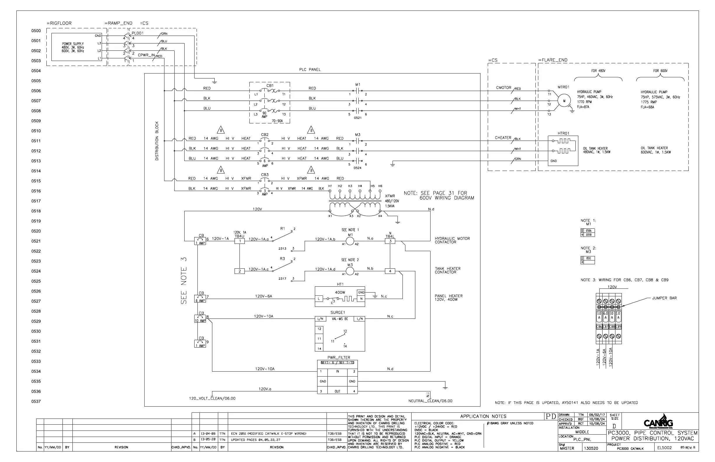
Canrig PC3000-26 - EL5002-05 PC3000, PIPE CONTROL SYSTEM POWER DISTRIBUTION, 120 VAC

Default Icon
428 pages
Print Icon
To Next Page IconTo Next Page
To Next Page IconTo Next Page
To Previous Page IconTo Previous Page
To Previous Page IconTo Previous Page
Loading...
120V, 400W
PANEL HEATER
D
I
S
T
R
I
B
U
T
I
ON
B
L
O
C
K
CONTACTOR
HYDRAULIC MOTOR
CONTACTOR
TANK HEATER
RED
BLK
BLU
RED
BLK
BLU
NOTE: IF THIS PAGE IS UPDATED, AY50141 ALSO NEEDS TO BE UPDATED
PLC PANEL
3
AMP
43
21
CB3
T3
T2
T1
L3
L2
L1
90
CB1
AMP
70-90A
6
AMP
6
4
2
5
3
1
CB2
400W
GND
N
L
HT1
14
12
11
VAL-MS BE
L/NL/N
14
12
11
SURGE1
10 AMP
CB
8
1 AMP
CB
9
6 AMP
CB
7
2 4
TB4U
120V, 1A
1
TB4L
N
3
1 AMP
CB
6
L1
L2
L3
GND
1770 RPM
HYDRAULIC PUMP
M
T3
T2
T1
MTR01
IN
OUT
NEF1- 6 / NEF 1-10
1
GND
3
2
GND
4
PWR_FILTER
WHT
BLK
RED
CMOTOR
WHT
GRN
BLK
CHEATER
FOR 480V
HYDRAULIC PUMP
1775 RMP
OIL TANK HEATER
FOR 600V
M1
NOTE 1:
R1
4
2
3
R3
4
2
3
M3
NOTE 2:
120V-10A
120V-6A
120V-10A
N.a
120V.a
N.b
N.c
N.c
N.d
N
.
i
N.d
120V-1A.c
120V-1A.d
120V-1A.b
4
PL001
4
3
3
2
1
2
1
=RIGFLOOR
=CS
=FLARE_END
120V
120V-1A
M1
1 2
3 4
5 6
A2A1
M1
SEE NOTE 1
0506
2218
M3
1 2
3 4
5 6
A2A1
M3
SEE NOTE 2
0511
120V-1A.a
RED
CPWR_IN
BLK
BLU
GRN
=CS
=RAMP_END
POWER SUPPLY
600V WIRING DIAGRAM
NOTE: SEE PAGE 31 FOR
H1 H2 H3 H4 H5 H6
X1 X2X3 X4
XFMR
480/120V
1.5KVA
FLA=87A
FLA=68A
GND
HTR01
OIL TANK HEATER
A
1.0
A
10
CB6 CB7
CB8
CB9
A
1.0
A
6.0
120V
120
V
-
1
A
120
V
-
6
A
120
V
-
10
A
JUMPER BAR
S
EE
NO
TE
3
NOTE 3: WIRING FOR CB6, CB7, CB8 & CB9
D
SIZE
SHEET
PROJECT
APPLICATION NOTES
CANRIG DRILLING TECHNOLOGY LTD..
AND INVENTION ARE RESERVED BY
UPON DEMAND. ALL RIGHTS OF DESIGN
WITHOUT PERMISSION AND RETURNED
THAT IT IS NOT TO BE REPRODUCED
FURNISHED WITH THE UNDERSTANDING
TECHNOLOGY LTD.. THIS PRINT IS
AND INVENTION OF CANRIG DRILLING
SHOWN THEREON ARE THE PROPERTY
THIS PRINT AND DESIGN AND DETAIL
BY
No.
SN#
CHECKED
APPRV'D
DRAWN
REV:
REVISION
LOCATION
INSTALLATION
CHKD.
APVD.
D
SIZE
SHEET
PROJECT
APPLICATION NOTES
CANRIG DRILLING TECHNOLOGY LTD..
AND INVENTION ARE RESERVED BY
UPON DEMAND. ALL RIGHTS OF DESIGN
WITHOUT PERMISSION AND RETURNED
THAT IT IS NOT TO BE REPRODUCED
FURNISHED WITH THE UNDERSTANDING
AND INVENTION OF CANRIG DRILLING
SHOWN THEREON ARE THE PROPERTY
THIS PRINT AND DESIGN AND DETAIL
BY
No.
SN#
CHECKED
APPRV'D
DRAWN
REV:
REVISION
LOCATION
INSTALLATION
APVD.
PD
YY/MM/DD
CHKD./
BY
No.
REVISION
CHKD.
APVD.
BY
No.
REVISION
APVD.
YY/MM/DD
CHKD./
EL5002
PLC_PNL
MIDDLE
#18AWG GRAY UNLESS NOTED
PLC ANALOG NEGATIVE = BLACK
PLC ANALOG POSITIVE = RED
PLC DIGITAL OUTPUT = YELLOW
PLC DIGITAL INPUT = ORANGE
120VAC=BLK, NEUTRAL AC=WHT, GND=GRN
0VDC = BLACK
+12VDC / +24VDC = RED
ELECTRICAL COLOR CODE:
POWER DISTRIBUTION, 120VAC
10/08/24
10/08/24
09/02/17
RCT
BQT
TTN
PC3000 CATWALK
PLC_PNL
MIDDLE
#18AWG GRAY UNLESS NOTED
PLC ANALOG NEGATIVE = BLACK
PLC ANALOG POSITIVE = RED
PLC DIGITAL OUTPUT = YELLOW
PLC DIGITAL INPUT = ORANGE
120VAC=BLK, NEUTRAL AC=WHT, GND=GRN
0VDC = BLACK
+12VDC / +24VDC = RED
ELECTRICAL COLOR CODE:
POWER DISTRIBUTION, 120VAC
10/08/24
10/08/24
09/02/17
RCT
BQT
TTN
PC3000 CATWALK
B
A
B
05
2313
2317
0521
0524
0500
0501
0502
0503
0504
0505
0506
0507
0508
0509
0510
0511
0512
0513
0514
0515
0516
0517
0518
0519
0520
0521
0522
0523
0524
0525
0526
0527
0528
0529
0530
0531
0532
0533
0534
0535
0536
0537
TTN
13-05-20
MASTER
130520
MASTER
130520
120_VOLT_CLEAN/06.00
NEUTRAL_CLEAN/06.00
PC3000, PIPE CONTROL SYSTEMPC3000, PIPE CONTROL SYSTEM
RED 14 AWG HI V HEAT
BLK 14 AWG HI V HEAT
BLU 14 AWG HI V HEAT
HI V HEAT 14 AWG RED
HI V HEAT 14 AWG BLK
HI V HEAT 14 AWG BLU
HI V XFMR 14 AWG RED
HI V XFMR 14 AWG BLK
RED 14 AWG HI V XFMR
BLK 14 AWG HI V XFMR
B
B
B
B
TDB/ESB
TDB/ESB
UPDATED PAGES 04, 05, 22, 27
ECN 2051 (MODIFIED CATWALK E-STOP WIRING)
TTN
13-04-08

Table of Contents

Related product manuals