EasyManua.ls Logo

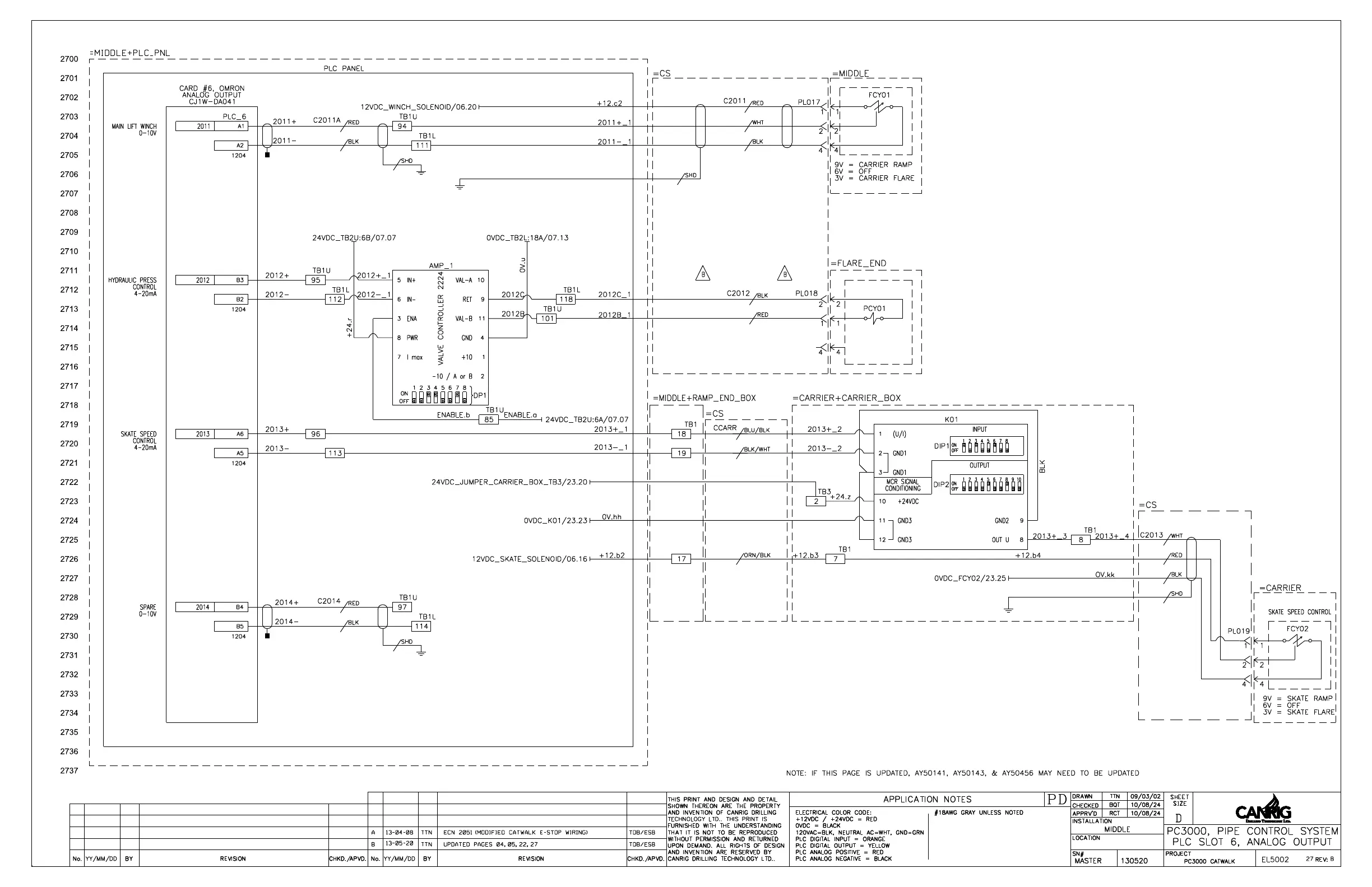
Canrig PC3000-26 - EL5002-27 PC3000, PIPE CONTROL SYSTEM PLC SLOT 6, ANALOG OUTPUT

Default Icon
428 pages
Print Icon
To Next Page IconTo Next Page
To Next Page IconTo Next Page
To Previous Page IconTo Previous Page
To Previous Page IconTo Previous Page
Loading...
CJ1W-DA041
ANALOG OUTPUT
CARD #6, OMRON
PLC PANEL
3V = SKATE FLARE
6V = OFF
9V = SKATE RAMP
3V = CARRIER FLARE
6V = OFF
9V = CARRIER RAMP
B
L
K
NOTE: IF THIS PAGE IS UPDATED, AY50141, AY50143, & AY50456 MAY NEED TO BE UPDATED
FCY02
SKATE SPEED CONTROL
FCY01
PCY01
2011
MAIN LIFT WINCH
A2
A1
PLC_6
0-10V
2012
HYDRAULIC PRESS
B2
B3
CONTROL
4-20mA
2013
SKATE SPEED
A5
A6
CONTROL
4-20mA
VA
L
V
E
C
ON
T
R
O
LLE
R
2224
-10 / A or B
GND
VAL-B
RET
I max
PWR
ENA
IN-
IN+
VAL-A
+10
2
1
4
11
9
10
7
8
3
6
5
AMP_1
DP1
8765431 2
ON
OFF
2014
SPARE
B5
B4
0-10V
OUTPUT
INPUT
OUT U
GND2
+24VDC
GND3
GND3
GND1
GND1
(U/I)
MCR SIGNAL
CONDITIONING
8
9
12
11
10
3
2
1
K01
DIP2
10
987654321
ON
OFF
DIP1
87654321
ON
OFF
RED
C2011
ORN/BLK
BLU/BLK
CCARR
BLK/WHT
RED
WHT
C2013
BLK
SHD
BLK
WHT
+
24
.
r
2013-
2013+
ENABLE.b
ENABLE.a
2012-
=MIDDLE+PLC_PNL
2
2
PL018
1
1
4
4
=FLARE_END
=MIDDLE
1
=CS
1
PL017
2
4
2
4
=MIDDLE+RAMP_END_BOX
=CS
=CARRIER+CARRIER_BOX
=CS
=CARRIER
4
+24.z
2011-_1
2011+
2011-
2011+_1
SHD
2012C_1
2012B_1
2012+
2012+_1
2012-_1
2012C
2012B
2013+_2
2013-_2
2013-_1
2013+_1
+12.b3
2014+
2014-
0
V
.
u
TB1
18
19
17
TB3
2
TB1
7
TB1L
111
TB1L
112
113
TB1L
114
TB1L
118
TB1U
85
TB1U
94
TB1U
95
96
TB1U
97
TB1U
101
TB1
2013+_3
8
+12.c2
C2011A
RED
BLK
SHD
C2014
RED
BLK
SHD
1
2
4
1
PL019
2
OV.kk
2013+_4
+12.b4
0V.hh
+12.b2
D
SIZE
SHEET
PROJECT
APPLICATION NOTES
CANRIG DRILLING TECHNOLOGY LTD..
AND INVENTION ARE RESERVED BY
UPON DEMAND. ALL RIGHTS OF DESIGN
WITHOUT PERMISSION AND RETURNED
THAT IT IS NOT TO BE REPRODUCED
FURNISHED WITH THE UNDERSTANDING
TECHNOLOGY LTD.. THIS PRINT IS
AND INVENTION OF CANRIG DRILLING
SHOWN THEREON ARE THE PROPERTY
THIS PRINT AND DESIGN AND DETAIL
BY
No.
SN#
CHECKED
APPRV'D
DRAWN
REV:
REVISION
LOCATION
INSTALLATION
CHKD.
APVD.
D
SIZE
SHEET
PROJECT
APPLICATION NOTES
CANRIG DRILLING TECHNOLOGY LTD..
AND INVENTION ARE RESERVED BY
UPON DEMAND. ALL RIGHTS OF DESIGN
WITHOUT PERMISSION AND RETURNED
THAT IT IS NOT TO BE REPRODUCED
FURNISHED WITH THE UNDERSTANDING
AND INVENTION OF CANRIG DRILLING
SHOWN THEREON ARE THE PROPERTY
THIS PRINT AND DESIGN AND DETAIL
BY
No.
SN#
CHECKED
APPRV'D
DRAWN
REV:
REVISION
LOCATION
INSTALLATION
APVD.
PD
YY/MM/DD
CHKD./
BY
No.
REVISION
CHKD.
APVD.
BY
No.
REVISION
APVD.
YY/MM/DD
CHKD./
EL5002
MIDDLE
#18AWG GRAY UNLESS NOTED
PLC ANALOG NEGATIVE = BLACK
PLC ANALOG POSITIVE = RED
PLC DIGITAL OUTPUT = YELLOW
PLC DIGITAL INPUT = ORANGE
120VAC=BLK, NEUTRAL AC=WHT, GND=GRN
0VDC = BLACK
+12VDC / +24VDC = RED
ELECTRICAL COLOR CODE:
PLC SLOT 6, ANALOG OUTPUT
10/08/24
10/08/24
09/03/02
RCT
BQT
TTN
PC3000 CATWALK
MASTER
130520
MIDDLE
#18AWG GRAY UNLESS NOTED
PLC ANALOG NEGATIVE = BLACK
PLC ANALOG POSITIVE = RED
PLC DIGITAL OUTPUT = YELLOW
PLC DIGITAL INPUT = ORANGE
120VAC=BLK, NEUTRAL AC=WHT, GND=GRN
0VDC = BLACK
+12VDC / +24VDC = RED
ELECTRICAL COLOR CODE:
PLC SLOT 6, ANALOG OUTPUT
10/08/24
10/08/24
09/03/02
RCT
BQT
TTN
PC3000 CATWALK
MASTER
130520
B
A
B
27
1204
1204
1204
1204
2700
2701
2702
2703
2704
2705
2706
2707
2708
2709
2710
2711
2712
2713
2714
2715
2716
2717
2718
2719
2720
2721
2722
2723
2724
2725
2726
2727
2728
2729
2730
2731
2732
2733
2734
2735
2736
2737
TTN
13-05-20
12VDC_SKATE_SOLENOID/06.16
12VDC_WINCH_SOLENOID/06.20
24VDC_TB2U:6A/07.07
24VDC_TB2U:6B/07.07
0VDC_TB2L:18A/07.13
PC3000, PIPE CONTROL SYSTEMPC3000, PIPE CONTROL SYSTEM
24VDC_JUMPER_CARRIER_BOX_TB3/23.20
0VDC_K01/23.23
0VDC_FCY02/23.25
BB
RED
BLK
C2012
TDB/ESB
TDB/ESB
UPDATED PAGES 04, 05, 22, 27
ECN 2051 (MODIFIED CATWALK E-STOP WIRING)
TTN
13-04-08

Table of Contents

Related product manuals