EasyManua.ls Logo

Canrig PC3000-26 - Drawing ID: 183100003 Rev No: B

Default Icon
428 pages
Print Icon
To Next Page IconTo Next Page
To Next Page IconTo Next Page
To Previous Page IconTo Previous Page
To Previous Page IconTo Previous Page
Loading...
183100003.dwg ()
2 of 3
ORB PLUG HEX HD
8
ORB x JIC Straight
8-8
ORB x JIC Straight
8-8
ORB x JIC Straight
8-8
ORB x JIC Straight
8-8
ORB x JIC Straight
8-8
Long 90 JIC Hose End
8-8
8-8
St raight JIC Hose End
ORB x JIC Straight
12-8
8-8
St raight JIC Hose End
8-8
St raight JIC Hose End
8-8
St raight JIC Hose End
JIC REDUCER
12-8
90 JIC Hose E nd
12-12
4-8
ORB x JIC ADAPT ER
Flanged Hose E nd
20-16
Code 62
Flanged Hose E nd
20-16
Code 62
ORB x JIC 90 Elbow
6-8
16-16
St raight JIC Hose End
16-16
St raight JIC Hose End
16-16-16
JIC TEE MM M
16-16
St raight JIC Hose End
JIC REDUCER
16-8
16-16
JIC Hose End
JIC MMF Run Tee
8-8-8
8-8
St raight JIC Hose End
8-8
St raight JIC Hose End
8-8
St raight JIC Hose End
12-12
St raight JIC Hose End
90 JIC Hose E nd
8-8
Long 90 JIC Hose End
8-8
#129
#125
#128
#116
#117
#114
#113
#112
#124
#127
8-8
St raight JIC Hose End
#126
4-4
JIC X NPT Bulkhead Straight
4-4
St raight JIC Hose End
45 JIC Hose End
4-4
#129A
4-4
JIC X NPT Bulkhead Straight
4-4
St raight JIC Hose End
45
JIC Hose End
4-4
#129B
GREASE LINES
FROM CATWALK
#148
#142
#136
#135
12-12-12
JIS T EE MM F
ORB x JIS DT750-
12-12
-MOMF-5
9 0 ORFS Hose End
16-16
ORB x ORFS Straight
20-16
ORB x ORFS Straight
20-16
16-16
St raight ORF S Hose End
JIC x JIC 90 E lbow
8-8
8-8
St raight JIC Hose End
Y/M/DNo. BY
REVISIONS
NOTICE
THE DRAWING, INFORMATION AND SUBJECT MATTER HEREOF ARE THE
CONFIDENTIAL, SOLE AND EXCLUSIVE PROPERTY OF CANRIG DRILLING
TECHNOLOGIES CANADA LTD. AND ARE NOT TO BE COPIED,
WHATSOEVER WITHOUT THE WRITTEN CONSENT OR DIRECTION.
DRAWN BY:
CHECKED BY:
SCALE: SIZE:
D
DATE ISSUED: REV.
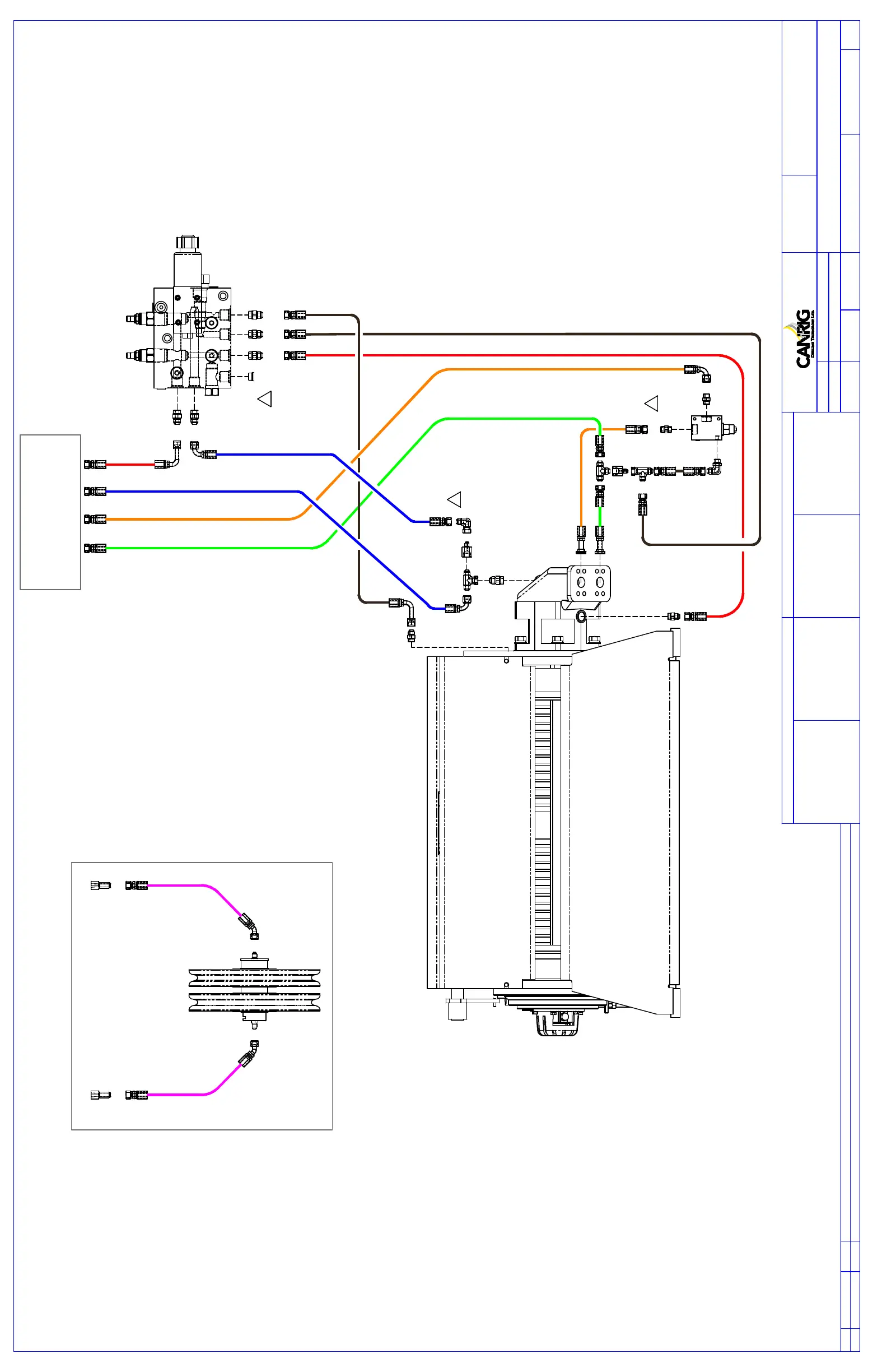
ELECTRICAL SPECIFICATIONS
ELECTRICAL ENCLOSURES
All electrical enclosures will be rated Nema
4 or better and of Stainless Steel
construction unless otherwise stated.
ELECTRICAL COLOR CODE
Digital Input ------ Orange
Digital Output ---- Yellow
Analog Input ----- Red
Analog Output --- White
24 VDC Power ---- Red
0 Volt -------------- Black
AC Ground -------- Green
ELECTRICAL WIRING
All electrical wiring will be to CSA
starndards for non classified, zone 0 and
zone 1. Requirments
DRAWING #: SHEET #:
APPROVED BY:
HYDRAULIC SPECIFICATIONS
HYDRAULIC COLOR CODE
Pressure ---------- Red
Return ------------ Blue
Work Port A ------ Orange
Work Port B ------ Green
Pilot Flow --------- Brown
Symbols ---------- Black
HYDRAULIC PLUMBING
All HYDRAULIC HOSE TO BE RATED FOR A
MINIMUM OF 3000 PSI, TOUGH COVER, JIC
37 ° FLARE CONNECTION UNLESS OTHERWISE
STATED. ALL ADAPTER FITTINGS TO BE ORB
OR JIC UNLESS OTHERWISE STATED
RAMP PLUMBING SCHEMATIC
BHK
NTS 11/8/07
183100003
B
1 OF 1
B
B 12/0/8/24 SH CHANGED HOSE END FITTINGS TO ORFS (6000psi), ADDED ORB PLUG AND 90° ELBOW
B
B

Table of Contents

Related product manuals