EasyManua.ls Logo

Carel FCR3 - 6.4 Linear and Quadratic Function; 6.5 Override Output; 6.6 Alarm Conditions and Management

Carel FCR3
56 pages
Go to English
Print Icon
To Next Page IconTo Next Page
To Next Page IconTo Next Page
To Previous Page IconTo Previous Page
To Previous Page IconTo Previous Page
Loading...
14
ENG
“FCR3 three-phase controller +030222150 - rel. 1.3 - 12.01.2021
6. FUNCTIONS
6.1 Control mode
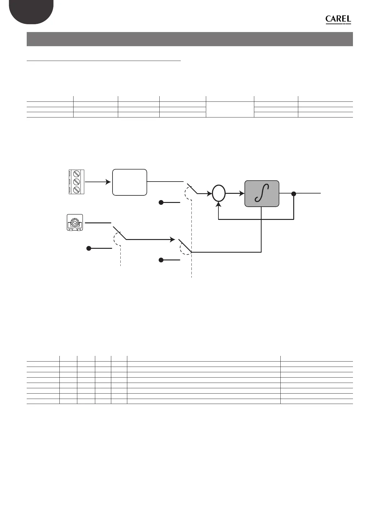
Control is performed based on an analogue signal (B/GND on terminal
J1) that is read by variable INFCR (IR.6). Depending on the setting of
dipswitches S2.2 and S2.3, the type of input can be selected, corresponding
to a di erent input resistance. The hardware time constant is however the
same for each setting.
Type of input Dipswitch S2.2 Dipswitch S2.3 Input resistance Input constant τ Input range Range of variable INFCR
0/10 V input OFF OFF 20 KΩ
0.25 sec
0 to 5V 0 to 100 %
0/5 V input ON OFF 20 KΩ 0 to 10 V 0 to 100 %
0-20 mA input ON ON 250 Ω 0 to 20 mA 0 to 100%
Tab. 6.a
Control can also be performed based on the INMEM variable in the
memory (HR.7) by enabling input override.
The input is then  ltered with a speci c constant and provides the
e ective control signal. This avoids sudden variations, even when
switching between manual and internal selection mode.
DELAY
DELAY
FCR
IN
FOR
IN (IR.10)
IN
MEM
OFF
ON
DELAY
MEM
DELAYIN
MEM
IOVR
DIPS2.1/SEL
Selezione
B
Analog Sel
Dip S2.2/S2.3
GND
0
+
1
1
0
Fig. 6.a
Figure 6.a shows the processing of the control signal.
The analogue signal is processed (voltage/current) based on the setting
of Dip S2.2 and S2.3 to give a range from 0 to 100. By selecting override
(IOVR), the value saved in the memory can be used instead of the
processed value.
Depending on the setting of dip S2.1 (MEM/MAM) and the override, there
are three levels of delay in response, which can be selected to manage
integration of the variable.
Par. Modb Range Def UoM Description Activation
INFCR IR.6 0 .. 100 0 1% Analogue input setting from FCR Active when IOVR=0
INMEM HR.7 0 .. 100 0 1% Internal input setting from memory Active when IOVR= 1
IOVR CO.9 0/1 0 1 Override input
DELAYFCR IR.2 0 .. 100 R 1% Manual FCR delay Active when IOVR=0 & Dip S2.1=OFF
DELAYMEM HR.2 0 .. 100 100 1% Memory delay Active when IOVR=0 & Dip S2.1=ON
DELAYINMEM HR.8 0 .. 100 100 1% Memory delay for INMEM Active when IOVR=1
IN IR.10 0.100 R 1% Processed input value
SEL IR.1 0/1 R 1 Select settings, manual =0, internal =1 Dip S2.1
Tab. 6.b

Table of Contents

Related product manuals