EasyManua.ls Logo

CARPENTER 860 - Page 8

Default Icon
61 pages
Print Icon
To Next Page IconTo Next Page
To Next Page IconTo Next Page
To Previous Page IconTo Previous Page
To Previous Page IconTo Previous Page
Loading...
Carpenter Model 860 Material Coiling Unit
Carpenter Model 860 Material Coiling Unit Phone: (315) 682-9176 • Fax: (315) 682-9160
Website: www.carpentermfg.com • Email: wire@carpentermfg.com
Revised 05/09/2024 Page 8
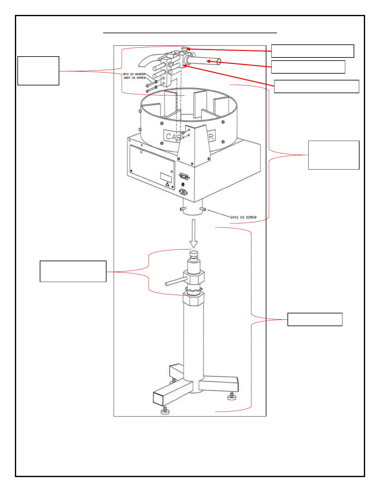
Figure 1: Machine Assembly
Adjustable
Tube
Assembly
Machine
Cabinet/Bowl
Assembly
Stand Assembly
Height Adjustment
Locking Nut
PN 8672 Straight Tube
PN 4849 Screw Assembly

Table of Contents