EasyManua.ls Logo

Cavli Wireless C100QM - Chapter 3. Interface Application Description; 3.1 Chapter Overview

Default Icon
97 pages
Print Icon
To Next Page IconTo Next Page
To Next Page IconTo Next Page
To Previous Page IconTo Previous Page
To Previous Page IconTo Previous Page
Loading...
Cavli Wireless C100QM/C10QM Hardware Manual
18
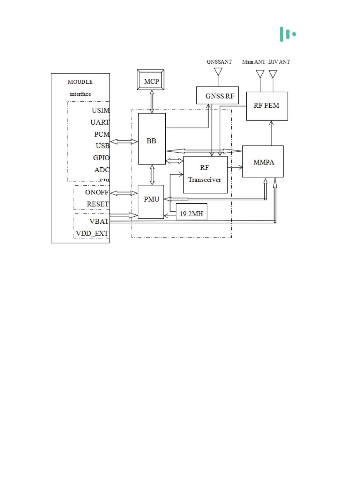
Figure 2-1 Functional block diagram of the C100QM/C10QM LCC module
Chapter 3. Interface application description
3.1 Chapter overview
This chapter mainly describes the interface definition and application of this module.
Contains the following sections:
144 pin definition map
Interface definition
Power interface
USB interface
USIM interface

Table of Contents

Related product manuals