EasyManua.ls Logo

Cavli Wireless C100QM - Diversity Antenna Interface; GNSS Interface

Default Icon
97 pages
Print Icon
To Next Page IconTo Next Page
To Next Page IconTo Next Page
To Previous Page IconTo Previous Page
To Previous Page IconTo Previous Page
Loading...
Cavli Wireless C100QM/C10QM Hardware Manual
65
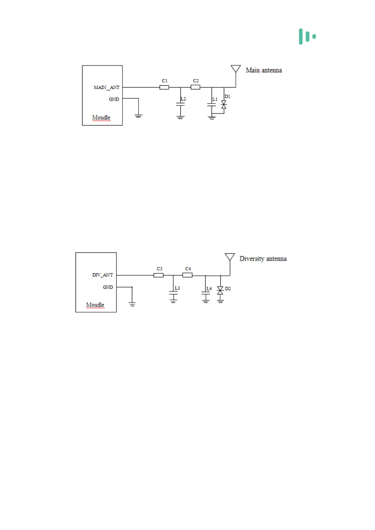
Figure 3-25 Main antenna matching circuit
3.17.2 Diversity antenna interface
C100QM/C10QM's 35-pin is a diversity antenna interface. To facilitate antenna
debugging, a π-type matching circuit needs to be added to the main board. The 50-ohm
impedance line is required. The main antenna and the diversity antenna need to maintain
a certain spacing. The recommended circuit is as follows:
Figure 3-26 Diversity Antenna Matching Circuit
3.17.3 GNSS interface
C100QM/C10QM's 47 feet are GNSS antenna interfaces, support GPS, BEIDOU,
GLONASS, GALILEO signal reception. If you need to use it, you need to open the GPS
with AT command AT+CGPS=1 (for details, please refer to C100QM/C10QM AT
command set manual) In order to facilitate the debugging of the antenna, it is necessary
to add a π-type matching circuit to the main board, and to take a 50-ohm impedance line.
The GNSS antenna needs to maintain a certain distance from the main antenna and the
diversity antenna. The GNSS antenna has two antenna connection modes, and the other

Table of Contents

Related product manuals