EasyManua.ls Logo

Cavli Wireless C100QM - Page 67

Default Icon
97 pages
Print Icon
To Next Page IconTo Next Page
To Next Page IconTo Next Page
To Previous Page IconTo Previous Page
To Previous Page IconTo Previous Page
Loading...
Cavli Wireless C100QM/C10QM Hardware Manual
67
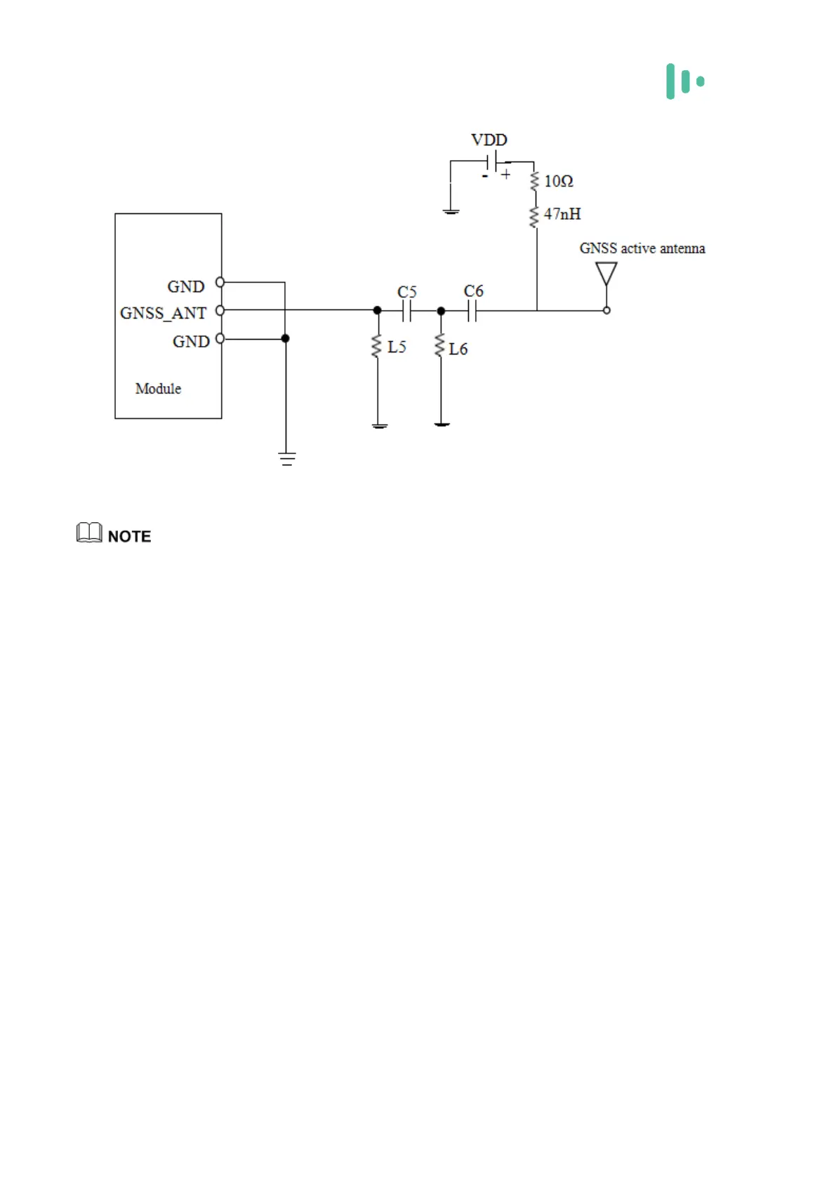
Figure 3-28 GNSS active antenna reference circuit
C100QM/C10QM module provides three RF antenna interfaces, which are main set
antenna, diversity antenna and GPS antenna connection port. The antenna interface
must be 50 ohm characteristic impedance trace.
In actual use, according to the user's circuit board routing, the antenna factory debugs
and optimizes the matching device parameter values. The motherboard
C1/C2/C3/C4/C5/C6 defaults to 33pF, L1/L2/L3/L4/L5/L6 defaults. Empty stickers,
in order to prevent static damage to the inside of the module, it is recommended to
attach a two-way TVS tube at the antenna connection D1/D2/D3.
The parasitic capacitance of the TVS tube pin itself must be small to avoid signal
interference. The ESD protection component used on the antenna must take into
account the frequency band used by the antenna and the minimum parasitic
capacitance that can be accepted by different frequency bands. The ESD protection
component usually used on the antenna must have a parasitic capacitance value of
less than 0.5pF or even more. low.
Antenna impedance traces need to be away from digital signal lines, power supply and

Table of Contents

Related product manuals